ciao a tutti , ho da chiedervi ancora una cosa, ho fatto il circuito qui indicato
http://digilander.libero.it/i2viu/infra.html
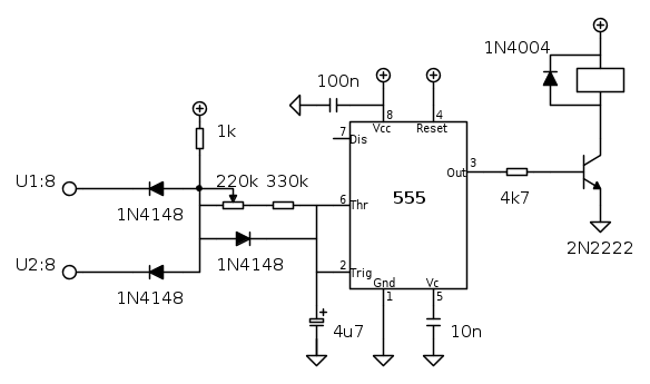
ora mi occorrerebbe avere un po' di ritardo nella commutazione del rele' che viene comandato da i 2 circuiti.
quindi dovrebbe essere "istantaneo " quando passa da basso a alto( cioe' da raggio che "si vede "a raggio interrotto ) e ritardato da alto a basso ( raggio interrotto a raggio "che si vede") di circa 1 -1,5 secondi.
per collegarli insieme le 2 uscite del ic ne567 basta un diodo o devo optare per un altro sistema? logicamente alla fine di tutto questo "ritardatore "devo comandare un rele' a 12 volt .che verra comandato da un transistor...
il rele' deve essere eccitato quando il raggio si vede e diseccitato quando e' interrotto
posso comunque mettere un led ad ogni uscita del ne567 verso vcc senza nessun problema per il funzionamento del ritardatore?
grazie ancora di tutto
ritardo eccitazione rele'
Moderatori:
carloc,
g.schgor,
BrunoValente,
IsidoroKZ
5 messaggi
• Pagina 1 di 1
0
voti
ciao, grazie mille piu' di cosi non suo' avere....
volevo farti una domanda, il ne555 va alimentato con i 5vcc con cui alimento il circuitino con il ne567 o posso farlo andare a 12 vcc?
quindi anche la resistenza da 1k a che vcc la collego?
il rele' e ' ovvio che va a 12 volt....
volevo farti una domanda, il ne555 va alimentato con i 5vcc con cui alimento il circuitino con il ne567 o posso farlo andare a 12 vcc?
quindi anche la resistenza da 1k a che vcc la collego?
il rele' e ' ovvio che va a 12 volt....
0
voti
Tutta la parte da me rappresentata deve andare alla stessa tensione. Se tutto funziona a 5 V come il resto, tanto meglio. Il DS del 567 diceva che tra 8 e Vdd c'è una resistenza, quindi, anche a tensioni poco diverse dovrebbe funzionare.
-

Candy
32,5k 7 10 13 - CRU - Account cancellato su Richiesta utente
- Messaggi: 10123
- Iscritto il: 14 giu 2010, 22:54
5 messaggi
• Pagina 1 di 1
Chi c’è in linea
Visitano il forum: Nessuno e 234 ospiti

Elettrotecnica e non solo (admin)
Un gatto tra gli elettroni (IsidoroKZ)
Esperienza e simulazioni (g.schgor)
Moleskine di un idraulico (RenzoDF)
Il Blog di ElectroYou (webmaster)
Idee microcontrollate (TardoFreak)
PICcoli grandi PICMicro (Paolino)
Il blog elettrico di carloc (carloc)
DirtEYblooog (dirtydeeds)
Di tutto... un po' (jordan20)
AK47 (lillo)
Esperienze elettroniche (marco438)
Telecomunicazioni musicali (clavicordo)
Automazione ed Elettronica (gustavo)
Direttive per la sicurezza (ErnestoCappelletti)
EYnfo dall'Alaska (mir)
Apriamo il quadro! (attilio)
H7-25 (asdf)
Passione Elettrica (massimob)
Elettroni a spasso (guidob)
Bloguerra (guerra)

