Salve a tutti
Sono alle prime armi.... Volevo chiedere se potevate farmi o procurarmi uno schema di un circuito che abbia i seguenti componenti:
- NE555
- TIP120 transistor
- 7805 regolatore
- 2/3 o 4 led
- Resistenze
Grazie in anticipo.....
Circuito base
Moderatori:
carloc,
g.schgor,
BrunoValente,
IsidoroKZ
5 messaggi
• Pagina 1 di 1
1
voti
Ho visto ora che hai aperto anche un altro thread piu' o meno con lo stesso contenuto.
http://www.electroyou.it/phpBB2/viewtopic.php?t=30344&p=251422#p251422
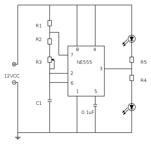
Se ti serve per far lampeggiare dei led, puoi adoperare questo circuito:
Questo impiega il 555 e le resistenze. Restano fuori il transistor ed il regolatore.
Eventualmente si possono aggiungere alcuni led.
Mancano i valori delle resistenze; quando ci dirai a che frequenza i led dovranno lampeggiare e le caratteristiche dei led stessi, vedremo di dimensionarle di conseguenza.
http://www.electroyou.it/phpBB2/viewtopic.php?t=30344&p=251422#p251422
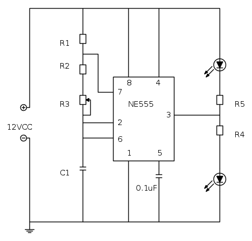
Se ti serve per far lampeggiare dei led, puoi adoperare questo circuito:
Questo impiega il 555 e le resistenze. Restano fuori il transistor ed il regolatore.
Eventualmente si possono aggiungere alcuni led.
Mancano i valori delle resistenze; quando ci dirai a che frequenza i led dovranno lampeggiare e le caratteristiche dei led stessi, vedremo di dimensionarle di conseguenza.
marco
5 messaggi
• Pagina 1 di 1
Chi c’è in linea
Visitano il forum: Nessuno e 96 ospiti

Elettrotecnica e non solo (admin)
Un gatto tra gli elettroni (IsidoroKZ)
Esperienza e simulazioni (g.schgor)
Moleskine di un idraulico (RenzoDF)
Il Blog di ElectroYou (webmaster)
Idee microcontrollate (TardoFreak)
PICcoli grandi PICMicro (Paolino)
Il blog elettrico di carloc (carloc)
DirtEYblooog (dirtydeeds)
Di tutto... un po' (jordan20)
AK47 (lillo)
Esperienze elettroniche (marco438)
Telecomunicazioni musicali (clavicordo)
Automazione ed Elettronica (gustavo)
Direttive per la sicurezza (ErnestoCappelletti)
EYnfo dall'Alaska (mir)
Apriamo il quadro! (attilio)
H7-25 (asdf)
Passione Elettrica (massimob)
Elettroni a spasso (guidob)
Bloguerra (guerra)


