Ciao a tutti.
Ho un microfno per computer Konig CMP-MIC3. Lo vorrei amplificare per collegarlo a delle casse per PC ma senza usare il PC come amplificatore.
Ho allora costruito questo preamplificatore
Se non si considera R2 sembra un amplificatore a BJT in configurazione ad emettitore comune. Questo significa che è un amplificatore di corrente e quindi il segnale del microfono è pensato come un segnale di corrente. Ma è vera questa cosa? Nel senso che il segnale vocale è trasdotto in un segnale di corrente relazionato a quello vocale?
E devo quindi progettare lo stadio amplificatore come un amplificatore di corrente? Ad esempio potrò usare un opamp in configurazione invertente con bassa resistenza di ingresso e alta resistenza di uscita?
Grazie in anticipo
Giulio
Amplificatore di tensione o corrente?
Moderatori:
carloc,
g.schgor,
BrunoValente,
IsidoroKZ
18 messaggi
• Pagina 1 di 2 • 1, 2
0
voti
Un amplificatore invertente fatto con un operazionale (e due resistenze), di che tipo lo consideri in termini di amplificatore tensione/corrente?
Per usare proficuamente un simulatore, bisogna sapere molta più elettronica di lui
Plug it in - it works better!
Il 555 sta all'elettronica come Arduino all'informatica! (entrambi loro malgrado)
Se volete risposte rispondete a tutte le mie domande
Plug it in - it works better!
Il 555 sta all'elettronica come Arduino all'informatica! (entrambi loro malgrado)
Se volete risposte rispondete a tutte le mie domande
0
voti
Ciao IsidoroKZ!
In che senso di che tipo lo considero?
Comunque nei due casi di opamp invertente come ampli di tensione o corrente non dovrebbe cambiare niente a livello circuitale ma cambiano i valori delle resistenze dato che un segnale in corrente in ingresso ha "esigenze" diverse di un segnale di tensione, oltre al fatto che le espressioni dei guadagni dovrebbero essere diverse (a proposito. qual è l'espressione del guadagno di corrente di un opamp in configurazione invertente?)
In che senso di che tipo lo considero?
Comunque nei due casi di opamp invertente come ampli di tensione o corrente non dovrebbe cambiare niente a livello circuitale ma cambiano i valori delle resistenze dato che un segnale in corrente in ingresso ha "esigenze" diverse di un segnale di tensione, oltre al fatto che le espressioni dei guadagni dovrebbero essere diverse (a proposito. qual è l'espressione del guadagno di corrente di un opamp in configurazione invertente?)
0
voti
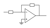
Visto che hai classificato l'amplificatore di prima come un ampli di corrente, questo circuito
che tipo di amplificatore e`? Forse pero` la domanda non e` chiara perche' non so che cosa hai studiato di elettronica.
che tipo di amplificatore e`? Forse pero` la domanda non e` chiara perche' non so che cosa hai studiato di elettronica.
Per usare proficuamente un simulatore, bisogna sapere molta più elettronica di lui
Plug it in - it works better!
Il 555 sta all'elettronica come Arduino all'informatica! (entrambi loro malgrado)
Se volete risposte rispondete a tutte le mie domande
Plug it in - it works better!
Il 555 sta all'elettronica come Arduino all'informatica! (entrambi loro malgrado)
Se volete risposte rispondete a tutte le mie domande
0
voti
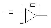
Quello in fugura, che è un amplificatore operazionale in configurazione invertente, è un amplificatore con guadagno di tensione pari a
mentre quello di corrente dovrebbe essere 1.
Infatti quando si ricava l'espressione del guadagno di tensione si considera la corrente di ingresso come se fluisse tutta nel ramo di retroazione e quindi che vada in uscita così com'è. E quindi, essendo
, ho guadagno unitario di corrente.
Secondo questo ragionamento il circuito è un amplificatore di tensione mentre in corrente ne amplifica ne attenua...
Ok, cosa ho sbagliato?
mentre quello di corrente dovrebbe essere 1.Infatti quando si ricava l'espressione del guadagno di tensione si considera la corrente di ingresso come se fluisse tutta nel ramo di retroazione e quindi che vada in uscita così com'è. E quindi, essendo
, ho guadagno unitario di corrente.Secondo questo ragionamento il circuito è un amplificatore di tensione mentre in corrente ne amplifica ne attenua...
Ok, cosa ho sbagliato?
-1
voti
In Rif. Al tuo schema: Il transistor amplifica un segnale in corrente, quindi piccole variazioni applicate sulla base provocano ampie variazioni di corrente sul collettore. Mentre in Rif a un tubo elettronico (valvola termoionica) amplifica un segnale in tensione. Quindi piccole variazioni applicate sulla griglia-controllo provocano ampie variazioni di tensione sulla placca.Questo significa che è un amplificatore di corrente e quindi il segnale del microfono è pensato come un segnale di corrente. Ma è vera questa cosa? Nel senso che il segnale vocale è trasdotto in un segnale di corrente relazionato a quello vocale?
-

StefanoSunda
2.880 3 6 10 - Master

- Messaggi: 1962
- Iscritto il: 16 set 2010, 19:29
0
voti
Ok, perfetto. Una cosa però non mi è ancora chiara: posso usare l'opamp (che, secondo la mia analisi precedente, dovrebbe essere un amplificatore di tensione) come stadio amplificatore successivo al preamplificatore (di corrente)? Se si, secondo quali criteri dovrei scegliere le resistenze R1 e R2?
E se invece non approvate/non è giusta questa soluzione, cosa consigliate di usare come amplificatore del segnale vocale del suddetto micronfono?
Giusto per dare una indicazione, ho provato a collegare il microfono alla presa aux del mio stereo interponendo il preamplificatore ed effettivamente il segnale viene amplificato. Non so però quanto questa soluzione (l'utilizzo dell'amplificatore dello stereo) sia conveniente in termini di banda e guadagno e, insomma, non so se esistono soluzioni migliori e quali siano..l'opamp è quello che conosco ma potete consigliarmi altre soluzioni migliori e più adatte :)
Grazie
Giulio
E se invece non approvate/non è giusta questa soluzione, cosa consigliate di usare come amplificatore del segnale vocale del suddetto micronfono?
Giusto per dare una indicazione, ho provato a collegare il microfono alla presa aux del mio stereo interponendo il preamplificatore ed effettivamente il segnale viene amplificato. Non so però quanto questa soluzione (l'utilizzo dell'amplificatore dello stereo) sia conveniente in termini di banda e guadagno e, insomma, non so se esistono soluzioni migliori e quali siano..l'opamp è quello che conosco ma potete consigliarmi altre soluzioni migliori e più adatte :)
Grazie
Giulio
0
voti
Chiedevi del guadagno, guarda lo schema: fai risultare un guadagno di 21volte, inoltre non fai sapere se l'ingresso è alta impedenza o bassa. Deve amplificare in AC. - Continua tu.
-

StefanoSunda
2.880 3 6 10 - Master

- Messaggi: 1962
- Iscritto il: 16 set 2010, 19:29
0
voti
E quindi, essendo, ho guadagno unitario di corrente.
Questa semmai è una condizione in un punto bene preciso di quel circuito, che nulla centra con la capacità di amplificazione dell'operazionale.
Il problema, in generale, è capire che cosa sono corrente e tensione. Un ragionamento stupido, ma utile a capire: un voltmetro, misura una tensione o una corrente? E un voltmetro elettromagnetico?
Il comportamento di
-

Candy
32,5k 7 10 13 - CRU - Account cancellato su Richiesta utente
- Messaggi: 10123
- Iscritto il: 14 giu 2010, 22:54
18 messaggi
• Pagina 1 di 2 • 1, 2
Chi c’è in linea
Visitano il forum: Nessuno e 69 ospiti

Elettrotecnica e non solo (admin)
Un gatto tra gli elettroni (IsidoroKZ)
Esperienza e simulazioni (g.schgor)
Moleskine di un idraulico (RenzoDF)
Il Blog di ElectroYou (webmaster)
Idee microcontrollate (TardoFreak)
PICcoli grandi PICMicro (Paolino)
Il blog elettrico di carloc (carloc)
DirtEYblooog (dirtydeeds)
Di tutto... un po' (jordan20)
AK47 (lillo)
Esperienze elettroniche (marco438)
Telecomunicazioni musicali (clavicordo)
Automazione ed Elettronica (gustavo)
Direttive per la sicurezza (ErnestoCappelletti)
EYnfo dall'Alaska (mir)
Apriamo il quadro! (attilio)
H7-25 (asdf)
Passione Elettrica (massimob)
Elettroni a spasso (guidob)
Bloguerra (guerra)




