Ad es. così:
centralina passo passo con timer auto off
Moderatori:
carloc,
g.schgor,
BrunoValente,
IsidoroKZ
0
voti
0
voti
Si, ma ricordati anche l'alimentazione del 4013 (pin14).
Una finezza potrebbe poi essere il reset (pin4) del 555 se
l'uscita del 4013 non è a "1".
Una finezza potrebbe poi essere il reset (pin4) del 555 se
l'uscita del 4013 non è a "1".
0
voti
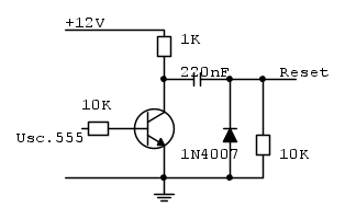
A quanto capisco vuoi essere sicuro che
dando alimentazione al circuito l'uscita
del 4013 sia a "0", quindi prevedi un RC
sul pin4 di questo.
Ma dal tuo schema il pin4 è già collegato
all'uscita del 555 (per il Reset a fine tempo).
quindi devi fare un OR a diodi tra il segnale
dell'RC e del 555 (come detto nel mio post
precedente)
dando alimentazione al circuito l'uscita
del 4013 sia a "0", quindi prevedi un RC
sul pin4 di questo.
Ma dal tuo schema il pin4 è già collegato
all'uscita del 555 (per il Reset a fine tempo).
quindi devi fare un OR a diodi tra il segnale
dell'RC e del 555 (come detto nel mio post
precedente)
Chi c’è in linea
Visitano il forum: Nessuno e 60 ospiti

Elettrotecnica e non solo (admin)
Un gatto tra gli elettroni (IsidoroKZ)
Esperienza e simulazioni (g.schgor)
Moleskine di un idraulico (RenzoDF)
Il Blog di ElectroYou (webmaster)
Idee microcontrollate (TardoFreak)
PICcoli grandi PICMicro (Paolino)
Il blog elettrico di carloc (carloc)
DirtEYblooog (dirtydeeds)
Di tutto... un po' (jordan20)
AK47 (lillo)
Esperienze elettroniche (marco438)
Telecomunicazioni musicali (clavicordo)
Automazione ed Elettronica (gustavo)
Direttive per la sicurezza (ErnestoCappelletti)
EYnfo dall'Alaska (mir)
Apriamo il quadro! (attilio)
H7-25 (asdf)
Passione Elettrica (massimob)
Elettroni a spasso (guidob)
Bloguerra (guerra)





