E da un po’ di tempo che dispongo di questo trasformatore 30v però non riesco a capire quanti ampere perché vorrei realizzare un alimentatore stabilizzato a 12volt, un amico lo ha visto ha detto che sicuramente e 5A o in più, avete un consiglio come comportarmi con l'corrente??? e se avete uno schema per stabilizzarlo a 12v senza perdite di potenza???
EDIT alve: ho ridotto le dimensioni dell'immagine a 640x480 (non si vedeva completamente)
Stabilizzare un trasformatore 12v
Moderatori:
carloc,
g.schgor,
BrunoValente,
IsidoroKZ
19 messaggi
• Pagina 1 di 2 • 1, 2
0
voti
0
voti
Il buon
IsidoroKZ aveva elaborato una stima della potenza dipendente dal peso del trasformatore. Adesso non me la ricordo (forse non era neanche sua
) ma vedrai che ti risponderà.
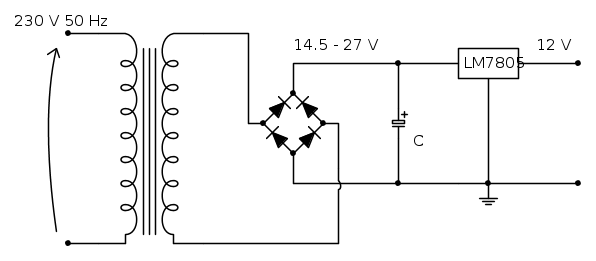
Per stabilizzare l'uscita in continua puoi usare il solito ponte + condensatore + regolatore di tensione (lineare o switching) come nello schema seguente:
La capacità C la puoi stimare secondo

Che dipende dalla frequenza di rete (50 Hz), la tensione di ripple massima che vuoi avere (non è molto rilevante dato che comunque hai il regolatore a valle) e la corrente massima in uscita dal regolatore che richiedi.
Ps: ridimensiona l'immagine perché è enorme.
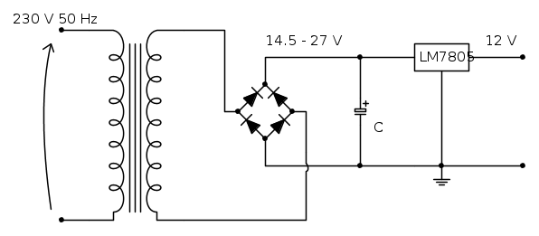
Per stabilizzare l'uscita in continua puoi usare il solito ponte + condensatore + regolatore di tensione (lineare o switching) come nello schema seguente:
La capacità C la puoi stimare secondo

Che dipende dalla frequenza di rete (50 Hz), la tensione di ripple massima che vuoi avere (non è molto rilevante dato che comunque hai il regolatore a valle) e la corrente massima in uscita dal regolatore che richiedi.
Ps: ridimensiona l'immagine perché è enorme.
-

marioursino
5.687 3 9 13 - G.Master EY

- Messaggi: 1598
- Iscritto il: 5 dic 2009, 4:32
0
voti
A denominatore nel calcolo del condensatore di livellamento c'e` un fattore 2 in piu` e il ripple e` la tensione picco picco!
La potenza del trasformatore in voltamepere, a partire dalla sua massa in grammi e` circa questa:
La potenza del trasformatore in voltamepere, a partire dalla sua massa in grammi e` circa questa:

Per usare proficuamente un simulatore, bisogna sapere molta più elettronica di lui
Plug it in - it works better!
Il 555 sta all'elettronica come Arduino all'informatica! (entrambi loro malgrado)
Se volete risposte rispondete a tutte le mie domande
Plug it in - it works better!
Il 555 sta all'elettronica come Arduino all'informatica! (entrambi loro malgrado)
Se volete risposte rispondete a tutte le mie domande
0
voti
Attenzione
Quello dello schema è un full wave rectifier, la frequenza di output è il doppio della frequenza di entrata.
EDIT:
Non avevo visto la risposta di
IsidoroKZ
marioursino ha scritto:La capacità C la puoi stimare secondo
Che dipende dalla frequenza di rete (50 Hz)
Quello dello schema è un full wave rectifier, la frequenza di output è il doppio della frequenza di entrata.
EDIT:
Non avevo visto la risposta di
0
voti
Quindi bisogna sapere il peso di questo trasformatore?? poi con il LM7805 la massima corrente ke può erograre e di 1A se ricordo bene??? il trasformatore pesa 1,60kg
giusto
giusto
Ultima modifica di
carlo87 il 22 nov 2011, 15:34, modificato 1 volta in totale.
0
voti
Prermetto che sbaglio qualche termine e perché non ho moltissima esperienza nel campo elettronico anche perché vi scrivo mentre lavoro, io vorreiun circuito in corrente continua 12v anche variabili ma semza nessuna perdita di potenza del trasformatore...
19 messaggi
• Pagina 1 di 2 • 1, 2
Chi c’è in linea
Visitano il forum: Nessuno e 166 ospiti

Elettrotecnica e non solo (admin)
Un gatto tra gli elettroni (IsidoroKZ)
Esperienza e simulazioni (g.schgor)
Moleskine di un idraulico (RenzoDF)
Il Blog di ElectroYou (webmaster)
Idee microcontrollate (TardoFreak)
PICcoli grandi PICMicro (Paolino)
Il blog elettrico di carloc (carloc)
DirtEYblooog (dirtydeeds)
Di tutto... un po' (jordan20)
AK47 (lillo)
Esperienze elettroniche (marco438)
Telecomunicazioni musicali (clavicordo)
Automazione ed Elettronica (gustavo)
Direttive per la sicurezza (ErnestoCappelletti)
EYnfo dall'Alaska (mir)
Apriamo il quadro! (attilio)
H7-25 (asdf)
Passione Elettrica (massimob)
Elettroni a spasso (guidob)
Bloguerra (guerra)



