Cos'è ElectroYou | Login Iscriviti

ElectroYou - la comunità dei professionisti del mondo elettrico

True tabel

Elettronica lineare e digitale: didattica ed applicazioni

Moderatori: Foto Utentecarloc, Foto Utenteg.schgor, Foto UtenteBrunoValente, Foto UtenteIsidoroKZ

0
voti

[1] True tabel

Messaggioda Foto Utenteasdasd » 24 nov 2011, 21:01

Ho questo simpatico esercizio, che mi mette alla prova dalla teoria.

Ho una 'true tabel':

A B C Y
0 0 0 0
0 0 1 1
0 1 0 1
0 1 1 0
1 0 0 1
1 0 1 1
1 1 0 1
1 1 1 0

Ho fatto così prendo gli 1 delle Y e guardo quelle righe dove son o solo gli 1
per me 0 è 'normale' e 1 è il negato, come mia convenzione. Da qui ottengo:
Y = Aneg Bneg C + Aneg B Cneg + A Bneg Cneg + A Bneg C + A B Cneg

ho fatto le prove su tutti gli altri credo di trovarmi, solo che non so come semplificare il risultato, per fare un ipotetico circuito :roll:
Avatar utente
Foto Utenteasdasd
0 3
New entry
New entry
 
Messaggi: 50
Iscritto il: 7 mag 2011, 15:39

0
voti

[2] Re: True tabel

Messaggioda Foto Utentesimo85 » 24 nov 2011, 21:13

\bar{Y} = (\bar{A} \bar{B} \bar{C}) + (\bar{A}BC) + (ABC)
solo che non so come semplificare il risultato

Sfruttando lo proprietà ed i teoremi dell'algebra booleana per la semplificazione.
Vedi questo PDF o anche il video corso di Foto Utenteg.schgor :ok:

Posta i tuoi risultati ed i passaggi..
Avatar utente
Foto Utentesimo85
30,9k 7 12 13
Disattivato su sua richiesta
 
Messaggi: 9927
Iscritto il: 30 ago 2010, 4:59

1
voti

[3] Re: True tabel

Messaggioda Foto UtenteRenzoDF » 24 nov 2011, 21:30

Premesso che dovresti specificare se vuoi una semplificazione P.O.S. o S.O.P.,
... per la tua espressione logica puoi semplificare

a) il primo con il quarto termine
b) il secondo con il quinto
c) sfruttando la proprieta' dell'idempotenza (duplichi il quarto)
d) e in questo modo semplifichi il terzo (ancora) con il quarto
"Il circuito ha sempre ragione" (Luigi Malesani)
Avatar utente
Foto UtenteRenzoDF
55,9k 8 12 13
G.Master EY
G.Master EY
 
Messaggi: 13189
Iscritto il: 4 ott 2008, 9:55

0
voti

[4] Re: True tabel

Messaggioda Foto Utenteyustel » 24 nov 2011, 22:11

In alternativa, se l'esercizio non ti pone vincoli, potresti ricavare l'espressione logica tramite una mappa di Karnaugh, abbastanza semplice essendo in 4 variabili. In questo modo ricavi direttamente l'espressione già semplificata saltando la parte di semplificazione algebrica.
Avatar utente
Foto Utenteyustel
173 4
New entry
New entry
 
Messaggi: 92
Iscritto il: 22 feb 2010, 18:30

0
voti

[5] Re: True tabel

Messaggioda Foto Utentesimo85 » 24 nov 2011, 22:26

Le variabili sono 3. Prima bisogna imparare a semplificare con le proprietà ed i teoremi, poi vengono le mappe di Karnaugh.
A mio parere, senza saper simplificare non si va lontano. Una tabella con ad esempio 6 variabili, fai prima a semplificarla che a fare una mappa..
Avatar utente
Foto Utentesimo85
30,9k 7 12 13
Disattivato su sua richiesta
 
Messaggi: 9927
Iscritto il: 30 ago 2010, 4:59

0
voti

[6] Re: True tabel

Messaggioda Foto Utenteasdasd » 24 nov 2011, 22:28

Le variabili sono 3 perché sono A,B,C giusto?
Inoltre non ho capito se il mio risultato di prima andava bene.
Dal risultato vero e proprio esce ciò che ha scritto gohan.
Avatar utente
Foto Utenteasdasd
0 3
New entry
New entry
 
Messaggi: 50
Iscritto il: 7 mag 2011, 15:39

0
voti

[7] Re: True tabel

Messaggioda Foto Utenteyustel » 24 nov 2011, 22:31

Chiedo scusa... si sono tre le variabili, ci ho visto male (che figura!). Riguardo alla semplificazioni comunque penso sia una cosa "personale", qualche professore preferisce puntare poco sulla semplificazione e molto di più sulla mappa, posso comunque darti ragione, la semplificazione in molti casi è più immediata.
Avatar utente
Foto Utenteyustel
173 4
New entry
New entry
 
Messaggi: 92
Iscritto il: 22 feb 2010, 18:30

1
voti

[8] Re: True tabel

Messaggioda Foto Utenteg.schgor » 24 nov 2011, 23:37

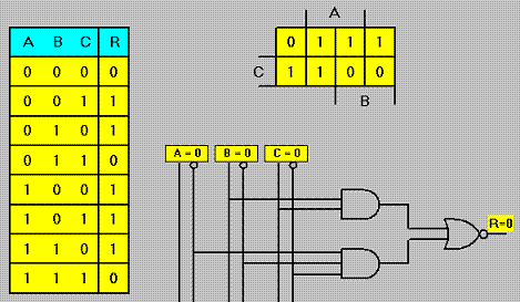
Ecco la minimizzazione della tabella data,
utilizzando programmi del corso citato*):
EsLogBool.GIF
EsLogBool.GIF (9.79 KiB) Osservato 8784 volte


La minimizzazione "algebrica" è utile per imparare
le regole dell'algebra Booleana, ma è difficile valutare
se il risultato è davvero il minimo possibile.
Con la mappa di Karnaugh è più facile e sicuro.

Per l'implementazione in circuito a minimo numero
di elementi, si osserva se nella mappa sono meno
gli 1 o gli 0 (come in questo caso) e si utilizza un
OR dei termini 1 oppure un NOR dei termini 0

*) vedi video "progetto circuito logico"
Avatar utente
Foto Utenteg.schgor
57,8k 9 12 13
G.Master EY
G.Master EY
 
Messaggi: 16971
Iscritto il: 25 ott 2005, 9:58
Località: MILANO

0
voti

[9] Re: True tabel

Messaggioda Foto Utenteasdasd » 25 nov 2011, 0:36

Davvero utile *_*
anche la tabella :shock: ti ringrazio vivamente, domani guaderò con calma e più attenzione ai video. A presto per i prossimi dubbi ;-)
Avatar utente
Foto Utenteasdasd
0 3
New entry
New entry
 
Messaggi: 50
Iscritto il: 7 mag 2011, 15:39

0
voti

[10] Re: True tabel

Messaggioda Foto UtenteDirtyDeeds » 25 nov 2011, 11:09

asdasd ha scritto:Ho una 'true tabel':


Truth table ;-)
It's a sin to write sin instead of \sin (Anonimo).
...'cos you know that cos ain't \cos, right?
You won't get a sexy tan if you write tan in lieu of \tan.
Take a log for a fireplace, but don't take log for \logarithm.
Avatar utente
Foto UtenteDirtyDeeds
55,9k 7 11 13
G.Master EY
G.Master EY
 
Messaggi: 7012
Iscritto il: 13 apr 2010, 16:13
Località: Somewhere in nowhere


Torna a Elettronica generale

Chi c’è in linea

Visitano il forum: Nessuno e 50 ospiti