
VCO che non rispetta la linearità
Moderatori:
carloc,
g.schgor,
BrunoValente,
IsidoroKZ
0
voti
ok grazie mille per l'aiuto
ora scrivo la netlist con orcad mettendo un lm311 e vediamo che succede 
ora scrivo la netlist con orcad mettendo un lm311 e vediamo che succede -

andreacircuit
125 1 9 - Frequentatore

- Messaggi: 110
- Iscritto il: 24 nov 2011, 20:55
1
voti
Good luck
ma la tensione di soglia dei MOS break non me la recuperi?... a me pare ancora strano che funzioni quella parte di circuito
poi gli zener per fissare la tensione all'uscita del comparatore li metterei....
ma la tensione di soglia dei MOS break non me la recuperi?... a me pare ancora strano che funzioni quella parte di circuito
poi gli zener per fissare la tensione all'uscita del comparatore li metterei....
Se ti serve il valore di beta: hai sbagliato il progetto!
0
voti
Ci sono riuscito ho pure sforato i 100khz di linearità
Ho usato un MAX403/MXM che è specifico per fare il comparatore.
Ho usato un MAX403/MXM che è specifico per fare il comparatore.
-

andreacircuit
125 1 9 - Frequentatore

- Messaggi: 110
- Iscritto il: 24 nov 2011, 20:55
0
voti
Mi sa che i mosfet sono ideali perché quando su pspice ci clikko sopra mi compaiono gli spazzi per mettere la lunghezza la larghezza del canale e altre cose...
Adesso provo a metterne uno reale
Adesso provo a metterne uno reale
-

andreacircuit
125 1 9 - Frequentatore

- Messaggi: 110
- Iscritto il: 24 nov 2011, 20:55
0
voti
inoltre ho dovuto cambiare anche l'alimentazione perché la massimo supporta +/-5v
-

andreacircuit
125 1 9 - Frequentatore

- Messaggi: 110
- Iscritto il: 24 nov 2011, 20:55
1
voti
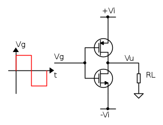
Beh direi che due MOS li troviamo
....
ma prima vediamo che caratteristiche debbono avere....
convincimi che questo circuito funziona
... che VGS avrei in funzione di Vi e del valore di picco di Vg? RL è la resistenza di ingresso dell'inseguitore....
ma prima vediamo che caratteristiche debbono avere....
convincimi che questo circuito funziona
Se ti serve il valore di beta: hai sbagliato il progetto!
0
voti
Ciao
carloc scusami ma in questi giorni non mi sono potuto connettere.
Rispondo al quesito (spero correttamente):
Affinchè il transistor NMOS sia in conduzione la tensione VG deve essere positiva e superiore alla tensione di soglia Vtn, viceversa nel caso del PMOS il transistore deve avere una VG negativa e quest'ultima minore della tensione di soglia Vtp.
Nel caso dell'inverter, se la VG è positiva (e maggiore di Vtn) il trasistore NMOS è acceso e il PMOS spento mentre
quando commuta la VG diventando negativa(e minore di Vtp) il PMOS è acceso e l'NMOS è spento
Nel primo caso ai capi di RL mi ritrovo la -Vin mentre nel secondo caso mi ritrovo +Vin
Forse vuoi dire Vu in fuzione di vi?
Rispondo al quesito (spero correttamente):
Affinchè il transistor NMOS sia in conduzione la tensione VG deve essere positiva e superiore alla tensione di soglia Vtn, viceversa nel caso del PMOS il transistore deve avere una VG negativa e quest'ultima minore della tensione di soglia Vtp.
Nel caso dell'inverter, se la VG è positiva (e maggiore di Vtn) il trasistore NMOS è acceso e il PMOS spento mentre
quando commuta la VG diventando negativa(e minore di Vtp) il PMOS è acceso e l'NMOS è spento
Nel primo caso ai capi di RL mi ritrovo la -Vin mentre nel secondo caso mi ritrovo +Vin
Forse vuoi dire Vu in fuzione di vi?
Ultima modifica di
admin il 20 feb 2012, 22:52, modificato 1 volta in totale.
Motivazione: uniti i due messaggi consecutivi
Motivazione: uniti i due messaggi consecutivi
-

andreacircuit
125 1 9 - Frequentatore

- Messaggi: 110
- Iscritto il: 24 nov 2011, 20:55
1
voti
Sì è giusto, nel senso che i MOS iniziano a condurre alla Vt, poi si deve vedere che succede, zona triodo, zona saturata.. ma per il momento vedi un po' le VGS cosa fanno...
Se ti serve il valore di beta: hai sbagliato il progetto!
Chi c’è in linea
Visitano il forum: Nessuno e 34 ospiti

Elettrotecnica e non solo (admin)
Un gatto tra gli elettroni (IsidoroKZ)
Esperienza e simulazioni (g.schgor)
Moleskine di un idraulico (RenzoDF)
Il Blog di ElectroYou (webmaster)
Idee microcontrollate (TardoFreak)
PICcoli grandi PICMicro (Paolino)
Il blog elettrico di carloc (carloc)
DirtEYblooog (dirtydeeds)
Di tutto... un po' (jordan20)
AK47 (lillo)
Esperienze elettroniche (marco438)
Telecomunicazioni musicali (clavicordo)
Automazione ed Elettronica (gustavo)
Direttive per la sicurezza (ErnestoCappelletti)
EYnfo dall'Alaska (mir)
Apriamo il quadro! (attilio)
H7-25 (asdf)
Passione Elettrica (massimob)
Elettroni a spasso (guidob)
Bloguerra (guerra)

