Ma sono tanto tanto vicino a completare il tutto, per cui apro questo post specifico per uno degli ultimi problemi... il trasformatore
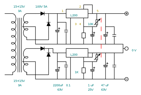
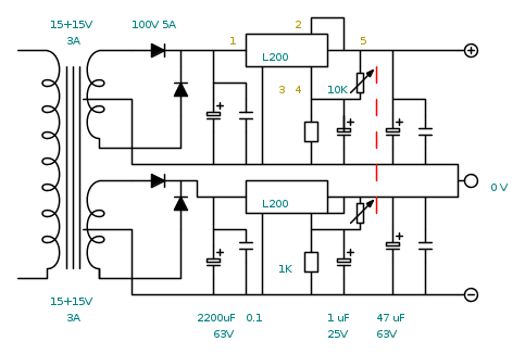
Il commesso del mio negozio di fiducia mi ha dato un bel trasformatore con due uscite 0-24 V, ma a quanto pare non è adatto per la realizzazione di questo circuito preso dal bellissimo articolo di
Vorrei sapere se è possibile comunque utilizzare questo trasformatore o se dovrò comprarne comunque un altro, e se si con quali caratteristiche.
In oltre se possibile vorrei capire come mai non vada bene in modo da ampliare le mie conoscenze e magari rompervi meno le scatole la prossima volta.

Elettrotecnica e non solo (admin)
Un gatto tra gli elettroni (IsidoroKZ)
Esperienza e simulazioni (g.schgor)
Moleskine di un idraulico (RenzoDF)
Il Blog di ElectroYou (webmaster)
Idee microcontrollate (TardoFreak)
PICcoli grandi PICMicro (Paolino)
Il blog elettrico di carloc (carloc)
DirtEYblooog (dirtydeeds)
Di tutto... un po' (jordan20)
AK47 (lillo)
Esperienze elettroniche (marco438)
Telecomunicazioni musicali (clavicordo)
Automazione ed Elettronica (gustavo)
Direttive per la sicurezza (ErnestoCappelletti)
EYnfo dall'Alaska (mir)
Apriamo il quadro! (attilio)
H7-25 (asdf)
Passione Elettrica (massimob)
Elettroni a spasso (guidob)
Bloguerra (guerra)









