gestione automatica ventole PC in funzione della temperatura
Moderatori:
g.schgor,
IsidoroKZ
0
voti
Ok, ho visto
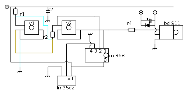
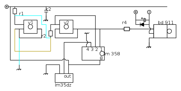
Secondo me, in questo thread ci sono troppi schemi che girano, secondo me bisogna fare riferimento ad uno solo, l'ultimo postato da
marco438.
Secondo me, in questo thread ci sono troppi schemi che girano, secondo me bisogna fare riferimento ad uno solo, l'ultimo postato da
0
voti
In effetti lo schema e' sempre lo stesso, se si fa eccezione per quello "pratico" disegnato da
dj8simo6con l'errore che contiene e che io ho corretto nell'ultimo mio post.
Ci sono solo diversita' nei valori delle resistenze "incriminate", che sono oggetto di discussione.
Ci sono solo diversita' nei valori delle resistenze "incriminate", che sono oggetto di discussione.
marco
0
voti
E' vero, ma nei post si non si faceva riferimento ad uno schema unico ma al sito, al [28] ed al [42], alla fine non si capiva più una m....
Comunque, adesso abbiamo rimesso palla al centro e vediamo se dopo le correzioni al circuito,
dj8simo6 ha ancora problemi.
Comunque, adesso abbiamo rimesso palla al centro e vediamo se dopo le correzioni al circuito,
0
voti
Ok grazie ragazzi comunque prima il circuito era così .poi ho contattato chi l aveva fatto e ho fatto queste modifiche comunque stasera riprovo e vi faccio sapere
0
voti
allora ragazzi prova fatta , ho ripristinato i collegamenti come mi avete indicato e terato i trimmer come indicato nel sito ... e la ventola non parte !! ho avvicinato la punta del saldatore vicino alla sonda portandolo fino a temperatura di circa 100 gradi ma niente!!! cosa si fa adesso?? 

0
voti
Se hai seguito i collegati postati nello schema di
marco438 il circuito dovrebbe andare.Possibile allora che il transistor non saturi.
Puoi provare a misurare la tensione tra emettitore e collettore del transistor quanto l'uscita del comparatore è alta?E anche la tensione tra il piedino 2 del comparatore e il potenziale di riferimento?
Puoi provare a misurare la tensione tra emettitore e collettore del transistor quanto l'uscita del comparatore è alta?E anche la tensione tra il piedino 2 del comparatore e il potenziale di riferimento?
0
voti
gentilemte non parlate con termini troppo tecnici
allora misuro la tensione tra collettore e emettitore a temp ambiente e poi?? 
allora tra emettitore e colletore ci sono 12 v , tra emettitore e base 98 mv
allora tra emettitore e colletore ci sono 12 v , tra emettitore e base 98 mv
Torna a Elettrotecnica generale
Chi c’è in linea
Visitano il forum: Nessuno e 15 ospiti

Elettrotecnica e non solo (admin)
Un gatto tra gli elettroni (IsidoroKZ)
Esperienza e simulazioni (g.schgor)
Moleskine di un idraulico (RenzoDF)
Il Blog di ElectroYou (webmaster)
Idee microcontrollate (TardoFreak)
PICcoli grandi PICMicro (Paolino)
Il blog elettrico di carloc (carloc)
DirtEYblooog (dirtydeeds)
Di tutto... un po' (jordan20)
AK47 (lillo)
Esperienze elettroniche (marco438)
Telecomunicazioni musicali (clavicordo)
Automazione ed Elettronica (gustavo)
Direttive per la sicurezza (ErnestoCappelletti)
EYnfo dall'Alaska (mir)
Apriamo il quadro! (attilio)
H7-25 (asdf)
Passione Elettrica (massimob)
Elettroni a spasso (guidob)
Bloguerra (guerra)





