inverter per generatore eolico
Moderatori:
carloc,
g.schgor,
BrunoValente,
IsidoroKZ
0
voti
Non penso di essere testa... Non si nasce sapendo già tutto anche se tutto è impossibile da sapere!!! Siccome io non giudico gli altri e non voglio nemmeno essere giudicato!!! Moderiamoci! Buona notte!
-

SICILIANTRIPHASE
-4 6 - Frequentatore

- Messaggi: 187
- Iscritto il: 6 dic 2011, 14:13
0
voti
Io non giudico nessuno ma quando do dei consigli sono abbastanza intollerante se non li si rispettano. per me puo essere didatticamente utile costruire una pala ed il suo regolatore. naturalmente c e chi gia ne costruisce, fatti un giro nei forum di energeticambiente (ex progettomeg). ora vado a dormire che ho appena riparato un oscilloscopio sto a pezzi domani ne riparliamo ciaoo
-2
voti
Ciao Edoardo non mi riferivo a te tranquillo!
mi riferivo ad altre persone che giudicano facendo certe battute credendo che io sia scemo... comunque ti ringrazio ancora per tutto l'aiuto che mi stai dando sei davvero bravo!
-

SICILIANTRIPHASE
-4 6 - Frequentatore

- Messaggi: 187
- Iscritto il: 6 dic 2011, 14:13
0
voti
Ciao Edoardo per il regolatore dunque cosa devo fare? Come si crea un carica batterie? Devo fornire una tensione di 12 V fissa? Che componenti devo utilizzare? Basta collegare la 12 V DC alle batterie per caricarle?
-

SICILIANTRIPHASE
-4 6 - Frequentatore

- Messaggi: 187
- Iscritto il: 6 dic 2011, 14:13
-3
voti
Qualcuno mi aiuti per favore!!!
Come lo devo costruire sto inverter

Come lo devo costruire sto inverter
-

SICILIANTRIPHASE
-4 6 - Frequentatore

- Messaggi: 187
- Iscritto il: 6 dic 2011, 14:13
2
voti
1)O ti calmi
2)O ti calmi.
Vedi tu quale delle due preferisci..
qui non siamo al mercato, né in piazza e nemmeno al bar.
Ciao.
-4
voti
Ciao [user]gohan[/user],misà che quello che si deve calmare sei tu!!!Ma che avete tutti?Sembra che ce l'avete con me!? Io non sono affatto agitato stavo solo chiedendo aiuto in modo scherzoso! E poi non penso sarebbero fatti tuoi se io fossi agitato! Dunque non uscire fuori topic per favore ciao.
Andrea
Andrea
-

SICILIANTRIPHASE
-4 6 - Frequentatore

- Messaggi: 187
- Iscritto il: 6 dic 2011, 14:13
2
voti
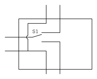
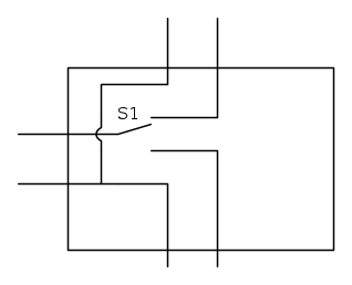
isd88 ha già postato una bozza di progetto in questa discussione. Se vuoi focalizzarti sull'inverter, ecco lo schema:
S1 e S2 sono due semplici relè che commutano alle frequenza di 50Hz, l'unico pezzo difficile da trovare è il "trasformatore eolico per inverter ad onda sinusoidale pura per metà" segnato come T1 nello schema, forse chiedendo a qualche rivenditore in zona lo trovi.
Penso che una volta trovato T1 poi il cablaggio sia facile come vedi dallo schema.
Se fossi in te però mi concentrerei di più sul regolatore di carica perché è la parte più delicata di tutto il sistema, anche se è composta da un solo deviatore standard S1 che puoi vedere nello schema:
Dovresti prima provare a cablare il regolatore di carica e poi passi alla costruzione dell'inverter per ultimo.
Che ne dici?
Quando si parte?
PS.: vogliamo le foto!
ciao
-

AjKDAP
1.255 2 6 9 - Expert EY

- Messaggi: 796
- Iscritto il: 17 mag 2006, 0:13
- Località: nella coda dei pronti
2
voti
Guarda, a me non piacciono le polemiche e cerco di farne sempre il meno possibile.
Sono fatto così.
Dopo leggere due post come questi
Uno a distanza di due minuti dall'altro, mi sento costretto a dirtelo, e ti assicuro che sono calmo.
Vale comunque il suggerimento che ti ho dato al messaggio 47, se vuoi ricevere aiuto, perché qui nessuno è obbligato a risponderti o ad attenderti.
Con le buone si ottiene tutto.
Sono fatto così.
Dopo leggere due post come questi
SICILIANTRIPHASE ha scritto:Qualcuno mi aiuti per favore!!!
Come lo devo costruire sto inverter![]()
![]()
![]()
![]()
SICILIANTRIPHASE ha scritto:Per favoreeeeeeeeeee
Uno a distanza di due minuti dall'altro, mi sento costretto a dirtelo, e ti assicuro che sono calmo.
Vale comunque il suggerimento che ti ho dato al messaggio 47, se vuoi ricevere aiuto, perché qui nessuno è obbligato a risponderti o ad attenderti.
Con le buone si ottiene tutto.
Chi c’è in linea
Visitano il forum: Nessuno e 41 ospiti

Elettrotecnica e non solo (admin)
Un gatto tra gli elettroni (IsidoroKZ)
Esperienza e simulazioni (g.schgor)
Moleskine di un idraulico (RenzoDF)
Il Blog di ElectroYou (webmaster)
Idee microcontrollate (TardoFreak)
PICcoli grandi PICMicro (Paolino)
Il blog elettrico di carloc (carloc)
DirtEYblooog (dirtydeeds)
Di tutto... un po' (jordan20)
AK47 (lillo)
Esperienze elettroniche (marco438)
Telecomunicazioni musicali (clavicordo)
Automazione ed Elettronica (gustavo)
Direttive per la sicurezza (ErnestoCappelletti)
EYnfo dall'Alaska (mir)
Apriamo il quadro! (attilio)
H7-25 (asdf)
Passione Elettrica (massimob)
Elettroni a spasso (guidob)
Bloguerra (guerra)


