NE555N x far emettere un suono a un buzzer
Moderatori:
carloc,
g.schgor,
BrunoValente,
IsidoroKZ
0
voti
giacky98 ha scritto:Okay, fammi sapere!
Funzioooonaaaaaaaa.........pero' ho dovuto sostituire il buzzer perche il AG1205G, come diceva alev penso, assorbe parecchia tensione infatti scalda parecchi e parte in ritardo......al suo posto ho provato uno simile ma appena appena più basso (in dimensioni) suona tranquillamente senza scaldare ma il livello audio e troppo basso e acuto.....
Le cose son 2 o smetto di recuperare i componenti e provate a dirmi che buzzer comprare oppure come faccio ad "alzare" il volume?
0
voti
santa79 ha scritto:pero' ho dovuto sostituire il buzzer perche il AG1205G, come diceva alev penso, assorbe parecchia tensione infatti scalda parecchi e parte in ritardo
Il buzzer AG1205G è da 40
e quindi potrebbe essere la causa del problema.Lo schema parla di buzzer ad 8
, ma anche questo per i 200 mA a 12 V dell'uscita dell'NE555 è troppo.Secondo me si potrebbe provare con un buzzer almeno da 60
.Correggetemi se sbaglio.
0
voti
giacky98 ha scritto:Con il buzzer precedente, prova a mettere un condensatore in serie all'uscita.
il livello sonoro non cambia col condensatore...ma ho variato r3, al posto di 68k che mi avevi consigliato hoi messo una 56k e l'audio è salito, li ho pensato che diminuendola ancora sarebbe salito ulteriormente ma invece è rimasto invariato.
Unica cosa che da tutte le spiegazioni che mi avete dato, cosa che scrivo solo a titolo informativo, pensavo di avere un suono alternato e invece è continuo....a me va menissimo così ripeto era solo a titolo informativo
GRAZIE A TUTTI PER LA MANO CHE MI AVETE DATO
0
voti
santa79 ha scritto:pensavo di avere un suono alternato e invece è continuo....a me va menissimo così ripeto era solo a titolo informativo
Da quello che ho capito del funzionamento del circuito, il suono che senti è continuo ma è dato da un'oscillazione meccanica del buzzer alla frequenza dell'astabile.
1
voti
alev ha scritto:Da quello che ho capito del funzionmento del circuito, il suono che senti è continuo ma è dato da un'oscillazione meccanica del buzzer alla frequenza dell'astabile.
Si esatto è quello che penso anch'io.
Ma il problema è che il buzzer assorbe troppo.
Anche se non capisco perché, infatti io ho fatto ieri delle prove con lo stesso circuito che sta usando
Non so se ci sia differenza tra un altoparlante da 8 Ohm e un mini-altoparlante-buzzer da 8 Ohm come quello di
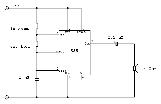
Questo è il circuito che sto usando io e non dà problemi di surriscaldamento:
0
voti
E' giusto quello che dice
marco438, io di solito lo lascio sempre scollegato ma se vuoi una maggiore precisione puoi mettere un condensatore. Ma non penso che sia importante per questo utilizzo.
Chi c’è in linea
Visitano il forum: Nessuno e 238 ospiti

Elettrotecnica e non solo (admin)
Un gatto tra gli elettroni (IsidoroKZ)
Esperienza e simulazioni (g.schgor)
Moleskine di un idraulico (RenzoDF)
Il Blog di ElectroYou (webmaster)
Idee microcontrollate (TardoFreak)
PICcoli grandi PICMicro (Paolino)
Il blog elettrico di carloc (carloc)
DirtEYblooog (dirtydeeds)
Di tutto... un po' (jordan20)
AK47 (lillo)
Esperienze elettroniche (marco438)
Telecomunicazioni musicali (clavicordo)
Automazione ed Elettronica (gustavo)
Direttive per la sicurezza (ErnestoCappelletti)
EYnfo dall'Alaska (mir)
Apriamo il quadro! (attilio)
H7-25 (asdf)
Passione Elettrica (massimob)
Elettroni a spasso (guidob)
Bloguerra (guerra)





