sampei198 ha scritto:il rele' e eccitato solo nella posizione in cui tutti gli ingresso sono a 0
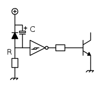
Allora devi aggiungere un condensatore in parallelo con GND Switch, così:
qui devi determinare il tempo di carica del condensatore in funzione della
del 4071. Vedi che
è proporzionale alla tensione di alimentazione.Quindi, in meno di un secondo devi passare da uno stato logico da 0 a 1 (PGT), quindi da
a
grazie alla carica del condensatore.Chiamiamo
il livello di tensione di soglia da raggiungere in un tempo 

Hai una incognita:
la decidi tu,
già la conosci,
è riportata nel datasheet, ti manca
.Ciao.

Elettrotecnica e non solo (admin)
Un gatto tra gli elettroni (IsidoroKZ)
Esperienza e simulazioni (g.schgor)
Moleskine di un idraulico (RenzoDF)
Il Blog di ElectroYou (webmaster)
Idee microcontrollate (TardoFreak)
PICcoli grandi PICMicro (Paolino)
Il blog elettrico di carloc (carloc)
DirtEYblooog (dirtydeeds)
Di tutto... un po' (jordan20)
AK47 (lillo)
Esperienze elettroniche (marco438)
Telecomunicazioni musicali (clavicordo)
Automazione ed Elettronica (gustavo)
Direttive per la sicurezza (ErnestoCappelletti)
EYnfo dall'Alaska (mir)
Apriamo il quadro! (attilio)
H7-25 (asdf)
Passione Elettrica (massimob)
Elettroni a spasso (guidob)
Bloguerra (guerra)



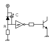
come dalla tensione di ingresso
, sono due dati della stessa formula e dovresti cambiare leggermente il circuito per adattarlo ad una rete RC per un ritardo, vedi ad esempio
per accenderlo, ma la impedenza di entrata è molto elevata tanto che
.

. Ossia, che in
1s devi raggiungere
come spiegato prima. Lascia perdere la rete RC sulla base del condensatore..
per il transtore di pilotaggio, Q1 è quello pilotato dalla porta logica con R2 ed R3 sulla base.

quindi 
