ok grazie dell'aiuto!!
Ho visto in un altro sito un progetto simile..un crepuscolare..sembra molto simile a quello che voglio fare, la cosa che cambia e che al posto della fotoresistenza devo mettere il mio LM325 come sonda..
Posso postare il link..o ilfile??
accensione e spegnimento resistenza in base alla temperatura
Moderatori:
carloc,
g.schgor,
BrunoValente,
IsidoroKZ
1
voti
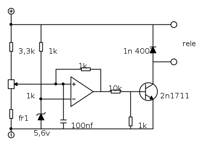
eccolo!! al posto dello zener da 5,6v ilmio partitore per scelta temperatura, e al posto della fr1 che e una fotoresistenza il mio circuito con LM325, puo andare??
-

battiesguscia
5 4 - Frequentatore

- Messaggi: 103
- Iscritto il: 14 ott 2011, 9:45
0
voti
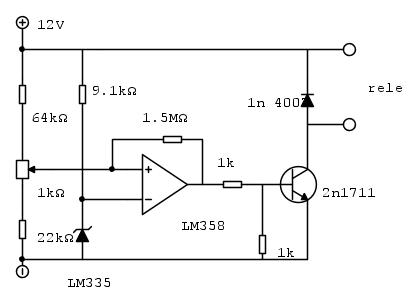
Se proprio lo vuoi fare con l'LM335, proverei a farlo cosi`:
Ma non mi piace molto perche' la tensione di alimentazione deve essere precisa e stabile, e dagli stessi 12V viene presa anche al corrente per il rele`.
La resistenza da 64kΩ va aggiustata per avere il potenziometro che regola nell'intervallo desiderato. L'isteresi e` di circa 1°C
Ma non mi piace molto perche' la tensione di alimentazione deve essere precisa e stabile, e dagli stessi 12V viene presa anche al corrente per il rele`.
La resistenza da 64kΩ va aggiustata per avere il potenziometro che regola nell'intervallo desiderato. L'isteresi e` di circa 1°C
Per usare proficuamente un simulatore, bisogna sapere molta più elettronica di lui
Plug it in - it works better!
Il 555 sta all'elettronica come Arduino all'informatica! (entrambi loro malgrado)
Se volete risposte rispondete a tutte le mie domande
Plug it in - it works better!
Il 555 sta all'elettronica come Arduino all'informatica! (entrambi loro malgrado)
Se volete risposte rispondete a tutte le mie domande
0
voti
lm335 ha tre piedi..non manca collegato il pin adj per la regolazione?? con una poteziomentro da 10 k come ho messo negli schemi precedenti??
-

battiesguscia
5 4 - Frequentatore

- Messaggi: 103
- Iscritto il: 14 ott 2011, 9:45
0
voti
Si puo` fare a meno di usare ol terzo piedino. Sei proprio sicuro di voler usare un 335 senza una tensione di riferimento fissa? Almeno usa un LM35, o meglio una ntc.
Per usare proficuamente un simulatore, bisogna sapere molta più elettronica di lui
Plug it in - it works better!
Il 555 sta all'elettronica come Arduino all'informatica! (entrambi loro malgrado)
Se volete risposte rispondete a tutte le mie domande
Plug it in - it works better!
Il 555 sta all'elettronica come Arduino all'informatica! (entrambi loro malgrado)
Se volete risposte rispondete a tutte le mie domande
0
voti
la tensione di riferimento la creo con il partitore!! con i dovuti calcoli della resistenza..
Mi spieghi come si calcola l'isteresi??
Mi spieghi come si calcola l'isteresi??
-

battiesguscia
5 4 - Frequentatore

- Messaggi: 103
- Iscritto il: 14 ott 2011, 9:45
0
voti
Un partitore non stabilizza una tensione: se l'alimentazione cambia anche la soglia cambia. Usa un NTC, o almeno un LM35 che lo si puo` amplificare.
L'isteresi e` spiegata verso meta` di Progetto Termostato II, che ti ho indicato, verso meta` della chiaccherata.
Che cosa stai studiando/hai studiato? (l'avevo gia` chiesto? Sono un po' rinco!)
L'isteresi e` spiegata verso meta` di Progetto Termostato II, che ti ho indicato, verso meta` della chiaccherata.
Che cosa stai studiando/hai studiato? (l'avevo gia` chiesto? Sono un po' rinco!)
Per usare proficuamente un simulatore, bisogna sapere molta più elettronica di lui
Plug it in - it works better!
Il 555 sta all'elettronica come Arduino all'informatica! (entrambi loro malgrado)
Se volete risposte rispondete a tutte le mie domande
Plug it in - it works better!
Il 555 sta all'elettronica come Arduino all'informatica! (entrambi loro malgrado)
Se volete risposte rispondete a tutte le mie domande
0
voti
Sono un elettrotecnico..non un elettronico..mi piace l'elettronica..
Vorrei realizzare uno scalda biberon..
i classici usano il vapore o il bagno maria per scaldare l'intero biberon..
Io voglio scaldare l'acqua per poi inserire la polvere per fare il latte..
Quindi volevo fare un circuito che porti l'acqua ad una temperatura di 37/38 gradi da poter utilizzare per fare il latteper il bimbo..e che una volta arrivata a 37 gradi me la mantenga...
Tutto qua...
Vorrei realizzare uno scalda biberon..
i classici usano il vapore o il bagno maria per scaldare l'intero biberon..
Io voglio scaldare l'acqua per poi inserire la polvere per fare il latte..
Quindi volevo fare un circuito che porti l'acqua ad una temperatura di 37/38 gradi da poter utilizzare per fare il latteper il bimbo..e che una volta arrivata a 37 gradi me la mantenga...
Tutto qua...
-

battiesguscia
5 4 - Frequentatore

- Messaggi: 103
- Iscritto il: 14 ott 2011, 9:45
0
voti
ho visto il link dove si parla di isteresi...ma c'e un mare di formule!!magari con un esempio numerico riesco a capire ,meglio..,comunque se ho piu tempo domani me lo rileggo ancora...hehhehe
-

battiesguscia
5 4 - Frequentatore

- Messaggi: 103
- Iscritto il: 14 ott 2011, 9:45
Chi c’è in linea
Visitano il forum: Nessuno e 176 ospiti

Elettrotecnica e non solo (admin)
Un gatto tra gli elettroni (IsidoroKZ)
Esperienza e simulazioni (g.schgor)
Moleskine di un idraulico (RenzoDF)
Il Blog di ElectroYou (webmaster)
Idee microcontrollate (TardoFreak)
PICcoli grandi PICMicro (Paolino)
Il blog elettrico di carloc (carloc)
DirtEYblooog (dirtydeeds)
Di tutto... un po' (jordan20)
AK47 (lillo)
Esperienze elettroniche (marco438)
Telecomunicazioni musicali (clavicordo)
Automazione ed Elettronica (gustavo)
Direttive per la sicurezza (ErnestoCappelletti)
EYnfo dall'Alaska (mir)
Apriamo il quadro! (attilio)
H7-25 (asdf)
Passione Elettrica (massimob)
Elettroni a spasso (guidob)
Bloguerra (guerra)



