Cos'è ElectroYou | Login Iscriviti

ElectroYou - la comunità dei professionisti del mondo elettrico

Modifica relè

Elettronica lineare e digitale: didattica ed applicazioni

Moderatori: Foto Utentecarloc, Foto Utenteg.schgor, Foto UtenteBrunoValente, Foto UtenteIsidoroKZ

0
voti

[1] Modifica relè

Messaggioda Foto Utentesawyer0 » 9 dic 2011, 20:49

Ciao ragazzi,
mi auguro che sia la sezione giusta :-)

Su diversi siti nessuno ha saputo aiutarmi...speriamo sia la volta buona.
Premessa NON CAPISCO NULLA DI ELETTRICITA'

Ho da poco ordinato per la mia moto delle frecce led che andranno a sostituire le 4 frecce che attualmente montano delle lampadine da 10W 12Volt.
A quanto pare installando queste frecce led il problema che si verifica è che queste lampeggiano velocemente stile disco inltre le 4 frecce tutte assieme non si accendono...il problema è dovuto dal fatto che queste assorbono meno corrente di quelle originali (cosi mi è stato detto).
Le frecce a led consumano 2/4w 12Volt.

Mi è stato consigliato di cambiare relè (19€) oppure di mettere per ogni coppia di frecce una resistenza da 25W 6Hom..La guida dice di posizionarle cosi e mi sembra corretto (http://www.puntomoto.eu/istruzioni/LP-45506.pdf)
La mia domanda però è: non sarebbe possibile aprire il relè e sotituire le resistenze interne senza attaccare le due resistenze penzolanti? Quelli bravi nei calcoli siete voi...illuminatemi

gracias
Se si che resistenze dovrei andare a sostituire dentro il relè e da quanto?
Ultima modifica di Foto Utentesawyer0 il 9 dic 2011, 21:18, modificato 1 volta in totale.
Avatar utente
Foto Utentesawyer0
2 3
 
Messaggi: 35
Iscritto il: 9 dic 2011, 20:22

0
voti

[2] Re: Modifica relè

Messaggioda Foto Utentesimo85 » 9 dic 2011, 20:55

sawyer0 ha scritto:ma non sarebbe possibile aprire il relè e sotituire le resistenze interne senza attaccare le due resistenze?

La resistenza interna del relè è determinata dalla bobina stessa, quindi no.

A quanto pare installando queste frecce led il problema che si verifica è che queste lampeggiano velocemente stile disco inltre le 4 frecce tutte assieme non si accendono..

1) Quello che capisco è che tu hai comprato un circuito già fatto e già preassemblato. In tal caso non è facile dire dov'è il problema..
il problema è dovuto dal fatto che queste assorbono meno corrente di quelle originali (cosi mi è stato detto).

2) Questo non mi è chiaro, sarà per via del punto 1).
Avatar utente
Foto Utentesimo85
30,9k 7 12 13
Disattivato su sua richiesta
 
Messaggi: 9927
Iscritto il: 30 ago 2010, 4:59

0
voti

[3] Re: Modifica relè

Messaggioda Foto Utentesawyer0 » 9 dic 2011, 21:05

so di un vecchio amico che adesso non sento piu che aveva aperto il relè e aveva sostituito una delle due resistenze interne dissaldandola e rimpiazzandola con un'altra.

Io l'unica cosa che ho comprato sono delle frecce ma non hanno nessun circuito già fatto.


Quello che mi chiedo è se in base al valore che vi ho fornito delle resistenze da sadare in parallelo alle frecce non sia possibile calcolare il valore della resistenza interna al relè da sostituire in modo da ovviare alle resistenze da saldare sulle frecce.

questo è l'interno del relè
2dc7nms.jpg
2dc7nms.jpg (23 KiB) Osservato 7064 volte
Avatar utente
Foto Utentesawyer0
2 3
 
Messaggi: 35
Iscritto il: 9 dic 2011, 20:22

0
voti

[4] Re: Modifica relè

Messaggioda Foto Utentesimo85 » 9 dic 2011, 21:27

sawyer0 ha scritto:so di un vecchio amico che adesso non sento piu che aveva aperto il relè e aveva sostituito una delle due resistenze interne dissaldandola e rimpiazzandola con un'altra.

La resistenza nominale della bobina del relè, vista dall'alimentazione, è alterabile con l'aggiunta di resistenze esterne, ma questo è un altro discorso.
questo è l'interno del relè

Mi sembra parecchio mal concio..
Veniamo al dunque.
Da quello che sto capendo il circuito di lampeggio della moto lo puoi togliere e sostituire con un altro.
Tu hai bisogno di un circuito che ti faccia lampeggiare le freccie, DX, SX ed entrambi. Dico bene??

Sei al corrente del fatto che eventuali modifiche che fai possono compromettere la garanzia e devono essere in regola?
Avatar utente
Foto Utentesimo85
30,9k 7 12 13
Disattivato su sua richiesta
 
Messaggi: 9927
Iscritto il: 30 ago 2010, 4:59

0
voti

[5] Re: Modifica relè

Messaggioda Foto Utentesawyer0 » 9 dic 2011, 22:01

Ricapitolando le frecce rimpiazzate funzionano bene, nel senso che si accendono l'unico problema è che lo fanno velocemente questo perche ricevono la potenza che ricevevano prima quelle vecchie (questa vevano bisogno di piu potenza)..il problema è solo la velocità esagerata in cui lampeggiano (che potrei tenermi anche cosi se volgiamo dirla tutta)
Tenendole cosi (cioè lampeggiando velocemente) un altro problema che si verifica è che se metto il triangolo non si accendono proprio..mi spiego meglio..se accendo la freccia destra le frecce si illuminano velocemente, idem quelle di sx..però se metto il triangolo anzichè lampeggiare velocemente tutte e 4 contemporaneamente NON SI ACCENDE PIU NESSUNA LAMPADINA.

Il problema sia del lmpeggio veloce che del lampeggio simultaneo di tutte e 4 nel caso in cui mettessi il triangolo si supera solo mettendo quelle resistenze che vi ho detto, una a lato ovvero una per le due frecce di dx e una per le due frecce di sx.
Non saprei spiegarlo piu chiarò di cosi.

Il relè che hai visto in foto non è messo male è stato semplicemente aperto e una volta tolta la colla che ricopriva i componenti è stata sotituita la resistenza con una di cui non conosco le proprietà (questo per evitare di mettere una resistenza al lato sx e una al lato dx)

La moto non è piu in garanzia.
Avatar utente
Foto Utentesawyer0
2 3
 
Messaggi: 35
Iscritto il: 9 dic 2011, 20:22

0
voti

[6] Re: Modifica relè

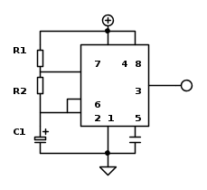
Messaggioda Foto Utentesimo85 » 10 dic 2011, 4:04

sawyer0 ha scritto:Non saprei spiegarlo piu chiarò di cosi.

Ti sei spiegato bene, tuttavia non parliamo la stessa lingua, perché
Il relè che hai visto in foto

No :!: Questo è un relè.

Scommetto che quel circuito è un astabile con il 555.
Riesci a confermare che quell'IC è un 555? Il circuito dovrebbe essere così

In questo caso è tutto più chiaro se dici che cambiando la resistenza (quella che tu chiami "interna del relè") cambia la velocità di lampeggio.. Riesci a dire i valori di R1, R2 ed anche C1?
Avatar utente
Foto Utentesimo85
30,9k 7 12 13
Disattivato su sua richiesta
 
Messaggi: 9927
Iscritto il: 30 ago 2010, 4:59

0
voti

[7] Re: Modifica relè

Messaggioda Foto Utentemarco438 » 10 dic 2011, 8:13

Per quanto attiene il "presunto relay", credo proprio che [user]gohan[/user] abbia ragione quindi, se vuoi andare avanti su questa strada, ti consiglio di fornire i dati richiesti.
Tuttavia mi e' difficile capire perche', visto che ti e' stata prospettata la soluzione con le resistenze in parallelo, tu non l'abbia adottata subito (visto che dovrebbe funzionare).
Come gia' ti e' stato detto comunque, ogni variazione apportata ad un veicolo (nella fattispecie per i segnali luminosi) deve essere approvata dalle apposite Autorita'. Non puoi quindi andartene a spasso con frecce che lampeggino ad una frequenza diversa da quella stabilita.
marco
Avatar utente
Foto Utentemarco438
37,1k 7 11 13
-EY Legend-
-EY Legend-
 
Messaggi: 16323
Iscritto il: 24 mar 2010, 15:09
Località: Versilia

0
voti

[8] Re: Modifica relè

Messaggioda Foto Utentesawyer0 » 11 dic 2011, 14:09

ragazzi l'unica cosa che sono riuscito a scoprire è che il relè originale è questo

http://www.ebay.it/itm/RELE-KAWASAKI-Z7 ... 0738039285
Avatar utente
Foto Utentesawyer0
2 3
 
Messaggi: 35
Iscritto il: 9 dic 2011, 20:22

0
voti

[9] Re: Modifica relè

Messaggioda Foto Utentemarco438 » 11 dic 2011, 14:16

Risposta decisamente insufficiente.
[user]Gohan[/user] ti aveva richiesto ben altro e anch'io.
marco
Avatar utente
Foto Utentemarco438
37,1k 7 11 13
-EY Legend-
-EY Legend-
 
Messaggi: 16323
Iscritto il: 24 mar 2010, 15:09
Località: Versilia

0
voti

[10] Re: Modifica relè

Messaggioda Foto UtenteBrunoValente » 11 dic 2011, 14:40

sawyer0 ha scritto:...Quello che mi chiedo è se in base al valore che vi ho fornito delle resistenze da sadare in parallelo alle frecce non sia possibile calcolare il valore della resistenza interna al relè da sostituire in modo da ovviare alle resistenze da saldare sulle frecce.

Se capisco bene, la tua idea è che debba esistere una relazione tra il valore delle resistenze da montare in parallelo alle lampade a led per farle funzionare e il valore della "resistenza interna al relè".
Se è questo che pensi non è così: Il circuitino a cui sono collegate le frecce (che non è un relè) genera, volutamente, la giusta cadenza di accensione e spegnimento solo se la resistenza interna delle lampade è quella giusta. Le lampade a led hanno una resistenza interna più alta di quella delle lampade ad incandescenza e quindi il circuito aumenta la frequenza di commutazione.
La resistenza da montare in parallelo alle lampade a led serve a "far credere" al circuito che la lampada sia di tipo normale.
Un tempo il dispositivo non era elettronico ma era elettromeccanico e la cadenza mi pare fosse generata termicamente: c'era all'interno del "relè" una sorta di interruttore termico che si scaldava con la corrente assorbita dalla lampadina, quindi la sua frequenza di commutazione dipendeva da essa e quindi dipendeva dalla resistenza interna della lampadina.
Diciamo pure che questo poteva essere considerato un difetto del dispositivo che, essendo molto primitivo, non aveva una frequenza di commutazione indipendente dall'assorbimento del carico.
Tutto sommato però questo "difetto" dava il vantaggio all'autista di potersi accorgere subito, ascoltando il ritmo del ticchettio del relè, che la lampada si era bruciata e che quindi la freccia non stava funzionando.
Negli attuali circuiti di intermittenza, che sono elettronici, sarebbe semplicissimo fare in modo che la frequenza di commutazione non dipenda dalla resistenza interna delle lampadine ma credo che invece vengano appositamente progettati per riprodurre artificialmente il "difetto" dei vecchi componenti elettromeccanici per dare ancora all'autista la possibilità di accorgersi subito dell'eventuale lampada bruciata.
Nel circuito elettronico la cadenza delle commutazioni è determinata, oltre che dal valore della corrente assorbita dalla lampada e quindi da quello della sua resistenza interna, anche dal valore di alcuni componenti montati internamente al circuito ed in particolare dal valore di una resistenza che però, come ti ho detto, non è in relazione con quello dalla resistenza interna delle lampade e che quindi non si può dedurre da quello.
Si dovrebbe cercare sperimentalmente il valore giusto per tentativi...ma, al di là di tutto, credo non sia ammesso fare certe modifiche che, anche se apparentemente innocue, possono invece pregiudicare la sicurezza del veicolo.
Avatar utente
Foto UtenteBrunoValente
39,6k 7 11 13
G.Master EY
G.Master EY
 
Messaggi: 7796
Iscritto il: 8 mag 2007, 14:48


Torna a Elettronica generale

Chi c’è in linea

Visitano il forum: Nessuno e 78 ospiti