Anche perché si rischierebbe di "brancolare nel buio" ragionando con i soli risultati e non col procedimento.
Se postassi i risultati potresti confrontare il tuo procedimento con quello
Moderatori:
g.schgor,
IsidoroKZ

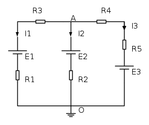
Moriduri ha scritto:Ciao a tutti! ho ripassato oggi Kirchhoff dopo 1 anno di abbandono! quindi non mi ricordavo diciamo più niente!...
:
;
;
;
.

Moriduri ha scritto:... nello schema ho segnato le frecce perperché volevo specificare il senso che percorre la tensione sul generatore... che concorda con il verso della corrente... sulle resistenze ovviamente l'opposto!
RenzoDF ha scritto:...Io sarei comunque curioso di sapere cosa intendeva dirci con questo "messaggio cifrato" ...









Torna a Elettrotecnica generale
Visitano il forum: Nessuno e 117 ospiti