ciusbas ha scritto:spero mi possiate aiutare
Ci ho provato (post[6]) ma non mi hai risposto...
Moderatori:
carloc,
g.schgor,
BrunoValente,
IsidoroKZ
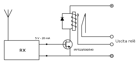
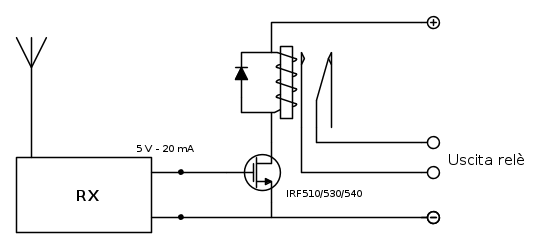
ciusbas ha scritto:dovrei comandare a distanza (senza fili) un relè ad uno scambio con un dispositivo che quando viene alimentato da una 12vdc mi faccia commutare lo stesso, ed essendo a distanza sarà a sua volta alimentato da una batteria da 12 v.
g.schgor ha scritto:ciusbas ha scritto:spero mi possiate aiutare
Ci ho provato (post[6]) ma non mi hai risposto...

alev ha scritto:Scusa ma continui ad essere reticente e ci stai facendo solo perdere tempo(...)Quanto assorbe il tuo relè?
ciusbas ha scritto:io non ho bisogno di un telecomando, devo creare un dispositivo da collegare all'accendi sigari dell'auto che quando lo collego mi faccia eccitare il relè a distanza..
Visitano il forum: Nessuno e 73 ospiti