ho alcune perplessità riguardo a questo argomento, spero che qualcuno mi aiuti. La settimana che viene avrei la prova in itinere, potrei puntare a risolvere tutto meccanicamente, con le regole, ma ci tengo a anche a capire alcuni aspetti di quello che succede a livello fisico.
Grazie in anticipo.
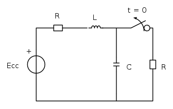
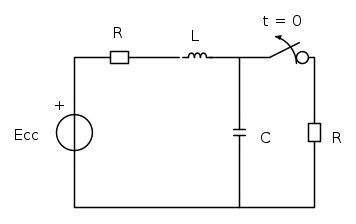
Considero il seguente circuito:
(spero si capiscano i disegni
|= ^^^^^ R === ((((( L==========// (int.)====|
|| . . . . . . . . . . . . . . . .|| . . . . . . . . . . .||
|| . . . . . . . . . . . . . . . .|| . . . . . . . . . . .||
|| . . . . . . . . . . . . . . . .|| . . . . . . . . . . .||
|| . . . . . . . . . . . . . . . .|| . . . . . . . . . . . .<
+. . . . . . . . . . . . . . . .-------. . . . . . . . . . . <
O E_cc. . . . . . . . . . . . ------- C. . . . . . . . . .<
-. . . . . . . . . . . . . . . . . || . . . . . . . . . . . .<
|| . . . . . . . . . . . . . . . .|| . . . . . . . . . . . .R
|| . . . . . . . . . . . . . . . .|| . . . . . . . . . . . .||
|| . . . . . . . . . . . . . . . .|| . . . . . . . . . . . .||
|| . . . . . . . . . . . . . . . .|| . . . . . . . . . . . .||
| =======================================|
All'inizio, all'istante 0-, l'interruttore (int.) è chiuso, le componenti sono scariche, quindi secondo le regole ho la situazione seguente:
- - - - - - - - - - - - - - - - - - -(int. chiuso)
|== ^^^^^ R ===-----(L)======= |====|======|
|| . . . . . . . . . . . . . . . .|| . . . . . . . . . . .||
|| . . . . . . . . . . . . . . . .|| . . . . . . . . . . .||
|| . . . . . . . . . . . . . . . .|| . . . . . . . . . . .||
|| . . . . . . . . . . . . . . . .|| . . . . . . . . . . .<
+. . . . . . . . . . . . . . . . .o + . . . . . . . . . . .<
O E_cc. . . . . . . . . . . . . o -.(C) . . . . . . . . .<
-. . . . . . . . . . . . . . . . . || . . . . . . . . . . . <
|| . . . . . . . . . . . . . . . .|| . . . . . . . . . . .R
|| . . . . . . . . . . . . . . . .|| . . . . . . . . . . .||
|| . . . . . . . . . . . . . . . .|| . . . . . . . . . . .||
|| . . . . . . . . . . . . . . . .|| . . . . . . . . . . .||
| ======================================|
cioè un cortocircuito al posto di (L) e una ddp al posto di (C). Volevo chiedere come mai c'è questo comportamento fisico, cioè come mai in questa condizione un induttore si comporta da cortocircuito, anche visto che dovrebbe accumulare energia, mentre un condensatore si comporta come una ddp, e se prendere la ddp da considerare dove è presente (C) in un verso o in un altro è indifferente.
Calcolo le condizioni iniziali, poi apro il circuito e studio il transitorio. Dalle regole devo considerare, per il transitorio, il seguente circuito:
- - - - - - - - - - - - - - - - - - -(gen. tensione) - - - - - - - - - - - - - - - - (int. aperto)
|=== ^^^^^ R === ((((( L==o- O +o=====================|=======//....===.......
|| . . . . . . . . . . . . . . . . . . . . . . . . . . .|| . . . . . . . .||
|| . . . . . . . . . . . . . . . . . . . . . . . . . . .|| . . . . . . . .||
|| . . . . . . . . . . . . . . . . . . . . . . . . . . .|| . . . . . . . .|| . . . . . . .(maglia non più considerata)
|| . . . . . . . . . . . . . . . . . . . . . . . . . . .|| . . . . . . . .||
+. . . . . . . . . . . . . . . . . . . . . . . . . . .-------. . . . . . . /\
O E_cc. . . . . . . . . . . . . . . . . . . . . . . ------- C. . . . . . | (gen. corrente)
- . . . . . . . . . . . . . . . . . . . . . . . . . . . .|| . . . . . . . . |
|| . . . . . . . . . . . . . . . . . . . . . . . . . . .|| . . . . . . . .||
|| . . . . . . . . . . . . . . . . . . . . . . . . . . .|| . . . . . . . .||
|| . . . . . . . . . . . . . . . . . . . . . . . . . . .|| . . . . . . . .||
|| . . . . . . . . . . . . . . . . . . . . . . . . . . .|| . . . . . . . .||
| =================================================|=============…....
cioè metto un gen. di tensione in serie ad L e uno di corrente in parallelo a C, non considero più la parte con la R a destra dell'int. aperto.
C'è un motivo per cui in tutti gli esempi che ho il generatore di tensione in serie con L viene messo da - a +, sia lo guardi da sinistra a destra, che dall'alto in basso? Cioè, mi riferisco alla caduta di potenziale del generatore in serie con L, come va presa rispetto allo stesso L? C'è una regola?
E vorrei anche capire come mai c'è questo comportamento fisico, tale da dover affiancare questi generatori a induttori e condensatori per descrivere il comportamento di transitorio, dovrebbe esserci una spiegazione fisica a livello di spostamento di cariche.
Successivamente converto il gen. di corrente in \\ a C con uno di tensione in serie a C e risolvo passando nel dominio di Laplace oppure tramite le equazioni differenziali nel dominio del tempo.

Elettrotecnica e non solo (admin)
Un gatto tra gli elettroni (IsidoroKZ)
Esperienza e simulazioni (g.schgor)
Moleskine di un idraulico (RenzoDF)
Il Blog di ElectroYou (webmaster)
Idee microcontrollate (TardoFreak)
PICcoli grandi PICMicro (Paolino)
Il blog elettrico di carloc (carloc)
DirtEYblooog (dirtydeeds)
Di tutto... un po' (jordan20)
AK47 (lillo)
Esperienze elettroniche (marco438)
Telecomunicazioni musicali (clavicordo)
Automazione ed Elettronica (gustavo)
Direttive per la sicurezza (ErnestoCappelletti)
EYnfo dall'Alaska (mir)
Apriamo il quadro! (attilio)
H7-25 (asdf)
Passione Elettrica (massimob)
Elettroni a spasso (guidob)
Bloguerra (guerra)



)...


... comunque, se non erro, credo che tu ti riferisca a questo circuito...
e corrente
in un induttore è il seguente....
, come un generatore ideale di tensione pari a
....