VU meter a LED
Moderatore:
IsidoroKZ
0
voti
[41] Re: vu meter a led
nemmeno....pero' ho dimensionato come nella foto che ti ho postato all'inizio del post....
-

elettrokimbo
22 1 4 - Frequentatore

- Messaggi: 156
- Iscritto il: 7 dic 2011, 23:45
0
voti
[42] Re: vu meter a led
ripetendo la costruzione su breadboard del tuo circuito mi sono accorto che soffiando fortissimo sulla capsula microfonica ho una escursione ben piu' ampia quindi si accendono piu' led...cio' mi fa un po pensare riguardo l'utilizzo del 3914 oppure 3915 al posto del 3916...cosa ne pensi????io credo a questo punto che la causa possa essere questa..non saprei
-

elettrokimbo
22 1 4 - Frequentatore

- Messaggi: 156
- Iscritto il: 7 dic 2011, 23:45
0
voti
[43] Re: vu meter a led
Se hai gia` messo un condensatore fra i piedini 1 e 8 dell'LM386 vuol dire che L'amplificazione non e` sufficiente per quel microfono.
Che e` il motivo delle perplessita` di
TardoFreak e mie all'inzio di questo thread.
TI serve un preamplificatore con guadagno maggiore.
Che e` il motivo delle perplessita` di
TI serve un preamplificatore con guadagno maggiore.
Per usare proficuamente un simulatore, bisogna sapere molta più elettronica di lui
Plug it in - it works better!
Il 555 sta all'elettronica come Arduino all'informatica! (entrambi loro malgrado)
Se volete risposte rispondete a tutte le mie domande
Plug it in - it works better!
Il 555 sta all'elettronica come Arduino all'informatica! (entrambi loro malgrado)
Se volete risposte rispondete a tutte le mie domande
1
voti
[45] Re: vu meter a led
IsidoroKZ ha scritto:TI serve un preamplificatore con guadagno maggiore.
L'idea ti e' stata appena proposta.
Fossi in te eviterei i troppi interrogativi e cercherei di capire meglio quello che gli altri scrivono.
Tra l'altro anche
marco
0
voti
[47] Re: vu meter a led
elettrokimbo ha scritto:lo avevo gia' detto cosa succede con l'altro amplificatore......
Per prima cosa bisognerebbe essere ben certi che l'amplificatore sia stato montato correttamente e funzioni.(ne sei proprio sicuro?)
Poi, se anche questo non fosse sufficiente, si puo' trovare una terza soluzione.
marco
0
voti
[48] Re: vu meter a led
si ne sono proprio certo....l'unica dubbio potrebbe venirmi dall'integrato 3914 o dal 3915 utilizzato al posto del 3916....ma per il resto sono certo...non sono di primo pelo....attendiamo altre proposte...in effetti vedendo in un forum inglese ho visto oggi che ogni ragazzo che ha realizzato quello schema si e' ritrovato con qualcosa di non funzionante....ormai e' quasi certezza.....
-

elettrokimbo
22 1 4 - Frequentatore

- Messaggi: 156
- Iscritto il: 7 dic 2011, 23:45
1
voti
[49] Re: vu meter a led
Se non sei di primo pelo dovresti sapere costruire un preamplificatore con un guadagno maggiore di quello fornito dall'LM386, magari con una funzione di peak hold in modo da prolungare un po' i picchi.
Il fatto che debba urlare per accendere qualche led in piu` fa pensare che il guadagno non sia sufficiente oppure che la capsula sia rovinata (o non alimentata correttamente). Con una tensione di 1.25V all'ingresso del 3915 dovrebbero accendersi tutti i led: hai provato che si accendano veramente con quella tensione?
Il fatto che debba urlare per accendere qualche led in piu` fa pensare che il guadagno non sia sufficiente oppure che la capsula sia rovinata (o non alimentata correttamente). Con una tensione di 1.25V all'ingresso del 3915 dovrebbero accendersi tutti i led: hai provato che si accendano veramente con quella tensione?
Per usare proficuamente un simulatore, bisogna sapere molta più elettronica di lui
Plug it in - it works better!
Il 555 sta all'elettronica come Arduino all'informatica! (entrambi loro malgrado)
Se volete risposte rispondete a tutte le mie domande
Plug it in - it works better!
Il 555 sta all'elettronica come Arduino all'informatica! (entrambi loro malgrado)
Se volete risposte rispondete a tutte le mie domande
0
voti
[50] Re: vu meter a LED
Riapro la discussione dopo tanto tempo visto che non era stato risolto il circuito.
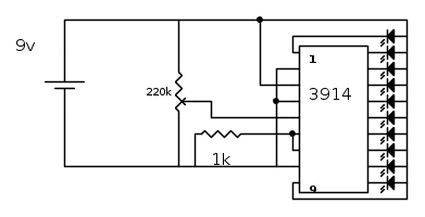
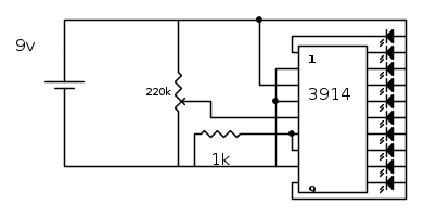
ho rimesso su breadboard la parte relativa alla grafica.Con il partitore potenziometrico tutti i led si accendono ad 1,26 volt.
Come posso dimensionare adesso in modo opportuno, il circuito di preamp a transistor postatomi precedentemente,in modo tale da parlare nel microfono e visualizzare l'illuminazione dei 10 led?ho provato con i valori dell'immagine,ma non funziona correttamente.
Per ora questo è quello che ho realizzato.Grazie
ho rimesso su breadboard la parte relativa alla grafica.Con il partitore potenziometrico tutti i led si accendono ad 1,26 volt.
Come posso dimensionare adesso in modo opportuno, il circuito di preamp a transistor postatomi precedentemente,in modo tale da parlare nel microfono e visualizzare l'illuminazione dei 10 led?ho provato con i valori dell'immagine,ma non funziona correttamente.
Per ora questo è quello che ho realizzato.Grazie
-

elettrokimbo
22 1 4 - Frequentatore

- Messaggi: 156
- Iscritto il: 7 dic 2011, 23:45
Torna a Elettronica e spettacolo
Chi c’è in linea
Visitano il forum: Nessuno e 9 ospiti

Elettrotecnica e non solo (admin)
Un gatto tra gli elettroni (IsidoroKZ)
Esperienza e simulazioni (g.schgor)
Moleskine di un idraulico (RenzoDF)
Il Blog di ElectroYou (webmaster)
Idee microcontrollate (TardoFreak)
PICcoli grandi PICMicro (Paolino)
Il blog elettrico di carloc (carloc)
DirtEYblooog (dirtydeeds)
Di tutto... un po' (jordan20)
AK47 (lillo)
Esperienze elettroniche (marco438)
Telecomunicazioni musicali (clavicordo)
Automazione ed Elettronica (gustavo)
Direttive per la sicurezza (ErnestoCappelletti)
EYnfo dall'Alaska (mir)
Apriamo il quadro! (attilio)
H7-25 (asdf)
Passione Elettrica (massimob)
Elettroni a spasso (guidob)
Bloguerra (guerra)


