Cos'è ElectroYou | Login Iscriviti

ElectroYou - la comunità dei professionisti del mondo elettrico

Sensore di corrente con ACS712

Sensori, trasduttori, regolatori...
9
voti

[21] Re: Sensore di corrente con ACS712

Messaggioda Foto UtenteBrunoValente » 24 dic 2011, 20:22

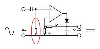
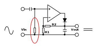
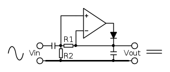
Faccio notare che il rivelatore così modificato diventa un circuitino niente male.



Condizione che assicura IN+ sempre positivo \[R_{2}\geqslant R_{1}\]
\[V_{OUT}=V_{IN(picco)}\left ( \frac{R_{2}}{R_{1}}+1 \right )\]

Correggetemi se sbaglio ma non mi sembra si sia mai visto.
Rivela il segnale e contemporaneamente amplifica la tensione continua rivelata, mi ricorda i vecchi ricevitori reflex :-)
Scegliendo opportunamente R1 e R2 si può amplificare quanto si vuole riuscendo a rivelare segnali deboli, il tutto con un solo operazionale e un solo diodo...davvero simpatico :-)
Avatar utente
Foto UtenteBrunoValente
39,6k 7 11 13
G.Master EY
G.Master EY
 
Messaggi: 7796
Iscritto il: 8 mag 2007, 14:48

0
voti

[22] Re: Sensore di corrente con ACS712

Messaggioda Foto Utentesimo85 » 25 dic 2011, 0:43

BrunoValente ha scritto:non mi sembra si sia mai visto.

Se non ricordo male ho visto schemi di raddrizzatori di precisione che svolgevano la stessa funzione e venivano usati due operazionali, ma amplificatore e raddrizzatore 2 in 1 no come il tuo mi sembra di no :-)

Ciao
Avatar utente
Foto Utentesimo85
30,9k 7 12 13
Disattivato su sua richiesta
 
Messaggi: 9927
Iscritto il: 30 ago 2010, 4:59

0
voti

[23] Re: Sensore di corrente con ACS712

Messaggioda Foto Utentesimo85 » 25 dic 2011, 1:12

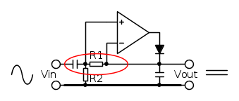
Ciao Foto UtenteBrunoValente, ti chiedo scusa ma mi è venuto un piccolo dubbio osservando lo schema. Nel collegamento cerchiato in rosso c'è qualcosa che non mi è chiaro



Perché l'ingresso invertente non è collegato tra R1 ed R2. Per il momento il funzionamento mi è più chiaro così, almeno per me



O_/
Avatar utente
Foto Utentesimo85
30,9k 7 12 13
Disattivato su sua richiesta
 
Messaggi: 9927
Iscritto il: 30 ago 2010, 4:59

0
voti

[24] Re: Sensore di corrente con ACS712

Messaggioda Foto Utentebigjump » 25 dic 2011, 2:02

Ciao Brunovalente,
Ho provato lo modifica che suggerisci e se con lo schema originale in assenza di carico misuravo circa 20mV, adesso me ne trovo 200.
Con un carico di 100w misuro 1,7V e con 200w circa 3V
Ho usato una resistenza da 470k per R2 e da 10k per R1

@ gohan
Ho provato anche con la variante che hai postato, ma con gli stessi valori per R1 e R2 misuro sempre circa 3,5v sia in assenza di carico che con.
Avatar utente
Foto Utentebigjump
45 4
 
Messaggi: 39
Iscritto il: 20 nov 2011, 11:37

3
voti

[25] Re: Sensore di corrente con ACS712

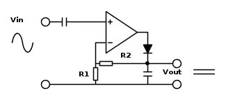
Messaggioda Foto UtenteBrunoValente » 25 dic 2011, 2:02

Ciao Foto Utentesimo85,
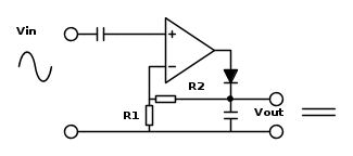
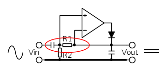
Il tuo per funzionare ha bisogno di un'altra resistenza:



ma comunque ha l'inconveniente che sull'ingresso non invertente la semionda negativa del segnale di ingresso va sotto zero e questo è un problema se l'operazionale è a singola alimentazione, proprio per questo nella versione originale di Foto UtenteDirtyDeeds c'è il diodo.

Il mio, a me pare che funzioni. Provo a spiegare: la tensione di polarizzazione dell'ingresso non invertente si dovrebbe spostare automaticamente verso l'alto non appena viene applicato il segnale in ingresso e così il diodo non serve più.
Devi considerare che le due resistenze formano un partitore alimentato dalla tensione di uscita e che la corrente del partitore non può fluire verso il generatore di ingresso perché in serie all'ingresso c'è un condensatore.
La componente continua di tensione del nodo dove si collegano R1, R2 e il condensatore dipende quindi dal rapporto di partizione e le cose vanno in modo che su R1 cade una tensione continua pari al valore di picco del segnale di ingresso. Di conseguenza, siccome la corrente di R1 scorre tutta in R2, su R2 cadrà una tensione proporzionale al valore di R2 e la tensione di uscita sarà pari alla somma tra le due tensioni VR1 e VR2.
Se la tensione continua su R1 fosse inferiore al valore di picco del segnale di ingresso vorrebbe dire che ad ogni cresta positiva del segnale di ingresso la tensione dell'ingresso non invertente supererebbe quella dell'ingresso invertente e quindi la tensione di uscita dell'operazionale salirebbe e attraverso il diodo caricherebbe il condensatore facendo aumentare di conseguenza la tensione su R1. Questo continuerebbe fino a quando quest'ultima non avrebbe raggiunto un valore pari al valore di picco del segnale di ingresso.
Domani se ho tempo lo provo.
Avatar utente
Foto UtenteBrunoValente
39,6k 7 11 13
G.Master EY
G.Master EY
 
Messaggi: 7796
Iscritto il: 8 mag 2007, 14:48

0
voti

[26] Re: Sensore di corrente con ACS712

Messaggioda Foto UtenteBrunoValente » 25 dic 2011, 2:07

bigjump ha scritto:Ciao Brunovalente,
Ho provato lo modifica che suggerisci e se con lo schema originale in assenza di carico misuravo circa 20mV, adesso me ne trovo 200.
Con un carico di 100w misuro 1,7V e con 200w circa 3V
Ho usato una resistenza da 470k per R2 e da 10k per R1

@ gohan
Ho provato anche con la variante che hai postato, ma con gli stessi valori per R1 e R2 misuro sempre circa 3,5 V sia in assenza di carico che con.

Leggo adesso il tuo messaggio.
Quindi, se capisco bene, il mio funziona.
Quello di Foto Utentesimo85 non può funzionare senza resistenza come ho detto.
Avatar utente
Foto UtenteBrunoValente
39,6k 7 11 13
G.Master EY
G.Master EY
 
Messaggi: 7796
Iscritto il: 8 mag 2007, 14:48

0
voti

[27] Re: Sensore di corrente con ACS712

Messaggioda Foto Utentesimo85 » 25 dic 2011, 2:12

OK grazie mille Foto UtenteBrunoValente, sia per la correzione che per la spiegazione, sei stato molto gentile.

Ora l'ho letta velocemente per forza di cose. Appena ho tempo me lo approfondisco magari con un ripasso sull'analisi delle correnti, che forse è quello che mi ha confuso..

O_/
Avatar utente
Foto Utentesimo85
30,9k 7 12 13
Disattivato su sua richiesta
 
Messaggi: 9927
Iscritto il: 30 ago 2010, 4:59

2
voti

[28] Re: Sensore di corrente con ACS712

Messaggioda Foto UtenteDirtyDeeds » 25 dic 2011, 22:39

Il circuito di Foto UtenteBrunoValente è interessante, ma ammetto che la sua analisi mi mette un po' in difficoltà: in particolare, nelle condizioni in cui il diodo è interdetto si ha una trasmissione diretta tra l'ingresso e l'uscita.

Per Foto Utentesimo85: sì, ci sono raddrizzatori di precisione a due opamp, però richiedono l'uso di un'alimentazione duale. Poi, per l'applicazione richiesta non serve precisione.
It's a sin to write sin instead of \sin (Anonimo).
...'cos you know that cos ain't \cos, right?
You won't get a sexy tan if you write tan in lieu of \tan.
Take a log for a fireplace, but don't take log for \logarithm.
Avatar utente
Foto UtenteDirtyDeeds
55,9k 7 11 13
G.Master EY
G.Master EY
 
Messaggi: 7012
Iscritto il: 13 apr 2010, 16:13
Località: Somewhere in nowhere

2
voti

[29] Re: Sensore di corrente con ACS712

Messaggioda Foto UtenteBrunoValente » 26 dic 2011, 12:23

DirtyDeeds ha scritto:Il circuito di Foto UtenteBrunoValente è interessante, ma ammetto che la sua analisi mi mette un po' in difficoltà: in particolare, nelle condizioni in cui il diodo è interdetto si ha una trasmissione diretta tra l'ingresso e l'uscita.

Cosa intendi per "trasmissione diretta tra l'ingresso e l'uscita"? non credo l'ingresso possa avere effetti diretti sull'uscita, se è questo che intendi, essendo accoppiato in alternata ed essendo l'uscita fortemente cortocircuitata per l'alternata.
A regime Il condensatore d'uscita si carica attraverso il diodo con degli strettissimi impulsi in prossimità dell'apice positivo del segnale di ingresso e e si scarica debolmente attraverso R1 e R2 per tutto il resto del periodo, il fatto che sulla corrente di scarica vi sia sovrapposto il segnale di ingresso che varia rapidamente rispetto alla costante di tempo in gioco C(R1+R2) dovrebbe essere ininfluente.
Avatar utente
Foto UtenteBrunoValente
39,6k 7 11 13
G.Master EY
G.Master EY
 
Messaggi: 7796
Iscritto il: 8 mag 2007, 14:48

2
voti

[30] Re: Sensore di corrente con ACS712

Messaggioda Foto UtenteDirtyDeeds » 27 dic 2011, 1:43

BrunoValente ha scritto:non credo l'ingresso possa avere effetti diretti sull'uscita, se è questo che intendi, essendo accoppiato in alternata ed essendo l'uscita fortemente cortocircuitata per l'alternata.


In realtà, un po' ne ha. Il motivo è che il condensatore sull'uscita si scarica attraverso R1, ma la corrente di scarica dipende dalla tensione di ingresso.

Nella figura sotto ho messo il risultato di una simulazione del circuito fatta con LTSpice, usando come integrato l'LT1179 alimentato a 5 V e mettendo una tensione di ingresso sinusoidale di 1 V di picco, senza continua.

peak_detector.jpg
peak_detector.jpg (77.08 KiB) Osservato 5445 volte


In rosso c'è il segnale di ingresso, in verde quello di uscita e in blu la corrente nel diodo. Come si vede, il diodo conduce ogni tre periodi. Se si guarda meglio la tensione di uscita si vede la figura seguente:

peak_detector_2.jpg
peak_detector_2.jpg (45.74 KiB) Osservato 5445 volte


Nella fase di scarica la corrente in R1 è la sovrapposizione di una rampa con una corrente sinusoidale: quando la tensione su R1 cambia segno, l'opamp fa entrare D1 in conduzione, caricando il condensatore.

Comunque, complimenti Foto UtenteBrunoValente, bel circuito =D>
It's a sin to write sin instead of \sin (Anonimo).
...'cos you know that cos ain't \cos, right?
You won't get a sexy tan if you write tan in lieu of \tan.
Take a log for a fireplace, but don't take log for \logarithm.
Avatar utente
Foto UtenteDirtyDeeds
55,9k 7 11 13
G.Master EY
G.Master EY
 
Messaggi: 7012
Iscritto il: 13 apr 2010, 16:13
Località: Somewhere in nowhere

PrecedenteProssimo

Torna a Sensoristica

Chi c’è in linea

Visitano il forum: Nessuno e 10 ospiti