Ho un piccolo dubbio su un componente che mi è stato consigliato da un rivenditore di materiale elettronico.
Dunque, avevo la necessità di sostituire due transistor NPN di tipo Darlington, modello D1113(k) della Hitachi.
Purtroppo, questi transistor sono particolarmente vecchiotti e venivano usati durante gli anni ottanta come transistori di potenza nelle centraline dei motori.
(Il datasheet è disponibile a questo link: http://www.datasheetcatalog.org/datashe ... Xwuvvw.pdf)
Il rivenditore mi ha consigliato come possibile sostituto un Mosfet IRF740 (il datasheet è qui: http://www.datasheetcatalog.org/datashe ... h4ek3y.pdf)
Arrivato a casa e consultato il datasheet, ho realizzato che i due componenti non sono per nulla uguali.
Secondo voi, va bene lo stesso? Sono io che mi sto sbagliando?
Uno ha base, collettore e emittitore, l'altro, invece, gain, source e drain.
Possono essere considerati equivalenti?
Equivalenza Darlington NPN e MOSFET
Moderatori:
carloc,
g.schgor,
BrunoValente,
IsidoroKZ
34 messaggi
• Pagina 1 di 4 • 1, 2, 3, 4
0
voti
Senza un schema elettrico è difficile rispondere.
Posta lo schema del circuito (disegnato con fidocadj) dove è presente il darlington in modo da vedere se è possibile sostituirlo con un mosfet.
Posta lo schema del circuito (disegnato con fidocadj) dove è presente il darlington in modo da vedere se è possibile sostituirlo con un mosfet.
"La follia sta nel fare sempre la stessa cosa aspettandosi risultati diversi".
"Parla soltanto quando sei sicuro che quello che dirai è più bello del silenzio".
Rispondere è cortesia, ma lasciare l'ultima parola ai cretini è arte.
"Parla soltanto quando sei sicuro che quello che dirai è più bello del silenzio".
Rispondere è cortesia, ma lasciare l'ultima parola ai cretini è arte.
-

TardoFreak
73,9k 8 12 13 - -EY Legend-

- Messaggi: 15754
- Iscritto il: 16 dic 2009, 11:10
- Località: Torino - 3° pianeta del Sistema Solare
0
voti
@
TardoFreak: non posso postare il circuito perché il darlington è presente all'interno di una centralina di un motore degli anni 80 ed è quindi quasi interamente resinato.
Il darlington non dovrebbe far altro che gestire la carica e scarica di un condensatore tramite il segnale di riferimento proveniente dal pick-up presente sullo statore.
Lo schema preciso del circuito non posso recuperarlo, però, dato che per togliere la resina richierei di distruggere tutto.
@
alev: Possibili candidati, di cui sono riuscito a trovare il datasheet online, sono il 2SD1088 e 2SD1071. Il problema resta sempre la difficoltà a reperirlo tramite il rivenditore locale; sarebbe più facile se si potessero prendere online.
Il darlington non dovrebbe far altro che gestire la carica e scarica di un condensatore tramite il segnale di riferimento proveniente dal pick-up presente sullo statore.
Lo schema preciso del circuito non posso recuperarlo, però, dato che per togliere la resina richierei di distruggere tutto.
@
-

marcusbarnet
19 2 - New entry

- Messaggi: 94
- Iscritto il: 12 dic 2011, 21:54
0
voti
@alev: sono riuscito a trovare il 2SD1088 da ebay UK, gli altri sembrano proprio irrecuperabili. 
-

marcusbarnet
19 2 - New entry

- Messaggi: 94
- Iscritto il: 12 dic 2011, 21:54
0
voti
Non capisco, se dici che
allora puoi sostituirli e non puoi ricavare il circuito? Davvero curioso.
La cross-reference indica i componenti equivalenti eventualmente con qualche differenza non vincolante; devi verificare co i rispettivi datasheet e, comunque, senza schema del circuito, non se ne fa nulla.
Per acquistare on-line, cerca con google:
Distrelec
Farnell
Rs-online
Dunque, avevo la necessità di sostituire due transistor NPN di tipo Darlington
allora puoi sostituirli e non puoi ricavare il circuito? Davvero curioso.
La cross-reference indica i componenti equivalenti eventualmente con qualche differenza non vincolante; devi verificare co i rispettivi datasheet e, comunque, senza schema del circuito, non se ne fa nulla.
Per acquistare on-line, cerca con google:
Distrelec
Farnell
Rs-online
0
voti
alev ha scritto:Non capisco, se dici cheDunque, avevo la necessità di sostituire due transistor NPN di tipo Darlington
allora puoi sostituirli e non puoi ricavare il circuito? Davvero curioso.
Il circuito è quasia interamente resinato, ho dissaldato i due transistori darligton con molta fatica e solo perché erano vicino ai connettori che non sono resinati.
Li ho testati e entrambi non funzionano correttamente.
Il funzionamento del circuito è abbastanza semplice: vi è l'alimentazione di 12V DC proveniente dalla batteria, due ingressi - uno per pickup - che portano il segnale di temporizzazione per far scoccare la scintilla e due uscite che, per l'appunto, vanno ad alimentare le due candele.
I due darlington sono gli interruttori delle candele: hanno un morsetto sull'uscita che va alla candela, un altro collegato al segnale di ingresso proveniente dal pick-up e l'altro è GND.
Nel circuito è presente anche un integrato, ma è resinato e non posso ricavarne le piste; ad ogni modo, il circuito gestisce anche l'impianto luminoso della moto, ovviamente, non tramite i due darlington.
-

marcusbarnet
19 2 - New entry

- Messaggi: 94
- Iscritto il: 12 dic 2011, 21:54
0
voti
marcusbarnet ha scritto:Il funzionamento del circuito è abbastanza semplice: vi è l'alimentazione di 12 V DC proveniente dalla batteria, due ingressi - uno per pickup - che portano il segnale di temporizzazione per far scoccare la scintilla e due uscite che, per l'appunto, vanno ad alimentare le due candele.
I due darlington sono gli interruttori delle candele: hanno un morsetto sull'uscita che va alla candela, un altro collegato al segnale di ingresso proveniente dal pick-up e l'altro è GND.
Nel circuito è presente anche un integrato, ma è resinato e non posso ricavarne le piste; ad ogni modo, il circuito gestisce anche l'impianto luminoso della moto, ovviamente, non tramite i due darlington.
Allora, a parte l'integrato che non ti sembra influente, puoi fare uno schema in FidoCadJ con le rimanenti parti? Gli elementi, mi pare di capire, ci sono, tuttavia con uno schema davanti si capisce tutto mooolto meglio.
0
voti
Non è che mi sembra non influente, è che in ogni caso:
Provvedo a postare lo schema con FidoCadJ in base a quanto riesco a reperire dal circuito.
- Non ho la possibilità di accedervi data la resina
- Anche se fosse, non ho modo di verificarne la correttezza del funzionamento dato che non ho idea di cosa ci sia caricato
- L'unico modo per testare il tutto che mi viene in mente è sostituire i darlington e verificare direttamente il circuito
Provvedo a postare lo schema con FidoCadJ in base a quanto riesco a reperire dal circuito.
-

marcusbarnet
19 2 - New entry

- Messaggi: 94
- Iscritto il: 12 dic 2011, 21:54
0
voti
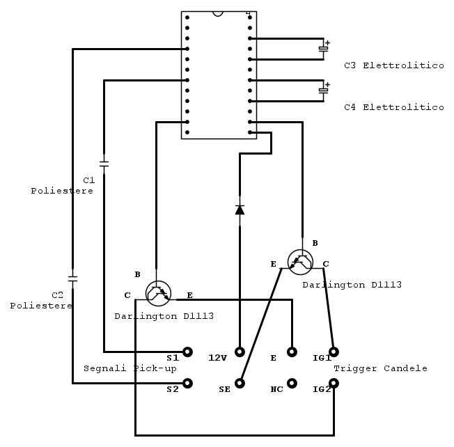
Ecco lo schema con FidoCadJ, purtroppo è solo una bozza dato che non ho proprio la possibilità di riprodurre interamente il circuito a causa della resina.
Riesco a individuare due altri condensatori di tipo ceramico e due resistenze, ma non riesco a capire dove sono collegate dato che le piste non si vedono.
L'integrato ha un codice stampato sopra ma, anche qui, non si riesce a leggere.
Probabilmente, la sua funzione è quella di implementare delle politiche per la temporizzazione dei segnali del pickup in ingresso tramite la carica/scarica dei due condensatori elettrolitici inviando poi il segnale in ingresso ai due Darlington (Almeno, secondo me).
Il problema era che la centralina non faceva più scoccare la scintilla, una volta testati i due darlington ho constatato che non funzionavano più.
Da quello che posso vedere, sempre data la resina, i condensatori non perdono e sono integri.
Il diodo D1 funziona, i due resistori anche; non ci sono altri componenti a parte l'integrato.
P.S. Molto comodo FidoCadJ!! Risolve un sacco di problemi ed è chiaro!
Riesco a individuare due altri condensatori di tipo ceramico e due resistenze, ma non riesco a capire dove sono collegate dato che le piste non si vedono.
L'integrato ha un codice stampato sopra ma, anche qui, non si riesce a leggere.
Probabilmente, la sua funzione è quella di implementare delle politiche per la temporizzazione dei segnali del pickup in ingresso tramite la carica/scarica dei due condensatori elettrolitici inviando poi il segnale in ingresso ai due Darlington (Almeno, secondo me).
Il problema era che la centralina non faceva più scoccare la scintilla, una volta testati i due darlington ho constatato che non funzionavano più.
Da quello che posso vedere, sempre data la resina, i condensatori non perdono e sono integri.
Il diodo D1 funziona, i due resistori anche; non ci sono altri componenti a parte l'integrato.
P.S. Molto comodo FidoCadJ!! Risolve un sacco di problemi ed è chiaro!
-

marcusbarnet
19 2 - New entry

- Messaggi: 94
- Iscritto il: 12 dic 2011, 21:54
34 messaggi
• Pagina 1 di 4 • 1, 2, 3, 4
Chi c’è in linea
Visitano il forum: Nessuno e 89 ospiti

Elettrotecnica e non solo (admin)
Un gatto tra gli elettroni (IsidoroKZ)
Esperienza e simulazioni (g.schgor)
Moleskine di un idraulico (RenzoDF)
Il Blog di ElectroYou (webmaster)
Idee microcontrollate (TardoFreak)
PICcoli grandi PICMicro (Paolino)
Il blog elettrico di carloc (carloc)
DirtEYblooog (dirtydeeds)
Di tutto... un po' (jordan20)
AK47 (lillo)
Esperienze elettroniche (marco438)
Telecomunicazioni musicali (clavicordo)
Automazione ed Elettronica (gustavo)
Direttive per la sicurezza (ErnestoCappelletti)
EYnfo dall'Alaska (mir)
Apriamo il quadro! (attilio)
H7-25 (asdf)
Passione Elettrica (massimob)
Elettroni a spasso (guidob)
Bloguerra (guerra)
