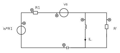
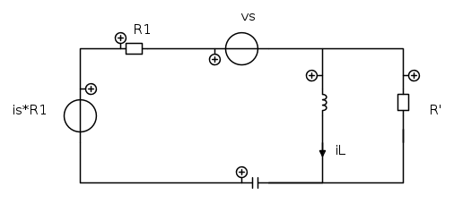
Il circuito da considerare è il seguente:
La corrente
può essere determinata risolvendo il seguente problema di Cauchy:
Lo script Matlab per il calcolo della corrente iL sulla base dei parametri del circuito e dei generatori di corrente (iis) e di tensione (vvs) è il seguente:
- Codice: Seleziona tutto
clc, close all, clear all;
% inizializzazione generatori
iis = @(t) sin(2*pi*t); % gen. corrente
vvs = @(t) sin(2*pi*t); % gen. tensione
% parametri bipoli
R1 = 2;
C = 1;
L = 1;
R2 = 5;
% parametri del doppio bipolo
R11 = 1;
R12 = 2;
R21 = R12;
R22 = 1;
R_prime = R11 - (R12*R21)/(R2+R22);
% coefficienti ausiliari
A = L*C*(R_prime+R1);
B = (R_prime*R1*C+L);
AA = R_prime*R1*C;
BB = R_prime*C;
% ATTENZIONE: AA * d(iis)/dt <<<.>>> BB * d(vvs)/dt
y0_prime = ((R_prime)/(R1+R_prime))*(R1*iis(0)-vvs(0))*1/L;
y = dsolve(['D2y*',num2str(A),'+Dy*',num2str(B),'+y*',num2str(R_prime),' = ',num2str(AA),'*2*pi*cos(2*pi*t) -', num2str(BB),'*2*pi*cos(2*pi*t)'],...
'y(0) = 0', ['Dy(0) =',num2str(y0_prime)]);
% plot della corrente iL(t)
syms t;
x = (0:0.01:50);
P = subs(y,t,x);
plot(x,P)
xlabel('tempo [s]');
ylabel('corrente iL(t) [A]');
grid on;
Esempio applicativo:
Dati:

Eseguendo lo script si ottiene il seguente andamento temporale:

Elettrotecnica e non solo (admin)
Un gatto tra gli elettroni (IsidoroKZ)
Esperienza e simulazioni (g.schgor)
Moleskine di un idraulico (RenzoDF)
Il Blog di ElectroYou (webmaster)
Idee microcontrollate (TardoFreak)
PICcoli grandi PICMicro (Paolino)
Il blog elettrico di carloc (carloc)
DirtEYblooog (dirtydeeds)
Di tutto... un po' (jordan20)
AK47 (lillo)
Esperienze elettroniche (marco438)
Telecomunicazioni musicali (clavicordo)
Automazione ed Elettronica (gustavo)
Direttive per la sicurezza (ErnestoCappelletti)
EYnfo dall'Alaska (mir)
Apriamo il quadro! (attilio)
H7-25 (asdf)
Passione Elettrica (massimob)
Elettroni a spasso (guidob)
Bloguerra (guerra)


non è
in quanto l'induttore e il resistore non sono in serie... 




;
e la sostituisco nella (1)... infine, dovrsti ottenere il mio stesso risultato!
non dovrebbe essere
??
per indicare la moltiplicazione poiché quel simbolo solitamente viene adoperato per indicare il prodotto di convoluzione!
la corrente che attraversa il resistore