Cos'è ElectroYou | Login Iscriviti

ElectroYou - la comunità dei professionisti del mondo elettrico

Variare il colore a led rgb tramite potenziometro

Elettronica lineare e digitale: didattica ed applicazioni

Moderatori: Foto Utentecarloc, Foto Utenteg.schgor, Foto UtenteBrunoValente, Foto UtenteIsidoroKZ

0
voti

[31] Re: Variare il colore a led rgb tramite potenziometro

Messaggioda Foto Utentesimo85 » 8 gen 2012, 21:56

kristian ha scritto:i led sono a catodo comune

Allora ti serve un buffer current source driver. Per il momento mi viene in mente l'UDN2981, o usare una coppia NMOS - PMOS o NPN - PNP per ogni PWM output..
Tieni in conto che i LED RGB non li puoi collegare in serie, ma solo in parallelo..
per le specifiche su tensione e corrente non so

Allora conviene riparlarne quando si hanno questi dati in mano..

Ciao
Avatar utente
Foto Utentesimo85
30,9k 7 12 13
Disattivato su sua richiesta
 
Messaggi: 9927
Iscritto il: 30 ago 2010, 4:59

0
voti

[32] Re: Variare il colore a led rgb tramite potenziometro

Messaggioda Foto Utentesimo85 » 8 gen 2012, 22:00

Mi correggo perché a pensarci bene il 555 arriva fino \approx 200mA di current source..
Comunque serve sapere quanti LED sono e le altre caratteristiche prima di trovare una soluzione finale.

Ciao
Avatar utente
Foto Utentesimo85
30,9k 7 12 13
Disattivato su sua richiesta
 
Messaggi: 9927
Iscritto il: 30 ago 2010, 4:59

0
voti

[33] Re: Variare il colore a led rgb tramite potenziometro

Messaggioda Foto Utentekristian » 8 gen 2012, 22:50

Allora facciamo così per ora consideriamo un solo led rgb, io lo alimento a 2V/30mA per il rosso, 3V/30mA per verde e blu
Avatar utente
Foto Utentekristian
16 1 7
Frequentatore
Frequentatore
 
Messaggi: 214
Iscritto il: 29 nov 2011, 19:26

2
voti

[34] Re: Variare il colore a led rgb tramite potenziometro

Messaggioda Foto Utentesimo85 » 9 gen 2012, 0:29

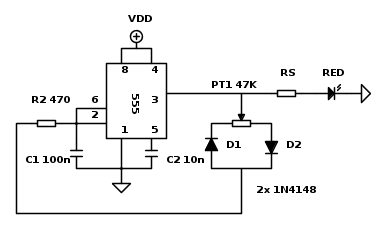
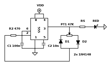
Lo schema di principio per ogni driver PWM da collegare all' anodo (nell'esempio ho messo quello per il colore rosso) è questo


Per
V_\text{F} = 2\text{V}
I_\text{F} = 30\text{mA}

R_\text{S} = \frac{V_\text{OH(555)} - V_\text{F}}{I_\text{F}}

La {V_\text{OH(555)} dipende dalla tensione di alimentazione V_\text{DD} del 555, che può essere dai 4.5V ai 18V.

Se ti interessa conoscere il funzionamento del circuito puoi leggere questo thread.

Ciao
Avatar utente
Foto Utentesimo85
30,9k 7 12 13
Disattivato su sua richiesta
 
Messaggi: 9927
Iscritto il: 30 ago 2010, 4:59

0
voti

[35] Re: Variare il colore a led rgb tramite potenziometro

Messaggioda Foto Utentekristian » 9 gen 2012, 0:59

Non riesco a capire alcune cose, per esempio inizialmente il condensatore è scarico, questo determina un 1 logico al piedino 3 e allo stesso tempo il condensatore si carica, secondo un tempo pari a (pt1+470)*100nF. Nel momento in cui il condensatore raggiunge i 2/3 di Vcc l'uscita va a massa e il condensatore si scarica sulla 470, il che è molto veloce, quasi immediato, e subito si ripete la situazione di prima, cioè l'uscita va a livello logico alto.
Ma per questo tempo t molto piccolo io non vedro il led spegnersi giusto?
Variando il potenziometro agisco sul duty cycle e aumento la resistenza verso il led limitandone la corrente. è giusto questo? Non ho capito a che serve il diodo d1. Grazie per tutto.
Avatar utente
Foto Utentekristian
16 1 7
Frequentatore
Frequentatore
 
Messaggi: 214
Iscritto il: 29 nov 2011, 19:26

0
voti

[36] Re: Variare il colore a led rgb tramite potenziometro

Messaggioda Foto UtenteTardoFreak » 9 gen 2012, 1:12

Mettiamola così: quando l' uscita "va in su" lavora D2 quindi il ramo destro del potenziometro, mentre quando l' uscita "va in giu" lavora D1 e quindi il lato sinistro del potenziometro.
"La follia sta nel fare sempre la stessa cosa aspettandosi risultati diversi".
"Parla soltanto quando sei sicuro che quello che dirai è più bello del silenzio".
Rispondere è cortesia, ma lasciare l'ultima parola ai cretini è arte.
Avatar utente
Foto UtenteTardoFreak
73,9k 8 12 13
-EY Legend-
-EY Legend-
 
Messaggi: 15754
Iscritto il: 16 dic 2009, 11:10
Località: Torino - 3° pianeta del Sistema Solare

2
voti

[37] Re: Variare il colore a led rgb tramite potenziometro

Messaggioda Foto Utentesimo85 » 9 gen 2012, 1:26

kristian ha scritto:Ma per questo tempo t molto piccolo io non vedro il led spegnersi giusto?

Giusto. Non lo vedi. Quello che vedi è una luminosità proporzionale al duty cycle.
Variando il potenziometro agisco sul duty cycle e aumento la resistenza verso il led limitandone la corrente. è giusto questo?

Non aumenti la resistenza verso il LED. La corrente vista dal LED è uguale a

I_\text{LED} = I_\text{F} \cdot \text{Duty Cycle}

Che infine è la corrente media.

Non ho capito a che serve il diodo d1

D1 serve a scaricare il condensatore attraverso il ramo di sinistra del potenziometro quando la tensione di output del 555 va a stato logico basso. D2 al contrario come si vede dalla rappresentazione



Ciao
Avatar utente
Foto Utentesimo85
30,9k 7 12 13
Disattivato su sua richiesta
 
Messaggi: 9927
Iscritto il: 30 ago 2010, 4:59

0
voti

[38] Re: Variare il colore a led rgb tramite potenziometro

Messaggioda Foto Utentekristian » 9 gen 2012, 17:44

ma scusa non si potrebbero togliere i due diodi e lasciare solo uno dei due terminali esterni collegato alla 470 e quello centrale all'uscita... non riesco a capire che cosa cambia tra questa soluzione e quella di un potenziometro collegato in serie alla resistenza di protezione collegata al led.
grazie mille per le tue spiegazione chiare
Avatar utente
Foto Utentekristian
16 1 7
Frequentatore
Frequentatore
 
Messaggi: 214
Iscritto il: 29 nov 2011, 19:26

2
voti

[39] Re: Variare il colore a led rgb tramite potenziometro

Messaggioda Foto Utentemarco438 » 9 gen 2012, 17:56

Mi pare che [user]gohan[/user] te lo abbia appena spiegato.
marco
Avatar utente
Foto Utentemarco438
37,1k 7 11 13
-EY Legend-
-EY Legend-
 
Messaggi: 16323
Iscritto il: 24 mar 2010, 15:09
Località: Versilia

0
voti

[40] Re: Variare il colore a led rgb tramite potenziometro

Messaggioda Foto Utentesimo85 » 9 gen 2012, 18:03

Senza diodi non funziona, non puoi regolare i duty cycle etc. I diodi non sono li per bellezza..
Avatar utente
Foto Utentesimo85
30,9k 7 12 13
Disattivato su sua richiesta
 
Messaggi: 9927
Iscritto il: 30 ago 2010, 4:59

PrecedenteProssimo

Torna a Elettronica generale

Chi c’è in linea

Visitano il forum: Nessuno e 167 ospiti