Ma non e' possibile sapere che tipo di dispositivo e' e a cosa serve? O e' un segreto militare?
Se non riusciamo a capire come e di che tipo sono gli impulsi generati, e' inutile continuare a fare supposizioni.
Timer relay
Moderatori:
carloc,
g.schgor,
BrunoValente,
IsidoroKZ
40 messaggi
• Pagina 2 di 4 • 1, 2, 3, 4
0
voti
[13] Re: Timer relay
non so come funziona figurati lo schema con fidocad...come faccio? comunque è un dispositivo che ha realizzato un mio amico riguarda sensori di movimento per la videosorveglianza...sono 6 sensori...l'uscita che ha a 12 volt è un controllo remoto per un faro a qualcosa di simile a me serve invece che questo disattivi un faro e si riattivi 10 secondi dopo che non rileva più presenza (un mio esperimento)...ecco spiegato l'arcano mistero...in uscita ai 12 volt vedo che c'è il BC517 sul negativo...quindi da questo presumo che sia il negativo a creare l'impulso vero e proprio e il positivo è diretto in uscita....
1
voti
[14] Re: Timer relay
peppe91 ha scritto:non so come funziona figurati lo schema con fidocad...come faccio?
Semplice. Non fai niente se non lo vuoi fare..
è un dispositivo che ha realizzato un mio amico ... ecco spiegato l'arcano mistero
E ci voleva tanto? Cosa dice il tuo amico a riguardo?
Ciao
0
voti
[16] Re: Timer relay
alev ha scritto:Forse, l'amico dipeppe91, quando ha cominciato a non raccapezzarsi gli ha suggerito di rivolgersi qui
a dire il vero quando ho cominciato io a non capirci niente mi sono rivolto a voi...XD vi giuro che non ci sto capendo più niente...lui lo ha realizzato con uno schema che gli aveva fatto qualcuno...non so chi....tra l'altro non trova più lo schema...l'unica cosa che sa dirmi è che c'è sto BC517 all'uscita...ma quello lo avevo visto anche io...bhoooo....il monostabile va sul positivo con il negativo in comune....non c'è una soluzione con un positivo comune e un monostabile sul negativo?
1
voti
[17] Re: Timer relay
Ma non riesci nemmeno a fare un paio di misure? Se non ci dai le info, è dura! La sfera di cristallo
webmaster non l'ha ancora integrata! FidoCadJ, invece sì 
Ciao.
Paolo.
Ciao.
Paolo.
"Houston, Tranquillity Base here. The Eagle has landed." - Neil A.Armstrong
-------------------------------------------------------------
PIC Experience - http://www.picexperience.it
-------------------------------------------------------------
PIC Experience - http://www.picexperience.it
-

Paolino
32,6k 8 12 13 - G.Master EY

- Messaggi: 4226
- Iscritto il: 20 gen 2006, 11:42
- Località: Vigevano (PV)
0
voti
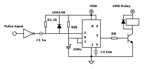
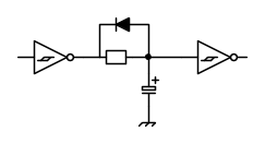
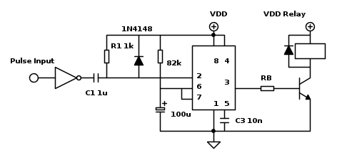
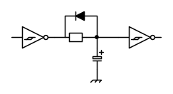
[18] Re: Timer relay
gohan ha scritto:Se non ho capito male ti serve un monostabile.
Questo va bene?
Non mi pare che vada bene perche` quel circuito si attiva per 10s dopo che e` arrivato l'impulso di ingresso. La richiesta e` che l'uscita si attivi appena arriva l'impulso di ingresso, e si disattivi 10s dopo che e` finito l'impulso. E` il comportamento che si chiama monostabile retriggerabile, mentre quello che hai fatto non e` retriggerabile.
Un possibile schema di principio potrebbe essere:
Che pero` ha anche un piccolo ritardo all'accensione (decina di millisecondi?)
Per usare proficuamente un simulatore, bisogna sapere molta più elettronica di lui
Plug it in - it works better!
Il 555 sta all'elettronica come Arduino all'informatica! (entrambi loro malgrado)
Se volete risposte rispondete a tutte le mie domande
Plug it in - it works better!
Il 555 sta all'elettronica come Arduino all'informatica! (entrambi loro malgrado)
Se volete risposte rispondete a tutte le mie domande
6
voti
[20] Re: Timer relay
Se ti riferisci alla mia risposta ignorala, e` per [user]gohan[/user], per te non ci sono soluzioni, non sai leggere e realizzare uno schema. L'unica possibilita` e` comprare un rele` temporizzato.
Per usare proficuamente un simulatore, bisogna sapere molta più elettronica di lui
Plug it in - it works better!
Il 555 sta all'elettronica come Arduino all'informatica! (entrambi loro malgrado)
Se volete risposte rispondete a tutte le mie domande
Plug it in - it works better!
Il 555 sta all'elettronica come Arduino all'informatica! (entrambi loro malgrado)
Se volete risposte rispondete a tutte le mie domande
40 messaggi
• Pagina 2 di 4 • 1, 2, 3, 4
Chi c’è in linea
Visitano il forum: Nessuno e 174 ospiti

Elettrotecnica e non solo (admin)
Un gatto tra gli elettroni (IsidoroKZ)
Esperienza e simulazioni (g.schgor)
Moleskine di un idraulico (RenzoDF)
Il Blog di ElectroYou (webmaster)
Idee microcontrollate (TardoFreak)
PICcoli grandi PICMicro (Paolino)
Il blog elettrico di carloc (carloc)
DirtEYblooog (dirtydeeds)
Di tutto... un po' (jordan20)
AK47 (lillo)
Esperienze elettroniche (marco438)
Telecomunicazioni musicali (clavicordo)
Automazione ed Elettronica (gustavo)
Direttive per la sicurezza (ErnestoCappelletti)
EYnfo dall'Alaska (mir)
Apriamo il quadro! (attilio)
H7-25 (asdf)
Passione Elettrica (massimob)
Elettroni a spasso (guidob)
Bloguerra (guerra)






