Avrei qualche domanda da fare a tutti voi cari colleghi.
Cos''è la tensione di contatto (Uc) ?
Definizione di massa.
La relazione tra corrente e corpo umano.
Cos'è un contatto indiretto.
Grazie!
Messa a terra
Moderatori:
g.schgor,
IsidoroKZ
7 messaggi
• Pagina 1 di 1
0
voti
colleghi? 

"La follia sta nel fare sempre la stessa cosa aspettandosi risultati diversi".
"Parla soltanto quando sei sicuro che quello che dirai è più bello del silenzio".
Rispondere è cortesia, ma lasciare l'ultima parola ai cretini è arte.
"Parla soltanto quando sei sicuro che quello che dirai è più bello del silenzio".
Rispondere è cortesia, ma lasciare l'ultima parola ai cretini è arte.
-

TardoFreak
73,9k 8 12 13 - -EY Legend-

- Messaggi: 15754
- Iscritto il: 16 dic 2009, 11:10
- Località: Torino - 3° pianeta del Sistema Solare
0
voti
la tensione di contatto Uc è la tensione alla quale viene sottoposto il corpo umano durante un guasto di isolamento per la massa questo articolo http://www.electroyou.it/isidorokz/wiki ... iferimento 

-

milan1996pato2
851 3 10 13 - Sostenitore

- Messaggi: 1062
- Iscritto il: 4 ago 2011, 17:42
0
voti
e qua gli effetti della corrente su corpo umano : http://www.itisap.com/%5CDocenti%5CCors ... oCampi.pdf 

-

milan1996pato2
851 3 10 13 - Sostenitore

- Messaggi: 1062
- Iscritto il: 4 ago 2011, 17:42
0
voti
Ciao, spero di non sbagliarmi...
Massa: parte conduttrice di un componente elettrico che può essere toccata, che non è in tensione in condizioni normali di funzionamento ma tale da poter andare in tensione in caso di cedimento dell'isolamento principale;
Contatto indiretto: situazione in cui si è a contatto con una massa in caso di guasto dell'isolamento principale;
Tensione di contatto: si definisce convenzionalmente per il contatto mano-piedi, ovvero la d.d.p. che si instaura tra la mano a contatto con la massa e i piedi a distanza di 1 m dalla proiezione verticale del punto considerato;
Se per relazione tra corrente e corpo umano intendi dire il valore della resistenza di quest'ultimo, ti posso dire che non è semplice da stabilire poiché dipende da numerosi fattori quali il percorso della corrente, stato della pelle ecc...
Massa: parte conduttrice di un componente elettrico che può essere toccata, che non è in tensione in condizioni normali di funzionamento ma tale da poter andare in tensione in caso di cedimento dell'isolamento principale;
Contatto indiretto: situazione in cui si è a contatto con una massa in caso di guasto dell'isolamento principale;
Tensione di contatto: si definisce convenzionalmente per il contatto mano-piedi, ovvero la d.d.p. che si instaura tra la mano a contatto con la massa e i piedi a distanza di 1 m dalla proiezione verticale del punto considerato;
Se per relazione tra corrente e corpo umano intendi dire il valore della resistenza di quest'ultimo, ti posso dire che non è semplice da stabilire poiché dipende da numerosi fattori quali il percorso della corrente, stato della pelle ecc...
-

Lele_u_biddrazzu
8.154 3 8 13 - Master EY

- Messaggi: 1288
- Iscritto il: 23 gen 2007, 16:13
- Località: Modena
0
voti
dal basso dei miei studi ho sempre trovato scritto
per la tensione di contatto.
Rappresenta quindi la tensione alla quale è soggetto il corpo umano in caso di guasto d'isolamento.
Il discorso si farebbe lungo, ma visto che li sto studiando, provo a buttare due righe:
In caso di un guasto dell'isolamento principale un apparecchio disperde una corrente
di guasto attraverso il suo dispersore di terra. Questo fa si che l'intero apparecchio, massa annessa, assume un potenziale facilmente calcolabile:

dove
prende il nome di tensione totale di terra.
Ipotizziamo ora che un signore vada accidentalmente a toccare questa massa durante il guasto.
(ipotizziamo un quindi un mondo senza int. differenziali
)
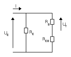
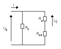
Nel momento in cui il signore tocca la massa la situazione può essere sintetizzata con questo schema:
allora:
è la resistenza del corpo umano.
è la resistenza di contatto piedi-pavimento (o piedi-terreno)
Quando la corrente fluisce attraverso il corpo umano, in prossimità dei piedi vi è quindi una caduta di tensione, è come se i piedi del malcapitato fungano da dispersori. La situazione quindi si presenta come un partitore di tensione e questo fa si che la tensione di contatto sia minore della tensione totale di terra. Ci sarebbe anche il caso di contatto in prossimità del dispersore di terra, ma ci dilungheremmo troppo.
C'è quindi da fare una considerazione sulla
del corpo umano. Come detto tale resistenza è di difficile individuazione, sia perché penso sia difficile trovare qualcuno disposto a fungere da cavia
, sia perché ammesso di trovare una coraggiosa cavia, il suo valore dipende dal percorso della corrente e da tanti altri fattori che variano da persona a persona (dovremmo vedere anche che tipo di scarpe indossa, la superficie dei piedi, l'umidità della pelle):
tali valori vengono stimati e si passa da
a più di
per tensioni pari a 220 V.
Pur se di difficile stima, la normativa deve in qualche modo definire un riferimento per questa resistenza, che ha stimato di
.
per la tensione di contatto.Rappresenta quindi la tensione alla quale è soggetto il corpo umano in caso di guasto d'isolamento.
Il discorso si farebbe lungo, ma visto che li sto studiando, provo a buttare due righe:
In caso di un guasto dell'isolamento principale un apparecchio disperde una corrente
di guasto attraverso il suo dispersore di terra. Questo fa si che l'intero apparecchio, massa annessa, assume un potenziale facilmente calcolabile:
dove
prende il nome di tensione totale di terra.Ipotizziamo ora che un signore vada accidentalmente a toccare questa massa durante il guasto.
(ipotizziamo un quindi un mondo senza int. differenziali
Nel momento in cui il signore tocca la massa la situazione può essere sintetizzata con questo schema:
allora:
è la resistenza del corpo umano.
è la resistenza di contatto piedi-pavimento (o piedi-terreno)Quando la corrente fluisce attraverso il corpo umano, in prossimità dei piedi vi è quindi una caduta di tensione, è come se i piedi del malcapitato fungano da dispersori. La situazione quindi si presenta come un partitore di tensione e questo fa si che la tensione di contatto sia minore della tensione totale di terra. Ci sarebbe anche il caso di contatto in prossimità del dispersore di terra, ma ci dilungheremmo troppo.
C'è quindi da fare una considerazione sulla
del corpo umano. Come detto tale resistenza è di difficile individuazione, sia perché penso sia difficile trovare qualcuno disposto a fungere da cavia tali valori vengono stimati e si passa da
a più di
per tensioni pari a 220 V.Pur se di difficile stima, la normativa deve in qualche modo definire un riferimento per questa resistenza, che ha stimato di
.
7 messaggi
• Pagina 1 di 1
Torna a Elettrotecnica generale
Chi c’è in linea
Visitano il forum: Nessuno e 109 ospiti

Elettrotecnica e non solo (admin)
Un gatto tra gli elettroni (IsidoroKZ)
Esperienza e simulazioni (g.schgor)
Moleskine di un idraulico (RenzoDF)
Il Blog di ElectroYou (webmaster)
Idee microcontrollate (TardoFreak)
PICcoli grandi PICMicro (Paolino)
Il blog elettrico di carloc (carloc)
DirtEYblooog (dirtydeeds)
Di tutto... un po' (jordan20)
AK47 (lillo)
Esperienze elettroniche (marco438)
Telecomunicazioni musicali (clavicordo)
Automazione ed Elettronica (gustavo)
Direttive per la sicurezza (ErnestoCappelletti)
EYnfo dall'Alaska (mir)
Apriamo il quadro! (attilio)
H7-25 (asdf)
Passione Elettrica (massimob)
Elettroni a spasso (guidob)
Bloguerra (guerra)


