
usa \prime
- Codice: Seleziona tutto
[tex]R^{\prime}[/tex]
o, per distanziare leggermente l'apice

- Codice: Seleziona tutto
[tex]R^{\,\prime}[/tex]
Moderatori:
g.schgor,
IsidoroKZ

[tex]R^{\prime}[/tex]

[tex]R^{\,\prime}[/tex]
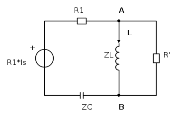
johnny90 ha scritto:...il mio problema è come al solito che matlab non riesce a risolvere il sistema di equazioni associato al circuito...cos'è che dimentico e che non fa risolvere il sistema?
![\left[\begin{array}{cc}
R_{1}+\frac{1}{j\omega C} & j\omega L\\
R^{\,\prime}\, & -\left(R^{\,\prime}+j\omega L\right)
\end{array}\right]\cdot\left[\begin{array}{c}
\dot{I}_{1}\\
\dot{I}_{L}
\end{array}\right]=\left[\begin{array}{c}
R_{1}\,\dot{I}_{s}-\dot{V}_{s}\\
0
\end{array}\right] \left[\begin{array}{cc}
R_{1}+\frac{1}{j\omega C} & j\omega L\\
R^{\,\prime}\, & -\left(R^{\,\prime}+j\omega L\right)
\end{array}\right]\cdot\left[\begin{array}{c}
\dot{I}_{1}\\
\dot{I}_{L}
\end{array}\right]=\left[\begin{array}{c}
R_{1}\,\dot{I}_{s}-\dot{V}_{s}\\
0
\end{array}\right]](/forum/latexrender/pictures/91f44f607c8951f742429fc5e50b4424.png)


syms r1 w c l r_primo i1 il is vs
b=1/(i*w*c)
A=[r1+b i*w*l;r_primo (-r_primo-i*w*l)]
B=[i1;il]
C=[r1*is-vs;0]
funzione=(A*B)-C
dovrei semplicemente fare funzione.il

quando il generatore di tensione
è spento (sostituito da un cortocircuito), si deve considerare questo schema:
.
.

e
con l'interruttore chiuso.


A questo punto calcoli il modulo della funzione di rete e ne fai il plot in funzione di .
s=tf('s');
ZC=1/(s*C)
ZL=s*L
ZAB=(R_primo*(R1+ZC))/(R_primo+R1+ZC)
HIw=(ZAB/(ZAB+ZL))*R1/(R1+ZC)
f=figure
bode(HIw)

Torna a Elettrotecnica generale
Visitano il forum: Nessuno e 12 ospiti