Ciao a tutti!
Poco tempo fa ho realizzato un circuito per poter caricare un condensatore con una tensione abbastanza elevata, partendo da una tensione di 12Vcc.
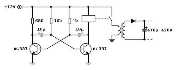
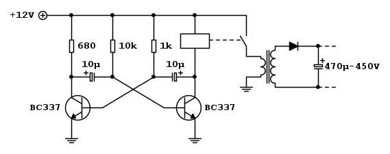
Lo schema è il seguente:
In pratica un multivibratore fa aprire e chiudere di continuo il contatto del relè con una frequenza di circa 20Hz, fornendo degli impulsi di tensione di 12V all'avvolgimento del trasformatore, creando, all'inizio di ognuno, un'induzione nell'altro avvolgimento (con più spire), ottenendo una tensione maggiore per caricare il condensatore.
Come trasformatore ne ho utilizzato uno normale da 230V-15V collegato al contrario.
Considerando che il rapporto degli avvolgimenti vale:
230V/15V = 15,33
Se all'avvolgimento del 15V (quello con meno spire) gli applico una tensione di 12V, nell'altro avvolgimento dovrei ottenere una tensione di:
12V x 15,33 = 184V
Una mia osservazione è la seguente, e ho notato che non vale solo per questo trasformatore, ma anche per altri trasformatori: la tensione (misurata con diversi voltmetri) con cui si carica il condensatore riesce ad arrivare persino a 400V!!!!!
La cosa mi sembra strana dato che, considerando il rapporto tra gli avvolgimenti, il trasformatore dovrebbe dare 184V.
Qualcuno mi sa dire per quale motivo ottengo questo risultato?
trasformatore usato a corrente pulsante
Moderatori:
carloc,
g.schgor,
BrunoValente,
IsidoroKZ
16 messaggi
• Pagina 1 di 2 • 1, 2
0
voti
All'avvolgimento d'ingresso non applichi 12V alternati,
ma un'onda quadra ! E' quindi logico che l'avvolgimento
d'uscita possa avere picchi di quel genere (oltretutto
il condensatore si carica al valore di picco) !
ma un'onda quadra ! E' quindi logico che l'avvolgimento
d'uscita possa avere picchi di quel genere (oltretutto
il condensatore si carica al valore di picco) !
0
voti
Come dice
g.schgor stai facendo un flyback, non un trasformatore. La tensione di uscita dipende anche dal verso degli avvolgimenti, prova a invertire il verso del primario (scambiare gli estremi) e vedi che cosa capita. Poi probabilmente stai anche saturando il trasformatore.
Per usare proficuamente un simulatore, bisogna sapere molta più elettronica di lui
Plug it in - it works better!
Il 555 sta all'elettronica come Arduino all'informatica! (entrambi loro malgrado)
Se volete risposte rispondete a tutte le mie domande
Plug it in - it works better!
Il 555 sta all'elettronica come Arduino all'informatica! (entrambi loro malgrado)
Se volete risposte rispondete a tutte le mie domande
1
voti
sebasera ha scritto:[...] ho realizzato un circuito per poter caricare un condensatore con una tensione abbastanza elevata [...]
... non so... ma io invece lo chiamerei circuito per bruciare i contatti di un relè
..qualcuno ricorda i convertitori vibranti?
Edit:
Tanto vale....
Se ti serve il valore di beta: hai sbagliato il progetto!
0
voti
Grazie a tutti per i vostri consigli, ora ho le idee molto più chiare
In effetti non hai tutti i torti
carloc, il relè ha già iniziato a consumarsi e già da un po' stavo pensando di sostituirlo con un circuito più silenzioso ed efficiente....
Secondo voi così può funzionare o ci sono modi migliori?
carloc ha scritto:...io invece lo chiamerei circuito per bruciare i contatti di un relè
In effetti non hai tutti i torti
Secondo voi così può funzionare o ci sono modi migliori?
0
voti
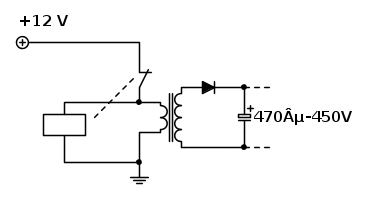
Ho realizzato il circuito soprastante, utilizzando come transistor un 2n3055 con una Rbase=100ohm.
Quello che noto ora, a differenza del circuito con il relè, è che il condensatore non si carica più a 400V, ma arriva a max 270V.
A me andava benissimo che arrivasse a 400V...quale può essere la causa secondo voi?
Quello che noto ora, a differenza del circuito con il relè, è che il condensatore non si carica più a 400V, ma arriva a max 270V.
A me andava benissimo che arrivasse a 400V...quale può essere la causa secondo voi?
0
voti
Il transistor non ha un comportamento "abbastanza a gradino" da imitare un relè che commuta, quindi la variazione di corrente nell'avvolgimento non è tanto rapida quanto il primo caso.
-

marioursino
5.687 3 9 13 - G.Master EY

- Messaggi: 1598
- Iscritto il: 5 dic 2009, 4:32
0
voti
Le mie conoscenze non si addentrano molto sull'argomento, dovrai aspettare fonti più autorevoli.. Puoi provare ad aumentare la frequenza di commutazione ma immagino non si risolva nulla dato che la tensione massima non dipende da questa.
-

marioursino
5.687 3 9 13 - G.Master EY

- Messaggi: 1598
- Iscritto il: 5 dic 2009, 4:32
16 messaggi
• Pagina 1 di 2 • 1, 2
Chi c’è in linea
Visitano il forum: Nessuno e 243 ospiti

Elettrotecnica e non solo (admin)
Un gatto tra gli elettroni (IsidoroKZ)
Esperienza e simulazioni (g.schgor)
Moleskine di un idraulico (RenzoDF)
Il Blog di ElectroYou (webmaster)
Idee microcontrollate (TardoFreak)
PICcoli grandi PICMicro (Paolino)
Il blog elettrico di carloc (carloc)
DirtEYblooog (dirtydeeds)
Di tutto... un po' (jordan20)
AK47 (lillo)
Esperienze elettroniche (marco438)
Telecomunicazioni musicali (clavicordo)
Automazione ed Elettronica (gustavo)
Direttive per la sicurezza (ErnestoCappelletti)
EYnfo dall'Alaska (mir)
Apriamo il quadro! (attilio)
H7-25 (asdf)
Passione Elettrica (massimob)
Elettroni a spasso (guidob)
Bloguerra (guerra)






