Cos'è ElectroYou | Login Iscriviti

ElectroYou - la comunità dei professionisti del mondo elettrico

Attivazione/Disattivazione dispositivo elettrico

Progettazione, esercizio, manutenzione, sicurezza, leggi, normative...

Moderatori: Foto Utentesebago, Foto UtenteMASSIMO-G, Foto Utentelillo, Foto UtenteMike

0
voti

[1] Attivazione/Disattivazione dispositivo elettrico

Messaggioda Foto Utentetixy » 18 gen 2012, 20:39

Salve a tutti!
Premesso che non sono pratico ma mi piace ingegnarmi (e non sempre ci riesco :( ) vorrei sapere, per favore, se è possibile e come si fa a costruire un circuito elettrico che attivi un dispositivo attraverso un pulsante e lo disattivi solo se viene premuto prima un altro pulsante e poi lo stesso di prima. Mi spiego meglio: A e B sono pulsanti, D è un dispositivo qualsiasi; premo A => D funziona; premo di nuovo A e non cambia nulla; premo B e poi A => D non funziona più.
Grazie!
Avatar utente
Foto Utentetixy
65 1 3
New entry
New entry
 
Messaggi: 75
Iscritto il: 18 gen 2012, 14:49

0
voti

[2] Re: Attivazione/Disattivazione dispositivo elettrico

Messaggioda Foto UtenteGuidoB » 19 gen 2012, 3:20

Salve,
in principio è possibile, però bisogna specificare meglio come deve funzionare.
tixy ha scritto:premo A => D funziona; premo di nuovo A e non cambia nulla; premo B e poi A => D non funziona più.

E se premo di nuovo B che cosa deve succedere?
E se premo di nuovo A che cosa deve succedere?
B viene rilasciato prima di premere A (e A prima di premere B), o non necessariamente?
All'accensione del dispositivo l'utilizzatore deve essere messo in stato spento?
Qualche informazione in più sull'uso che se ne deve fare aiuterebbe anche a capire su che tensione di alimentazione si può contare, se è importante che consumi poco, ecc.

Saluti O_/
Avatar utente
Foto UtenteGuidoB
17,8k 7 12 13
G.Master EY
G.Master EY
 
Messaggi: 2809
Iscritto il: 3 mar 2011, 16:48
Località: Madrid

0
voti

[3] Re: Attivazione/Disattivazione dispositivo elettrico

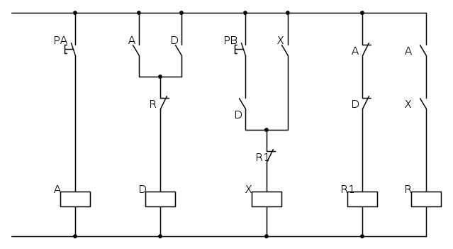
Messaggioda Foto Utenteangus » 19 gen 2012, 11:22

Una cosa del genere potrebbe andare?
in /dev/null no one can hear you scream
Avatar utente
Foto Utenteangus
8.475 4 6 9
G.Master EY
G.Master EY
 
Messaggi: 4168
Iscritto il: 20 giu 2008, 17:25

0
voti

[4] Re: Attivazione/Disattivazione dispositivo elettrico

Messaggioda Foto Utentetixy » 19 gen 2012, 14:00

GuidoB ha scritto:[..]
Qualche informazione in più sull'uso che se ne deve fare aiuterebbe anche a capire su che tensione di alimentazione si può contare, se è importante che consumi poco, ecc.

Saluti O_/


...mi spiego meglio:
ho bisogno di far suonare una sirena di allarme (o un campanello, o un lampeggiante, o simili...);
voglio che il pulsante di accensione (A) sia collocato in una stanza e premendolo si deve subito attivare la sirena;
quando "l'allarme" è cessato, non voglio che si spenga alla successiva pressione di A ma che sia premuto prima un altro pulsante (B) in un'altra stanza e poi di nuovo quello nella stanza da cui l'ho azionato (A).

In pratica dovrebbe essere una cosa tipo che quando premo A succede che si attiva l' allarme e si disattiva lo stesso A, che per riattivare A bisogna premere B, e che successivamente alla pressione di A si spegne l' allarme (...più o meno).

PS: (mi riferisco ad Angus) i simboli per la rappresentazione grafica dei circuiti non li conosco, se si può abbiate la pazienza di spiegarmi a parole. Grazie!

Spero di essere stato più chiaro.
Ultima modifica di Foto Utenteadmin il 20 gen 2012, 15:15, modificato 1 volta in totale.
Motivazione: eliminata la parte inutile della citazione
Avatar utente
Foto Utentetixy
65 1 3
New entry
New entry
 
Messaggi: 75
Iscritto il: 18 gen 2012, 14:49

0
voti

[5] Re: Attivazione/Disattivazione dispositivo elettrico

Messaggioda Foto UtenteStefanoSunda » 19 gen 2012, 14:32

In pratica dovrebbe essere una cosa tipo che quando premo A succede che si attiva l' allarme e si disattiva lo stesso A, che per riattivare A bisogna premere B, e che successivamente alla pressione di A si spegne l' allarme (...più o meno).
Per te ci vuole questo circuito, che ho postato in un altro forum. Al posto del galleggiante vi metti un interruttore e il gioco è fatto. Premendo il pulsante di tac. Si spegnerà la tromba e resterà accesa la lampada di segnalazione, per spegnere tutto riapri l’interruttore A (ora gall).
Avatar utente
Foto UtenteStefanoSunda
2.880 3 6 10
Master
Master
 
Messaggi: 1962
Iscritto il: 16 set 2010, 19:29

1
voti

[6] Re: Attivazione/Disattivazione dispositivo elettrico

Messaggioda Foto UtenteIsidoroKZ » 19 gen 2012, 14:42

Una autoritenuta non basta, perche' quando si schiaccia B si diseccita subito.

Il comportamento e` a tre stati (pallogramma a tre palle). Disattivato, attivato non disattivabile (dopo aver premuto A), attivato disattivabile (premuto B) e di nuovo disattivato (premendo A dopo aver premuto B. Occhio ai rimbalzi).

Per avere tre stati servono due rele`, oppure due flip flop.
Per usare proficuamente un simulatore, bisogna sapere molta più elettronica di lui
Plug it in - it works better!
Il 555 sta all'elettronica come Arduino all'informatica! (entrambi loro malgrado)
Se volete risposte rispondete a tutte le mie domande
Avatar utente
Foto UtenteIsidoroKZ
121,2k 1 3 8
G.Master EY
G.Master EY
 
Messaggi: 21059
Iscritto il: 17 ott 2009, 0:00

0
voti

[7] Re: Attivazione/Disattivazione dispositivo elettrico

Messaggioda Foto Utenteangus » 19 gen 2012, 15:45

Il mio schema infatti ha 2 relè. Uno con ritenuta (K1) e l'altro con ritardo alla ricaduta (K2) con un tempo "t".
Mi chiedevo se potesse andare bene perché c'è il tempo t, tra quando si preme B e quando è possibile premere A.
Se questo tempo è accettabile dovrebbe andare bene lo schema, altrimenti bisogna modificarlo.
in /dev/null no one can hear you scream
Avatar utente
Foto Utenteangus
8.475 4 6 9
G.Master EY
G.Master EY
 
Messaggi: 4168
Iscritto il: 20 giu 2008, 17:25

1
voti

[8] Re: Attivazione/Disattivazione dispositivo elettrico

Messaggioda Foto UtenteCox » 19 gen 2012, 16:30

Io credo che uno schema così possa andare, per il lavoro che mi pare di aver capito, ci può essere qualche raffinatezza da rivedere nei casi di pressione simultanea dei pulsanti ma ritengo che per come va usato possa essere proponibile.

Avatar utente
Foto UtenteCox
333 2 6
Stabilizzato
Stabilizzato
 
Messaggi: 320
Iscritto il: 9 dic 2010, 17:46

1
voti

[9] Re: Attivazione/Disattivazione dispositivo elettrico

Messaggioda Foto UtenteGuidoB » 20 gen 2012, 4:29

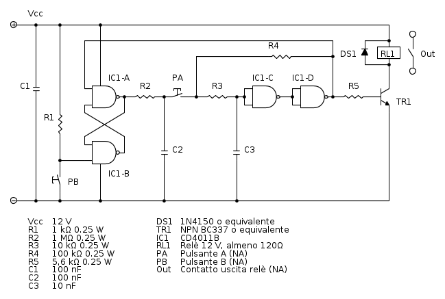
I sistemi di allarme mi hanno sempre interessato e incuriosito, per cui provo a cimentarmi anch'io in questo esercizio, utilizzando un integrato CMOS con porte logiche:

Descrizione del funzionamento:

All'accensione, il condensatore C3 è scarico, perciò forza un livello logico 0 agli ingressi del NAND IC1-C, collegato come invertitore. All'uscita di IC1-C ci ritroveremo con un livello logico 1, che ulteriormente invertito da IC1-D ci serve per:
1) mantenere interdetto il transistor TR1, e quindi diseccitato il relè di uscita;
2) settare il flip-flop costituito da IC1-A e IC1-B;
3) retroazionare positivamente attraverso R4-R3 la catena costituita da IC1-C e IC1-D, mantenendo quindi scarico C3 e invariati i livelli logici iniziali.
L'uscita di IC1-A è a livello 1, quindi carica in un tempo dell'ordine di 100 ms il condensatore C2 attraverso R2.

Premendo PA, C2 trasferisce rapidamente attraverso R3 parte della sua carica a C3, che si carica in un tempo dell'ordine del millisecondo. A questo punto all'ingresso di IC1-C si trova un livello logico 1, che viene invertito due volte dalla catena IC1-C - IC1-D. All'uscita di IC1-D ci ritroveremo quindi un livello logico 1, che ci servirà per:
1) mandare in saturazione TR1, sul cui collettore è collegato il relè, che chiuderà il contatto di uscita;
2) smettere di mantenere forzatamente settato il il flip-flop costituito da IC1-A e IC1-B (che comunque per il momento non cambierà i suoi livelli d'uscita);
3) retroazionare positivamente attraverso R4-R3 la catena costituita da IC1-C e IC1-D, mantenendo quindi carico C3 anche dopo il rilascio del pulsante A.

Premendo altre volte PA non cambia nulla, visto che sia C2 che C3 sono adesso entrambi carichi allo stesso livello.

Se si preme PB il flip-flop costituito da IC1-A e IC1-B, non più mantenuto forzatamente settato, si resetta, presentando un livello logico 0 all'uscita di IC1-A, che attraverso la resistenza R2 scarica in un tempo dell'ordine di 100 ms il condensatore C2 attraverso R2.

A questo punto se PA viene premuto, attraverso R3 buona parte della carica immagazzinata in C3 passa a C2, che ha una capacità 10 volte maggiore, in un tempo dell'ordine del millisecondo. Perciò agli ingressi del NAND IC1-C verrà applicato un livello logico 0 che sarà invertito due volte dalla catena IC1-C - IC1-D. All'uscita di IC1-D ci ritroveremo quindi un livello logico 0, che ci servirà per:
1) interdire il transistor TR1, che disecciterà il relè di uscita;
2) settare il flip-flop costituito da IC1-A e IC1-B;
3) retroazionare positivamente attraverso R4-R3 la catena costituita da IC1-C e IC1-D, mantenendo quindi scarico C3.
L'uscita di IC1-A passa a livello 1, quindi tenderebbe a caricare il condensatore C2 attraverso R2, però... c'è un però. finché PA non viene rilasciato, C2 viene mantenuto pressochè scarico dal momento che R4 ha un valore di un decimo di R2, e quindi domina il livello da lei imposto. Solo quando PA viene rilasciato, e quindi R4 scollegata, il condensatore C2 può caricarsi attraverso R2 in un tempo dell'ordine dei 100 ms. In caso di rimbalzi di P2 non succede nulla, perché C2 deve caricarsi prima di avere un effetto opposto al precedente, e come abbiamo visto il tempo di carica è dell'ordine del decimo di secondo, sufficiente a neutralizzare qualsiasi rimbalzo del pulsante.

Questo circuito ha anche il vantaggio di non consumare praticamente nulla a riposo, per cui si può anche alimentarlo a pile che, se gli allarmi non sono troppo frequenti, possono durare vari anni, e sono insensibili ai black-out. Può essere alimentato con tensioni fra 3 e 15 volt, utilizzando un relè non più a 12 V come indicato, ma adatto alla nuova tensione.

Se pensi di usare una sirena, ne esistono di piezoelettriche potenti e a basso consumo (poche decine di mA), pilotabili direttamente dal collettore del transistor, eliminando il relè e il diodo di ricircolo. Calcola che il collettore può assorbire un centinaio di mA con il guadagno del transistor usato, se ti serve più corrente puoi usare due transistor in cascata (in collegamento darlington) per esempio.

tixy ha scritto:PS: (mi riferisco ad Angus) i simboli per la rappresentazione grafica dei circuiti non li conosco, se si può abbiate la pazienza di spiegarmi a parole. Grazie!

Spiegare a parole tutti i simboli è un po' troppo lungo, ti consiglio di leggere un buon libro introduttivo o seguire un corso di elettronica per avere un'infarinatura e capire non solo i simboli dei componenti, ma anche e soprattutto come funzionano se non lo sai già. Posso segnalarti per esempio "Imparare l'elettronica partendo da zero" di una nota rivista italiana.
Oppure se ti serve solo realizzare questo circuito e sei a zero, fai prima a cercare tra amici e conoscenti un hobbista elettronico, sottoporgli lo schema (che è già un buon punto di partenza) e chiedergli se può realizzartelo (sono un po' di ore di lavoro). Spulciando su internet e riviste del settore si trovano anche annunci di persone che lo fanno dietro compenso.

In bocca al lupo, e facci sapere! O_/
Avatar utente
Foto UtenteGuidoB
17,8k 7 12 13
G.Master EY
G.Master EY
 
Messaggi: 2809
Iscritto il: 3 mar 2011, 16:48
Località: Madrid

0
voti

[10] Re: Attivazione/Disattivazione dispositivo elettrico

Messaggioda Foto Utenteconsole6 » 20 gen 2012, 10:09

GuidoB ha scritto:... Posso segnalarti per esempio "Imparare l'elettronica partendo da zero" di una nota rivista italiana...

Credo che ci vorrà un po di tempo per imparare "da zero", comunque Foto Utentetixy, in bocca al lupo :!:
Ciao
ƎlectroYou e ne sai di più!
Avatar utente
Foto Utenteconsole6
2.261 3 10 12
Expert EY
Expert EY
 
Messaggi: 1106
Iscritto il: 15 nov 2011, 13:08
Località: World wide

Prossimo

Torna a Impianti, sicurezza e quadristica

Chi c’è in linea

Visitano il forum: Nessuno e 62 ospiti