Salve a Tutti,
sono Antonio e sono nuovo di questo Forum. Sono qui, dico la verità, non come appassionato ma da "costretto". Ho bisogno di aiuto nella risoluzione di tre tipologie di esercizi. Si tratta dello scritto di Elettrotecnica per Ingegneria Chimica (insieme all'esame di Macchine l'ultimo esame) che è tra poco tempo. Lo so che per conoscenza completa un ingegnere (a parte il ramo scelto) deve capire di elettrotecnica e di materie affini, ma io mi ci ingarbuglio molto: sono sincero non fa per me. Dal corso di Laurea che ho scelto, si deducono le materie che possono interessarmi. Comunque, come detto sono qui a chiedere il Vostro aiuto, anche perché non ho seguito il corso come dovere e non mi ritrovo neppure esercizi svolti. Sto studiando su vari libri della biblioteca. Nell'allegato c'è un classico esempio di esame scritto: il primo esercizio, studiando da solo, forse ho capito come risolverlo, sperando di averlo risolto giusto. E' sul secondo e sul terzo esercizio che non so dove mettere mano...qualche anima pia, armata di pazienza, che mi aiuti sia a risolvere numericamente gli esercizi sia a capirli più a livello concettuale?!"?..
RingraziandoVi,
aspetto qualche risposta..
Ciao,
Anto
NOTA: ops, ho appena appreso che i pdf non valgono come allegati su questo forum. Carico il pdf sul seguente link..**************
Elettrotecnica Ing. Chimica
Moderatori:
g.schgor,
IsidoroKZ
42 messaggi
• Pagina 1 di 5 • 1, 2, 3, 4, 5
0
voti
Dovresti inserire gli esercizi nel forum utilizzando Fidocadj per gli schemi e LaTeX per le formule. 

-

Lele_u_biddrazzu
8.154 3 8 13 - Master EY

- Messaggi: 1288
- Iscritto il: 23 gen 2007, 16:13
- Località: Modena
0
voti
Mi dispiace ma non ammettiamo più link a server esterni. Non se ne può più di vincere iPhone ed iPad e non riuscire nemmeno a capire come scaricare il file.
Ma anche se si riuscisse a capirlo, non siamo disposti a fare tutti questi passaggi. Un po' di tempo lo devi perdere tu se vuoi sperare in un aiuto da qualcuno di questo forum, leggendo ed applicando le regole per l'uso del forum
PS: come ti ha scritto
Lele_u_biddrazzu che, sarà uno dei primi ad insegnarti a risolvere gli esercizi come si deve.
Ma anche se si riuscisse a capirlo, non siamo disposti a fare tutti questi passaggi. Un po' di tempo lo devi perdere tu se vuoi sperare in un aiuto da qualcuno di questo forum, leggendo ed applicando le regole per l'uso del forum
PS: come ti ha scritto
0
voti
Chiedo scusa, colpa mia che, onestamente parlando, non avevo letto le regole del forum..scarico subito il software richiesto..grazie
1
voti
Antofilo ha scritto:Chiedo scusa, colpa mia che, onestamente parlando, non avevo letto le regole del forum..ma dove posso trovare questo software, dato che non ne sono in possesso?!..grazie
Ci risiamo
... io lo cercherei ... sotto il divano.
"Il circuito ha sempre ragione" (Luigi Malesani)
0
voti
Dati:
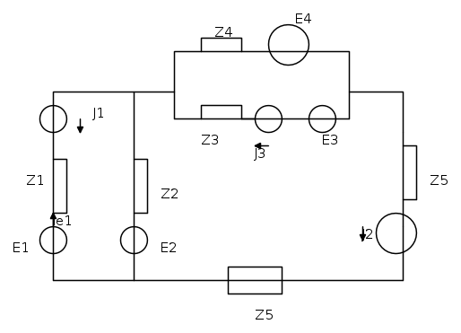
E1= (60 + j60); E2 = (-100 - j50); E3= -E4 = (110 + j130); J1 = J2 = (5+j5); J3 = (10 - j5); z1 = 12; z2= 9; z3 = (10 + j5); z4 = 10; z5= (10 + j5)
bene o male sono riuscito a postare con il software richiesto..anche se lo riconosco non ho usato i simboli adatti. Comunque, per determinare:
i) La potenza attiva dissipata dall'impedenza z4;
ii) la corrente Ie1;
iii) la potenza attiva, reattiva ed apparente erogata dal generatore di corrente J3.
Ora, per il primo punto, ho pensato che dovrei cominciare a scrivere l'equazione della Potenza attiva:
Credo sia la seguente:
P = I * V * cos (a)...ma non so come applicarla.
0
voti
Lascia perdere il fattore di potenza, usa la potenza complessa; con tutti quei generatori di corrente si risolve in 5 minuti 
Per:
a)la potenza in Z4, basta osservare che la corrente che attraversa detta impedenza verso destra e' pari a J2+J3
b) la corrente erogata da E1, e' poi pari a -J1 in quanto il generatore di corrente impone la corrente di ramo.
c) ...
Per:
a)la potenza in Z4, basta osservare che la corrente che attraversa detta impedenza verso destra e' pari a J2+J3
b) la corrente erogata da E1, e' poi pari a -J1 in quanto il generatore di corrente impone la corrente di ramo.
c) ...
"Il circuito ha sempre ragione" (Luigi Malesani)
0
voti
Sempre il punto i)..
sperando di aver capito bene, la formula della potenza Complessa è:
A = V * I, che può scriversi pure come:
A = P + j Q..
Ma come fa I ad essere pari a J2 + J3??
sperando di aver capito bene, la formula della potenza Complessa è:
A = V * I, che può scriversi pure come:
A = P + j Q..
Ma come fa I ad essere pari a J2 + J3??
0
voti
Usa i simboli giusti, specie per i generatori. Cosi` sembrano tutti generatori di tensione. E` peggio che fare tutta la chimica organica con le formule brute!
Per usare proficuamente un simulatore, bisogna sapere molta più elettronica di lui
Plug it in - it works better!
Il 555 sta all'elettronica come Arduino all'informatica! (entrambi loro malgrado)
Se volete risposte rispondete a tutte le mie domande
Plug it in - it works better!
Il 555 sta all'elettronica come Arduino all'informatica! (entrambi loro malgrado)
Se volete risposte rispondete a tutte le mie domande
0
voti
Devi usare il coniugato della corrente per la potenza complessa

comunque per Z4 visto che e' solo resistiva e che la corrente ha solo parte reale, basta un

per la corrente in Z4 basta usare una KCL al nodo alto destro.
Mancano comunque tutti i segni sui generatori di tensione,
... comunque cerco di indovinare
...
per l'ultima domanda, usando una KVL alla maglia elementare superiore, la tensione su J3 dovrebbe essere

e di conseguenza, usando la relazione sulla potenza complessa, puoi calcolare contemporaneamente sia la potenza attiva sia la reattiva.

comunque per Z4 visto che e' solo resistiva e che la corrente ha solo parte reale, basta un

per la corrente in Z4 basta usare una KCL al nodo alto destro.
Mancano comunque tutti i segni sui generatori di tensione,
per l'ultima domanda, usando una KVL alla maglia elementare superiore, la tensione su J3 dovrebbe essere

e di conseguenza, usando la relazione sulla potenza complessa, puoi calcolare contemporaneamente sia la potenza attiva sia la reattiva.
"Il circuito ha sempre ragione" (Luigi Malesani)
42 messaggi
• Pagina 1 di 5 • 1, 2, 3, 4, 5
Torna a Elettrotecnica generale
Chi c’è in linea
Visitano il forum: Nessuno e 55 ospiti

Elettrotecnica e non solo (admin)
Un gatto tra gli elettroni (IsidoroKZ)
Esperienza e simulazioni (g.schgor)
Moleskine di un idraulico (RenzoDF)
Il Blog di ElectroYou (webmaster)
Idee microcontrollate (TardoFreak)
PICcoli grandi PICMicro (Paolino)
Il blog elettrico di carloc (carloc)
DirtEYblooog (dirtydeeds)
Di tutto... un po' (jordan20)
AK47 (lillo)
Esperienze elettroniche (marco438)
Telecomunicazioni musicali (clavicordo)
Automazione ed Elettronica (gustavo)
Direttive per la sicurezza (ErnestoCappelletti)
EYnfo dall'Alaska (mir)
Apriamo il quadro! (attilio)
H7-25 (asdf)
Passione Elettrica (massimob)
Elettroni a spasso (guidob)
Bloguerra (guerra)






