Apro un nuovo topic, per un nuovo esercizio tipo d'esame..
I dati sono: E1=(60+j60); E2=(-100-j50); E4=-E3=(110+j130);J1=J2=(5+j5);J3=(10-j5);z1=6;z2=9;z3=(30+j15);z4=10;z5=(10+j5);z6=(20+j10)
E' richiesto da ricavare:
i)Potenza attiva dissipata dalle impedenze z4 e la corrente Ie1;
ii) Pot. attiva, reattiva ed apparente erogata dal gen J3
proverò a risolverle ma ho bisogno del Vostro aiuto
Esercizi Elettrotecnica Ing. Chimica (2)
Moderatori:
g.schgor,
IsidoroKZ
13 messaggi
• Pagina 1 di 2 • 1, 2
0
voti
6
voti
Ottimo disegno, adesso basta che cominci a usare Latex per le formule e i tuoi post saranno impeccabili.
La corrente
e` facile: in quel ramo scorre la corrente imposta dal generatore
e quindi
e` immediata.
La potenza dissipata dalle
richiede di conoscere la corrente
che le attraversa.
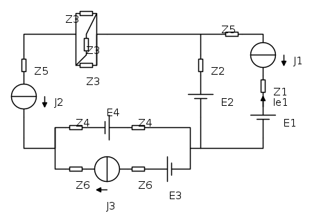
Guarda il circuito qui sotto: che cos'e` il pallino rosso? Che legge si puo` applicare al pallino?
Per la potenza erogata da
, bisogna conoscere la tensione
ai suoi capi.
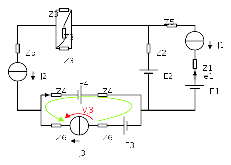
Per trovare le tensioni si applicano la legge delle tensioni sulle maglie, ad esempio quella in verde: la tensione lungo il percorso in verde e` uguale a quella rossa, con il fatto che la tensione lungo il percorso in verde la si sa calcolare.
La tensione su
e su
la si sa calcolare perche' si sa la corrente che passa in quelle impedenze.
DOMANDA PER TE: come sono collegate le tre impedenze
?
La corrente
e` facile: in quel ramo scorre la corrente imposta dal generatore
e quindi
e` immediata.La potenza dissipata dalle
richiede di conoscere la corrente
che le attraversa.Guarda il circuito qui sotto: che cos'e` il pallino rosso? Che legge si puo` applicare al pallino?
Per la potenza erogata da
, bisogna conoscere la tensione
ai suoi capi.Per trovare le tensioni si applicano la legge delle tensioni sulle maglie, ad esempio quella in verde: la tensione lungo il percorso in verde e` uguale a quella rossa, con il fatto che la tensione lungo il percorso in verde la si sa calcolare.
La tensione su
e su
la si sa calcolare perche' si sa la corrente che passa in quelle impedenze.DOMANDA PER TE: come sono collegate le tre impedenze
?Per usare proficuamente un simulatore, bisogna sapere molta più elettronica di lui
Plug it in - it works better!
Il 555 sta all'elettronica come Arduino all'informatica! (entrambi loro malgrado)
Se volete risposte rispondete a tutte le mie domande
Plug it in - it works better!
Il 555 sta all'elettronica come Arduino all'informatica! (entrambi loro malgrado)
Se volete risposte rispondete a tutte le mie domande
0
voti
Ti ringrazio enormemente..Mi hai fatto capire molto bene il dubbio che mi era rimasto circa la valutazione della diff di tensione. Stasera no, ma domani posterò i calcoli per avere anche un raffronto numerico..
Un'ultima domanda: dopo aver calcolato la VJ3, come calcolo la potenza attiva reattiva e apparente del generatore di corrente?
PROVO A RISPONDERE..E' un collegamento a triangolo!?.
Un'ultima domanda: dopo aver calcolato la VJ3, come calcolo la potenza attiva reattiva e apparente del generatore di corrente?
PROVO A RISPONDERE..E' un collegamento a triangolo!?.
0
voti
Ulteriori mie risposte SE E SOLO SE scrivi in latex e se rispondi alla domanda in blu.
Per usare proficuamente un simulatore, bisogna sapere molta più elettronica di lui
Plug it in - it works better!
Il 555 sta all'elettronica come Arduino all'informatica! (entrambi loro malgrado)
Se volete risposte rispondete a tutte le mie domande
Plug it in - it works better!
Il 555 sta all'elettronica come Arduino all'informatica! (entrambi loro malgrado)
Se volete risposte rispondete a tutte le mie domande
0
voti
IsidoroKZ ha scritto:Ulteriori mie risposte SE E SOLO SE scrivi in latex e se rispondi alla domanda in blu.
PROVO A RISPONDERE ALLA TUA DOMANDA: sono collegati a triangolo?
0
voti
Sei proprio sicuro della tua risposta? Per quale motivo, secondo te, quelle impedenze sarebbero collegate a triangolo 
-

Lele_u_biddrazzu
8.154 3 8 13 - Master EY

- Messaggi: 1288
- Iscritto il: 23 gen 2007, 16:13
- Località: Modena
0
voti
Provo a svolgere i calcoli..
1)Per come è stato detto, per il calcolo della potenza posso usare la formula:
, cioè
, dove z4 è nota
Per il calcolo di Iz4, si può impostare l'equazione di Kirchhoff alle correnti nel nodo in basso a sx, quindi
, cioè 
Si calcola
e quindi il valore della potenza dissipata dall'impedenza z4

DOMANDA: In questo circuito, ci sono 2 impedenze z4. Non riesco a capire se i calcoli sono giusti oppure devo fare qualche calcolo per tener di conto del fatto che ci sono 2 z4?
2) Il Valore della Corrente Ie1. Sul ramo esterno di sinistra (dove è indicata dalla traccia, con il suo verso), si incontra il generatore di corrente J1 (avente verso opposto). Dato che il generatore di corrente impone la corrente, si ha:
, cioè 
DOMANDA: tra la corrente Ie1 (dove sul circuito è indicata) e il generatore J1, vi è collocata l'impedenza z1. Questa non influisce minimamente su quanto detto sopra, vero?
3) Pot.attiva, reattiva e complessa su J3.
Da come indicato bisogna calcolare la pot complessa, e poi ricavare Pot attiva e Reattiva (spero di aver capito bene). Si ha da calcolare
. V è la tensione al generatore J3, quindi si può impostare questa equazione:
ho moltiplicato per 2 in quanto vi sono due impedenze uguali.
Si svolge il calcolo e si moltiplica per I*.
Fin qui è esatto oppure sbaglio pure nei calcoli?
PS. Riuscireste a delucidarmi pure sulle domande poste in questo post? Grazie
1)Per come è stato detto, per il calcolo della potenza posso usare la formula:
, cioè
, dove z4 è notaPer il calcolo di Iz4, si può impostare l'equazione di Kirchhoff alle correnti nel nodo in basso a sx, quindi
, cioè 
Si calcola
e quindi il valore della potenza dissipata dall'impedenza z4
DOMANDA: In questo circuito, ci sono 2 impedenze z4. Non riesco a capire se i calcoli sono giusti oppure devo fare qualche calcolo per tener di conto del fatto che ci sono 2 z4?
2) Il Valore della Corrente Ie1. Sul ramo esterno di sinistra (dove è indicata dalla traccia, con il suo verso), si incontra il generatore di corrente J1 (avente verso opposto). Dato che il generatore di corrente impone la corrente, si ha:
, cioè 
DOMANDA: tra la corrente Ie1 (dove sul circuito è indicata) e il generatore J1, vi è collocata l'impedenza z1. Questa non influisce minimamente su quanto detto sopra, vero?
3) Pot.attiva, reattiva e complessa su J3.
Da come indicato bisogna calcolare la pot complessa, e poi ricavare Pot attiva e Reattiva (spero di aver capito bene). Si ha da calcolare
. V è la tensione al generatore J3, quindi si può impostare questa equazione:
ho moltiplicato per 2 in quanto vi sono due impedenze uguali.
Si svolge il calcolo e si moltiplica per I*.
Fin qui è esatto oppure sbaglio pure nei calcoli?
PS. Riuscireste a delucidarmi pure sulle domande poste in questo post? Grazie
0
voti
Lele_u_biddrazzu ha scritto:Sei proprio sicuro della tua risposta? Per quale motivo, secondo te, quelle impedenze sarebbero collegate a triangolo
Non so dare una risposta, mi puoi aiutare a capire?
0
voti
Allora, quelle tre impedenze, sebbene disposte in maniera "particolare", sono sottoposte alla stessa d.d.p. e pertanto risultano collegate in parallelo. 
-

Lele_u_biddrazzu
8.154 3 8 13 - Master EY

- Messaggi: 1288
- Iscritto il: 23 gen 2007, 16:13
- Località: Modena
0
voti
Lele_u_biddrazzu ha scritto:Allora, quelle tre impedenze, sebbene disposte in maniera "particolare", sono sottoposte alla stessa d.d.p. e pertanto risultano collegate in parallelo.
Quindi se qualcuno mi domandasse di calcolare l'impedenza equivalenze di quelle tre, io dovrei solo usare la consueta formula per il calcolo delle impedenze in parallelo? Cioè,

Scusa..questa giuro che la sapevo...
PS. Puoi aiutarmi anche per quanto concerne i calcoli per la risoluzione?
Ultima modifica di
Antofilo il 20 gen 2012, 15:34, modificato 1 volta in totale.
13 messaggi
• Pagina 1 di 2 • 1, 2
Torna a Elettrotecnica generale
Chi c’è in linea
Visitano il forum: Nessuno e 56 ospiti

Elettrotecnica e non solo (admin)
Un gatto tra gli elettroni (IsidoroKZ)
Esperienza e simulazioni (g.schgor)
Moleskine di un idraulico (RenzoDF)
Il Blog di ElectroYou (webmaster)
Idee microcontrollate (TardoFreak)
PICcoli grandi PICMicro (Paolino)
Il blog elettrico di carloc (carloc)
DirtEYblooog (dirtydeeds)
Di tutto... un po' (jordan20)
AK47 (lillo)
Esperienze elettroniche (marco438)
Telecomunicazioni musicali (clavicordo)
Automazione ed Elettronica (gustavo)
Direttive per la sicurezza (ErnestoCappelletti)
EYnfo dall'Alaska (mir)
Apriamo il quadro! (attilio)
H7-25 (asdf)
Passione Elettrica (massimob)
Elettroni a spasso (guidob)
Bloguerra (guerra)





