Cos'è ElectroYou | Login Iscriviti

ElectroYou - la comunità dei professionisti del mondo elettrico

Attivazione/Disattivazione dispositivo elettrico

Progettazione, esercizio, manutenzione, sicurezza, leggi, normative...

Moderatori: Foto Utentesebago, Foto UtenteMASSIMO-G, Foto Utentelillo, Foto UtenteMike

0
voti

[31] Re: Attivazione/Disattivazione dispositivo elettrico

Messaggioda Foto Utentetixy » 23 gen 2012, 14:37

:
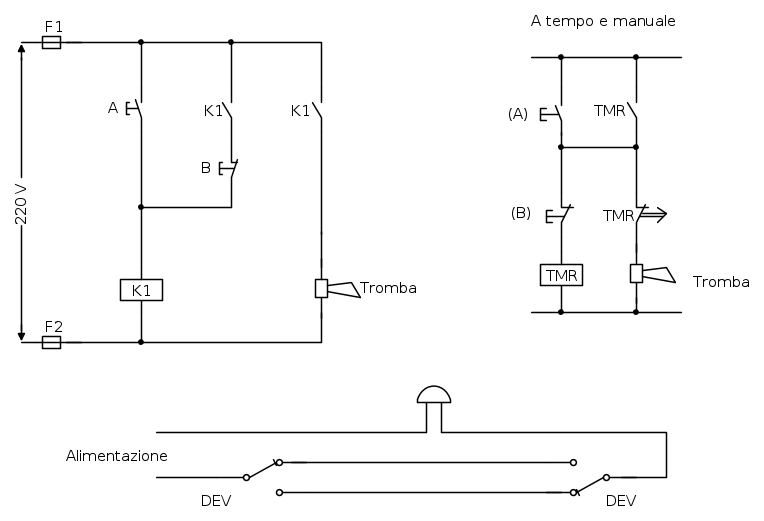
Attilio ha scritto:Il relè temporizzatore (K2) del mio schema, non ti limita in quel senso. La sua azione può solo richiedere di mantenere la pressione sul pulsante A per almeno un secondo o due (per sicurezza).


ahahah, povero me, finalmente ho capito! :oops:

Adesso, però, mi servirebbe uno schema per collegare i fili...
Ultima modifica di Foto Utentetixy il 23 gen 2012, 14:44, modificato 1 volta in totale.
Avatar utente
Foto Utentetixy
65 1 3
New entry
New entry
 
Messaggi: 75
Iscritto il: 18 gen 2012, 14:49

1
voti

[32] Re: Attivazione/Disattivazione dispositivo elettrico

Messaggioda Foto UtenteCox » 23 gen 2012, 14:44

questo potrebbe essere il relè (circa 10 euro di listino)
http://www.findernet.com/it/products/sku/405282300000/

il relativo zoccolo (circa 5 euro di listino)
http://www.findernet.com/it/products/sku/9505SMA/

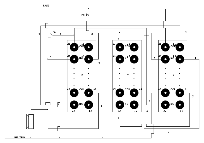
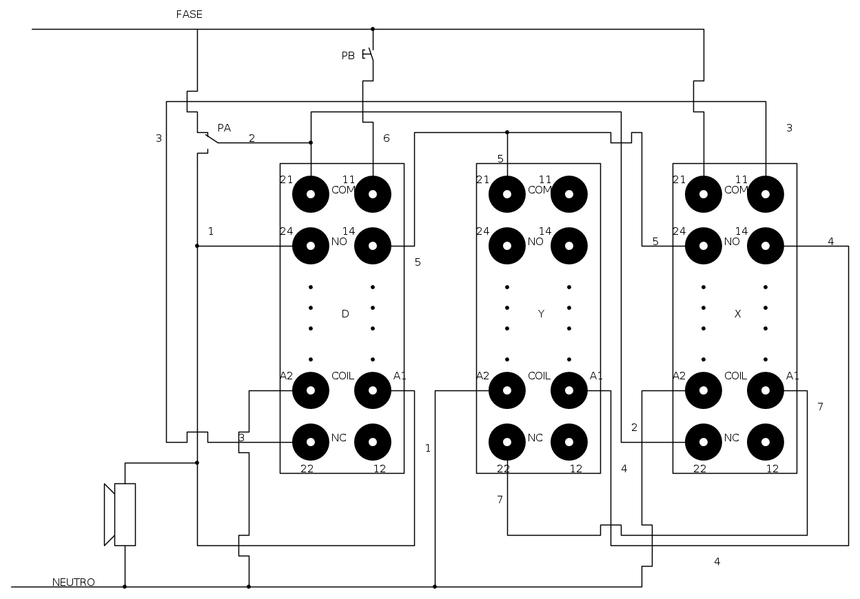
lo schema di connessione degli zoccoli


lo schema rivisto con la numerazione di morsetti degli zoccoli e dei fili



i numeri piccoli indicano i morsetti degli zoccoli, quelli in grassetto i fili
Avatar utente
Foto UtenteCox
333 2 6
Stabilizzato
Stabilizzato
 
Messaggi: 320
Iscritto il: 9 dic 2010, 17:46

0
voti

[33] Re: Attivazione/Disattivazione dispositivo elettrico

Messaggioda Foto Utentetixy » 23 gen 2012, 14:51

Cox ha scritto:lo schema di connessione degli zoccoli


ehi mi hai letto nel pensiero? :ok:
Avatar utente
Foto Utentetixy
65 1 3
New entry
New entry
 
Messaggi: 75
Iscritto il: 18 gen 2012, 14:49

0
voti

[34] Re: Attivazione/Disattivazione dispositivo elettrico

Messaggioda Foto UtenteCox » 23 gen 2012, 14:55

hehe, dopo tre volte capisco subito... spero ti sia utile :D

siccome non mi piace fare - o professore - hai capito come funziona ? La particolarità sta nel rilevare il ritorno a riposo del pulsante A allo scopo di resettare il sistema.
Ultima modifica di Foto UtenteCox il 23 gen 2012, 15:04, modificato 1 volta in totale.
Avatar utente
Foto UtenteCox
333 2 6
Stabilizzato
Stabilizzato
 
Messaggi: 320
Iscritto il: 9 dic 2010, 17:46

0
voti

[35] Re: Attivazione/Disattivazione dispositivo elettrico

Messaggioda Foto Utentetixy » 23 gen 2012, 15:02

Grazie!

Vi farò sapere, siete stati tutti gentilissimi! iOi
Avatar utente
Foto Utentetixy
65 1 3
New entry
New entry
 
Messaggi: 75
Iscritto il: 18 gen 2012, 14:49

0
voti

[36] Re: Attivazione/Disattivazione dispositivo elettrico

Messaggioda Foto Utentetixy » 9 feb 2012, 14:44

Foto Utenteattilio, scusa mi è venuta in mente un' altra delle mie "oscenità": non è che il circuito che mi hai descritto così minuziosamente nel post n.29 si può realizzare anche con dei deviatori, e/o interruttori, e/o invertitori? Grazie!
PS: ovviamente la domanda è rivolta a tutti; ho tirato in ballo Attilio perché lo schema in questione è suo.
Avatar utente
Foto Utentetixy
65 1 3
New entry
New entry
 
Messaggi: 75
Iscritto il: 18 gen 2012, 14:49

0
voti

[37] Re: Attivazione/Disattivazione dispositivo elettrico

Messaggioda Foto UtenteStefanoSunda » 9 feb 2012, 15:31

Per quello che devi fare basta solo un relè.
Avatar utente
Foto UtenteStefanoSunda
2.880 3 6 10
Master
Master
 
Messaggi: 1962
Iscritto il: 16 set 2010, 19:29

Precedente

Torna a Impianti, sicurezza e quadristica

Chi c’è in linea

Visitano il forum: Nessuno e 67 ospiti