Alimentatore
Moderatori:
carloc,
g.schgor,
BrunoValente,
IsidoroKZ
0
voti
[81] Re: Alimentatore
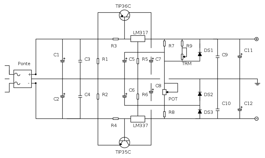
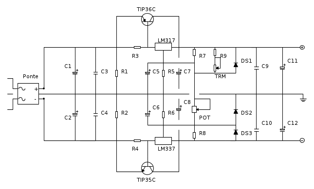
Se guardiamo bene lo schema elettrico a me sembra che il condensatore elettrolitico da 33 microfarad non è collegato elettricamente al condensatore da 10 microfarad e la piedino di regolazione del lm317 !? esso è collegato elettricamente all'uscita dell'integrato e la massa centrale , cosi vale anche per il ramo negativo. Se i collegamenti elettrici vengono evidenziati con un pallino , allora secondo me codesto condensatore deveessere collegato solo al piedino dell'uscita e la massa centrale , fose se è come la penso io l'errore lo posso avere fatto ai collegamenti. http://www.electroyou.it/fidocad/cache/ ... 5a3c_3.png
0
voti
[82] Re: Alimentatore
I due condensatori citati vanno collegati il primo (in alto), con il positivo al ramo positivo e con il negativo allo zero centrale; il secondo, con il positivo allo zero centrale ed il negativo al ramo negativo di alimentazione. Di conseguenza sono anche collegati tra loro (negativo del primo e positivo del secondo).
Negli schemi elettrici due fili che si intersecano si intendono collegati solo quando c'e' il punto di connessione.
P.S. In via sperimentale, per testare il circuito, i due condensatori possono anche essere omessi.
Negli schemi elettrici due fili che si intersecano si intendono collegati solo quando c'e' il punto di connessione.
P.S. In via sperimentale, per testare il circuito, i due condensatori possono anche essere omessi.
marco
0
voti
[83] Re: Alimentatore
E allora molto probabilmente ho fatto un errore di collegamento, omettendo questo particolare.
Però se si guarda bene lo schemo ci sono altri componenti che secondo quanto tu hai scritto non dovrebbero essere collegati elettricamente, invece devono essere collegati per forza, Es: la base dei due tip con l'ingresso del lm, sia positivo che negativo, e i due diodi e altri .Purtroppo è stato questo a farmi cadere in errore!
Però se si guarda bene lo schemo ci sono altri componenti che secondo quanto tu hai scritto non dovrebbero essere collegati elettricamente, invece devono essere collegati per forza, Es: la base dei due tip con l'ingresso del lm, sia positivo che negativo, e i due diodi e altri .Purtroppo è stato questo a farmi cadere in errore!
0
voti
[84] Re: Alimentatore
Evidentemente non ci siamo capiti oppure mi sono spiegato male.
Se due linee si incontrano (es. a sinistra) sono collegate.
Se si incrociano sono collegate solo se esiste il punto.
Se due linee si incontrano (es. a sinistra) sono collegate.
Se si incrociano sono collegate solo se esiste il punto.
marco
0
voti
[85] Re: Alimentatore
chiedo aiuto urgentemente per come mettere le immagini e gli schemi fatti con fidocadj su questo forum. Ho la versione di fidocadj 0 23 7
0
voti
[86] Re: Alimentatore
A volte basta leggere le istruzioni e c'è perfino chi dopo un anno è riuscito a trovarle
0
voti
[87] Re: Alimentatore
Molto gentile da parte tua , le istruzioni di cui parli tu le ho lette ma non riesco a trovare il codice.Questo è il passaggio che non riesco a trovare: Selezionare Circuito > Visualizza Codice
1
voti
[88] Re: Alimentatore
Ok, allora devi selezionare tutto il tuo disegno col mouse, premi CTRL+C, poi nella risposta premi CTRL+V dentro i tag fcd, e ti salta fuori...
0
voti
[89] Re: Alimentatore
Per visualizzare il codice si va in Circuito-testo del circuito. Ma è un'opzione che non è necessario eseguire. Dopo aver selezionato il disegno lo si copia negli appunti e lo si incolla nel messaggio tra i tag fcd
1
voti
[90] Re: Alimentatore
Questo è il mio lavoro con fidocadj , spero di aver saputo usare il software!
Chi c’è in linea
Visitano il forum: Nessuno e 172 ospiti

Elettrotecnica e non solo (admin)
Un gatto tra gli elettroni (IsidoroKZ)
Esperienza e simulazioni (g.schgor)
Moleskine di un idraulico (RenzoDF)
Il Blog di ElectroYou (webmaster)
Idee microcontrollate (TardoFreak)
PICcoli grandi PICMicro (Paolino)
Il blog elettrico di carloc (carloc)
DirtEYblooog (dirtydeeds)
Di tutto... un po' (jordan20)
AK47 (lillo)
Esperienze elettroniche (marco438)
Telecomunicazioni musicali (clavicordo)
Automazione ed Elettronica (gustavo)
Direttive per la sicurezza (ErnestoCappelletti)
EYnfo dall'Alaska (mir)
Apriamo il quadro! (attilio)
H7-25 (asdf)
Passione Elettrica (massimob)
Elettroni a spasso (guidob)
Bloguerra (guerra)







