Cos'è ElectroYou | Login Iscriviti

ElectroYou - la comunità dei professionisti del mondo elettrico

Domande schema luci led strobo

hi-fi, luci, suoni, effetti speciali, palcoscenici...

Moderatore: Foto UtenteIsidoroKZ

0
voti

[1] Domande schema luci led strobo

Messaggioda Foto UtenteMave » 27 gen 2012, 22:11

Salve a tutti. Sono nuovo nel forum e mi sono iscritto per esporre le mie domande ad esperti, ho 16 anni e sono al terzo anno di elettrotecnica e di elettronica non so molto.

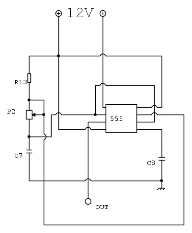
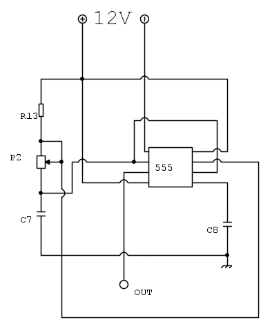
Ripropongo uno schema abbastanza vecchio:
Immagine

Le mie domande sono:
1.con quale resistenza si pilota la frequenza dei lampeggi?
2.i valori dei componenti riportati sullo schema sono validi?
3.posso pilotare 100 led (30mA 3.6-3.9V ovviamente ognuno)?
4.presumo che per pilotare questo numero di led dovrò cambiare transistor, giusto?
5.come mi suggerite di collegare i led?
6.la tensione di 5v in ingresso la posso cambiare a 12v x comodità?
7.se è possibile cambiare quella tensione che cambiamenti dovrò apportare?

Ringrazio chiunque risponda alle mie domande e perdonatemi per essere stato cosi assillante.

Ciao a tutti!! O_/ O_/
Mave
Avatar utente
Foto UtenteMave
100 1 6
Frequentatore
Frequentatore
 
Messaggi: 194
Iscritto il: 27 gen 2012, 21:41
Località: Terlano

0
voti

[2] Re: Domande schema luci led strobo

Messaggioda Foto Utentedimitri94 » 27 gen 2012, 22:55

Ciao
io faccio 4 elettrotecnica siamo quasi coetanei.. :D comunque da due mesetti abbondanti mi diletto sull elettronica e questo circuito è stato il primo che ho fatto... :-)
ti posto lo schema cosi posso farti vedere meglio:


1)la frequenza la gestisci tramite R13-P2-C7 io ho messo il il potenziometro P2 cosi R13 e C7 li lascio cosi e agisco solo su quello per comodità.

2)potrebbe anche essere io per sicurezza ti do i miei cosi vai sul sicuro... ;-) R13 resistenza 1Kohm-P2potenziometro da 10 Kohm-C7 condensatore da 47uF-C8 condensatore da 10uF.

3)Certo che puoi basta che usi un transistor adatto... :-)

4)sul transistor non posso esserti d aiuto ma credo (spero di non dire una cavolata) che con un transistor di potenza te la cavi benissimo :ok:

5)io ti consiglio di fare serie da 3 e mettere tutte le serie in parallelo

6)Si puoi farlo io infatti o utilizzato una batteria da antifuro da 12V :ok:

7)con i 12V usa pure i valori che ti o dato andranno benissimo... :ok:

spero di essere stato esauriente....
per qualsiasi cosa chiedi pure resto a tua disposizione... e buona fortuna per il circuito.. :-)
Avatar utente
Foto Utentedimitri94
113 5 7
Sostenitore
Sostenitore
 
Messaggi: 515
Iscritto il: 10 gen 2012, 20:46

0
voti

[3] Re: Domande schema luci led strobo

Messaggioda Foto UtenteOberoN » 27 gen 2012, 22:56

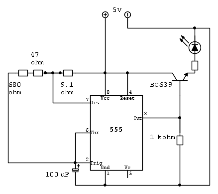
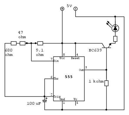
Allora, la frequenza è circa
\nu_{555}\approx\frac{10000}{0.693(R_1+2R_2)}\;(\text{Hz}),
con, nel tuo caso, R_1=9.1\;\Omega, R_2=727\;\Omega e C=100\;\mu\text{F}. Le resistenze che la pilotano sono quindi tutte e due, ma solo una pilota il duty cycle, cioè la percentuale di tempo in cui l'uscita rimane alta rispetto al periodo totale. Per avere un'onda quadra, è sufficiente tenere R_1\ll R_2.
I valori sono validi, per l'uso fatto, poiché
\nu_{555}\approx\frac{10000}{0.693(9.1+2\cdot 727)}\approx\frac{10000}{0.693\cdot 1463.1}\approx\frac{10000}{1013.9283}\approx 9.862\;\text{Hz}.
Poi, ehm, 100 led da 30\;\text{mA} e 3.6\!-\!3.9\;\text{V} ... dipende dall'alimentazione (rete? batterie? mAh?).
In assoluto, con 12 V, se li metti tutti in parallelo, consumano 30\cdot100=3\;\text{A}; se li metti tutti in serie, avrai che i primi 3-4 si accendono, il resto no.
Il transistor lo devi cambiare di certo. Con la tensione cambiano le correnti, dovresti andare a vedere la massima corrente del 555 sul datasheet e ridimensionare resistenze e condensatore in base a quella. Se non sai come si fa, chiedi e ti verrà spiegato.
O_/

PS: Gli schemi, la prossima volta, falli in FidoCadJ.
Per usare un simulatore devi conoscere più elettronica di lui. [Foto UtenteIsidoroKZ]
40. There are two ways to write error-free programs; only the third one works.
[Alan J. Perlis, Epigrams on Programming]
Avatar utente
Foto UtenteOberoN
801 1 4 9
Stabilizzato
Stabilizzato
 
Messaggi: 483
Iscritto il: 12 feb 2011, 18:20
Località: 127.0.0.1

0
voti

[4] Re: Domande schema luci led strobo

Messaggioda Foto Utentedimitri94 » 27 gen 2012, 23:02

Con la tensione cambiano le correnti, dovresti andare a vedere la massima corrente del 555 sul datasheet e ridimensionare resistenze e condensatore in base a quella.

dici quella che puo erogare il 555..? :-)
comunque l integrato puo al massimo sopportare 15v di alimentazione (la corrente non me la ricordo :roll: ) e puo erogare un massimo di 200mA appunto per quello che mettiamo un transistor... ;-)
Avatar utente
Foto Utentedimitri94
113 5 7
Sostenitore
Sostenitore
 
Messaggi: 515
Iscritto il: 10 gen 2012, 20:46

0
voti

[5] Re: Domande schema luci led strobo

Messaggioda Foto UtenteOberoN » 27 gen 2012, 23:03

No, la corrente in entrata (pin 7). Anche se non penso ci siano problemi.

PS Io adesso mene vado, ma lo dico comunque: sono 25\;\mu\text{A}.
Per usare un simulatore devi conoscere più elettronica di lui. [Foto UtenteIsidoroKZ]
40. There are two ways to write error-free programs; only the third one works.
[Alan J. Perlis, Epigrams on Programming]
Avatar utente
Foto UtenteOberoN
801 1 4 9
Stabilizzato
Stabilizzato
 
Messaggi: 483
Iscritto il: 12 feb 2011, 18:20
Località: 127.0.0.1

0
voti

[6] Re: Domande schema luci led strobo

Messaggioda Foto UtenteMave » 28 gen 2012, 0:38

Usa il bottone RISPONDI non quello CITA!

Grazie di tutto mi hai chiarito molte cose.. solamente non so che transistor utilizzare.. qualcuno sa dirmi in base a cosa va scelto? grazie ancora a tutti!! :D
Avatar utente
Foto UtenteMave
100 1 6
Frequentatore
Frequentatore
 
Messaggi: 194
Iscritto il: 27 gen 2012, 21:41
Località: Terlano

1
voti

[7] Re: Domande schema luci led strobo

Messaggioda Foto UtenteIsidoroKZ » 28 gen 2012, 0:51

Devi mettere due led in serie, e ancora in serie con una resistenza da 150ohm (o anche 180ohm).

Queste 50 serie (per un totale di 100 led) le metti in parallelo.

Devi usare come transistore un MOS in configurazione source comune, e il 555 deve generare degli impulsi di durata molto breve (duty cycle basso).

Fai lo schema in fidocadj, ed eventualmente lo modifico per far vedere che cosa bisogna fare.

Butta via spice, per usarlo bisogna sapere tanta elettronica.
Per usare proficuamente un simulatore, bisogna sapere molta più elettronica di lui
Plug it in - it works better!
Il 555 sta all'elettronica come Arduino all'informatica! (entrambi loro malgrado)
Se volete risposte rispondete a tutte le mie domande
Avatar utente
Foto UtenteIsidoroKZ
121,2k 1 3 8
G.Master EY
G.Master EY
 
Messaggi: 21059
Iscritto il: 17 ott 2009, 0:00

0
voti

[8] Re: Domande schema luci led strobo

Messaggioda Foto Utentesimo85 » 28 gen 2012, 0:54

OberoN ha scritto:Allora, la frequenza è circa ...

Foto UtenteOberoN i tre zeri sono di troppo e manca il condensatore :-)
La massima corrente accettata dal 555, (source & sink) è di \approx 200\text{mA}, quindi mai avvicinarsi.

O_/
Avatar utente
Foto Utentesimo85
30,9k 7 12 13
Disattivato su sua richiesta
 
Messaggi: 9927
Iscritto il: 30 ago 2010, 4:59

0
voti

[9] Re: Domande schema luci led strobo

Messaggioda Foto UtenteMave » 28 gen 2012, 1:05

bene 2 led in serie con resistenza da 150-180ohm.. e ok! poi 50 paralleli uguali di 2 led e resistenza.

allora saresti cosi gentile da spiegarmi più specificamente le info di quel transistor? non so molto su di loro, a scuola è il prossimo argomento che tratteremo... forse entro la settimana :lol: .

lo schema lo sto rifacendo e un po riadattandolo..
P.s. quello schema nel primo post non l'ho fatto io, l'ho preso dal web.

Grazie ancora!!!
Avatar utente
Foto UtenteMave
100 1 6
Frequentatore
Frequentatore
 
Messaggi: 194
Iscritto il: 27 gen 2012, 21:41
Località: Terlano

1
voti

[10] Re: Domande schema luci led strobo

Messaggioda Foto UtenteMave » 28 gen 2012, 1:20

ecco il circuito rifatto:


vista la mia poca esperienza pratica potreste aiutarmi a:
1.dove mettere il potenziometro e che valore deve avere per poter stare da 1 a 20-30hz (secondo voi come frequenza è adeguata per avere un bel effetto stroboscopico?)
2.adattare i componenti per l'alimentazione a 12v

grazie!
Avatar utente
Foto UtenteMave
100 1 6
Frequentatore
Frequentatore
 
Messaggi: 194
Iscritto il: 27 gen 2012, 21:41
Località: Terlano

Prossimo

Torna a Elettronica e spettacolo

Chi c’è in linea

Visitano il forum: Nessuno e 16 ospiti