Salve a tutti!
Ho molto da imparare e poco tempo per "studiare", perciò approfitto di EY per capire qualcosa e continuare lo studio-hobby della "corrente".
Avrei bisogno di capire se le porte logiche (AND, NAND, OR, NOR, XOR, ETC. ETC.) sono riproducibili con impianti elettrici di tipo civile (cioè con la corrente di casa). Se si, il segnale d'ingresso viene considerato pari a 1 nel momento in cui esercito una pressione sul pulsante o quando effettivamente c'è un passaggio di corrente? (es.: se devo costruire una porta che risolva la funzione A + B basta collegare in parallelo i pulsanti A e B, ma se la funziona fosse A' + B' ?)
Grazie!
Porte logiche con la corrente da 230V ?
Moderatori:
g.schgor,
IsidoroKZ
38 messaggi
• Pagina 1 di 4 • 1, 2, 3, 4
0
voti
Credo debba distinguere se vuoi una tensione generica all'uscita della rete oppure se vuoi accendere una lampadina o qualcosa del genere.
Se vuoi fare A'+B' con due interruttori, basta chiamare stato ON la posizione della levetta quando l'interruttore e` aperto.
Se invece vuoi fare qualcos'altro, fornisci piu` dettagli.
Se vuoi fare A'+B' con due interruttori, basta chiamare stato ON la posizione della levetta quando l'interruttore e` aperto.
Se invece vuoi fare qualcos'altro, fornisci piu` dettagli.
Per usare proficuamente un simulatore, bisogna sapere molta più elettronica di lui
Plug it in - it works better!
Il 555 sta all'elettronica come Arduino all'informatica! (entrambi loro malgrado)
Se volete risposte rispondete a tutte le mie domande
Plug it in - it works better!
Il 555 sta all'elettronica come Arduino all'informatica! (entrambi loro malgrado)
Se volete risposte rispondete a tutte le mie domande
0
voti
sostanzialmente i circuiti digitali moderni che usano la tecnologia MOS sono come dei grandi insiemi di interruttori, perciò debitamente posizionati si possono fare TUTTE le porte logiche.
-

kevinpirola
319 4 9 - Expert

- Messaggi: 310
- Iscritto il: 14 dic 2011, 18:52
0
voti
Come si può costruire questo circuito utilizzando la corrente a 220 V con relativi pulsanti, relè e quant'altro (ma niente di elettronico) ?
0
voti
Quella funzione non e` "se 3 pulsanti su 4 sono attivi..." ma "se almeno 3 pulsanti su 4 sono attivi..."
Si`, si puo` fare, come tutte le funzioni che puoi scrivere come somma di prodotti, con le variabili di ingresso dritte o negate: in pratica tutte le funzioni.
Per ogni and metti in serie gli interruttori, per la or li metti in parallelo e ottieni:
Si`, si puo` fare, come tutte le funzioni che puoi scrivere come somma di prodotti, con le variabili di ingresso dritte o negate: in pratica tutte le funzioni.
Per ogni and metti in serie gli interruttori, per la or li metti in parallelo e ottieni:
Per usare proficuamente un simulatore, bisogna sapere molta più elettronica di lui
Plug it in - it works better!
Il 555 sta all'elettronica come Arduino all'informatica! (entrambi loro malgrado)
Se volete risposte rispondete a tutte le mie domande
Plug it in - it works better!
Il 555 sta all'elettronica come Arduino all'informatica! (entrambi loro malgrado)
Se volete risposte rispondete a tutte le mie domande
3
voti
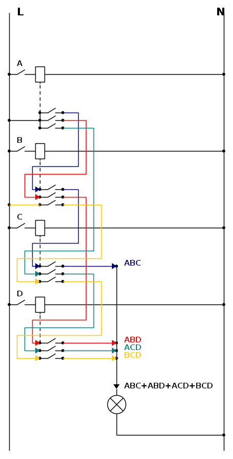
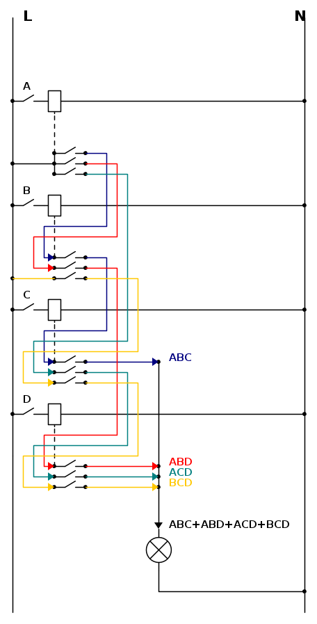
Seguendo lo schema di
IsidoroKZ, ho ricavato questa cosa:
Collegando i fili come nello schema (ho collegato ogni pulsante con un relè), potrebbe funzionare o rischio di mandare in corto circuito tutto? ...e se vengono chiusi tutt'e quattro gli interruttori che succede?
PS: ma esistono relè con tre interruttori NO?
Collegando i fili come nello schema (ho collegato ogni pulsante con un relè), potrebbe funzionare o rischio di mandare in corto circuito tutto? ...e se vengono chiusi tutt'e quattro gli interruttori che succede?
PS: ma esistono relè con tre interruttori NO?
0
voti
Ottimo lavoro! Si` i rele` a 230V tre contatti ci sono, ad esempio RS li ha.
Per usare proficuamente un simulatore, bisogna sapere molta più elettronica di lui
Plug it in - it works better!
Il 555 sta all'elettronica come Arduino all'informatica! (entrambi loro malgrado)
Se volete risposte rispondete a tutte le mie domande
Plug it in - it works better!
Il 555 sta all'elettronica come Arduino all'informatica! (entrambi loro malgrado)
Se volete risposte rispondete a tutte le mie domande
0
voti
Scusa, l'avevi gia` chiesto e ho dimenticato di rispondere. La luce rimane accesa. La rete logica che hai fatto non e` "si accende quando sono premuti 3 pulsanti", ma "si accende quando sono premuti almeno tre pulsanti". Dato che 4 pulsanti premuti sono comunque almeno 3, la lampada si accende.
Se vuoi una rete che si accenda quando hai esattamente 3 pulsanti su 4 schiacciati, ci vogliono 4 rele` a 4 scambi (ci sono anche quelli).
Se vuoi una rete che si accenda quando hai esattamente 3 pulsanti su 4 schiacciati, ci vogliono 4 rele` a 4 scambi (ci sono anche quelli).
Per usare proficuamente un simulatore, bisogna sapere molta più elettronica di lui
Plug it in - it works better!
Il 555 sta all'elettronica come Arduino all'informatica! (entrambi loro malgrado)
Se volete risposte rispondete a tutte le mie domande
Plug it in - it works better!
Il 555 sta all'elettronica come Arduino all'informatica! (entrambi loro malgrado)
Se volete risposte rispondete a tutte le mie domande
0
voti
Se volessi realizzare praticamente questo circuito, ho paura che, nel caso ABCD (tutti gli interruttori chiusi), per com'è disegnato lo schema, mando in corto circuito tutto quanto perché la corrente arriverebbe contemporaneamente su ABC, su ABD, su ACD e su BCD.Come posso aggirare questo ostacolo? Forse mettendo una lampadina ad ogni singola uscita (una per ABC, una per ABD, etc. etc.) che mi faccia da resistenza ...? Ma se volessi usare una sola lampadina?
38 messaggi
• Pagina 1 di 4 • 1, 2, 3, 4
Torna a Elettrotecnica generale
Chi c’è in linea
Visitano il forum: Nessuno e 76 ospiti

Elettrotecnica e non solo (admin)
Un gatto tra gli elettroni (IsidoroKZ)
Esperienza e simulazioni (g.schgor)
Moleskine di un idraulico (RenzoDF)
Il Blog di ElectroYou (webmaster)
Idee microcontrollate (TardoFreak)
PICcoli grandi PICMicro (Paolino)
Il blog elettrico di carloc (carloc)
DirtEYblooog (dirtydeeds)
Di tutto... un po' (jordan20)
AK47 (lillo)
Esperienze elettroniche (marco438)
Telecomunicazioni musicali (clavicordo)
Automazione ed Elettronica (gustavo)
Direttive per la sicurezza (ErnestoCappelletti)
EYnfo dall'Alaska (mir)
Apriamo il quadro! (attilio)
H7-25 (asdf)
Passione Elettrica (massimob)
Elettroni a spasso (guidob)
Bloguerra (guerra)






