Circuito che ogni 5 minuti inverte la polarità
Moderatori:
carloc,
g.schgor,
BrunoValente,
IsidoroKZ
43 messaggi
• Pagina 2 di 5 • 1, 2, 3, 4, 5
0
voti
Scusate, ma con Fidocad.. non ci vado tanto d'accordo..
- Allegati
-
- Untitled-2.jpg (61.96 KiB) Osservato 4863 volte
-

futuredj95
11 1 5 - New entry

- Messaggi: 96
- Iscritto il: 29 dic 2010, 22:04
0
voti
futuredj95 ha scritto:Scusate, ma con Fidocad.. non ci vado tanto d'accordo..
Male, molto male!
Finche' posti " roba" come quella dubito che qualcuno vorra' darti una mano.
marco
0
voti
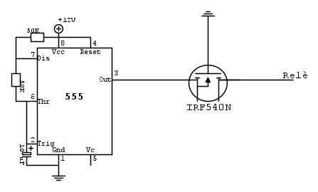
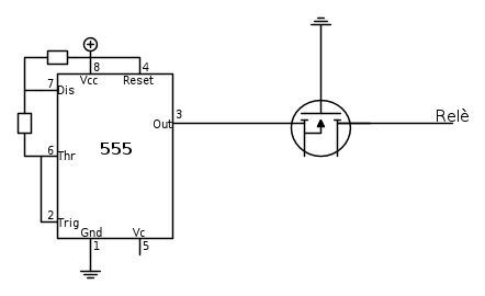
Allora, il tuo circuito, cosi' come lo hai disegnato, produce un'onda quadra con frequenza di circa 1Hz ed un Duty Cicle del 67%; sarebbe a dire che l'uscita resta a livello alto per circa 0.6" e a livello basso per 0.4".
Se questi tempi sono di tuo gradimento, quello che mi pare sia da correggere e' il collegamento del mosfet:
Per dare maggiore stabilita' al circuito, metterei anche un condensatore da 10nF tra il pin 5 e GND; alcuni dicono che non serve ma....male non fa!
Se questi tempi sono di tuo gradimento, quello che mi pare sia da correggere e' il collegamento del mosfet:
Per dare maggiore stabilita' al circuito, metterei anche un condensatore da 10nF tra il pin 5 e GND; alcuni dicono che non serve ma....male non fa!
marco
0
voti
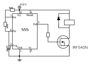
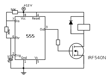
Ciao Marco.. quella fra l'uscita del 555 e il gate del Mosfet è una resistenza? di che valore? come diodo cosa è preferibile inserire?
avevo già provato a collegarlo così, ma senza il diodo alla bobina e senza la resistenza che hai inserito e non andava..(e quindi ho pensato che la source doveva essere l'uscita, con drain verso relè visto che l'oscillatore produce impulsi positivi) comunque in giornata provo e ti faccio sapere
grazie 
avevo già provato a collegarlo così, ma senza il diodo alla bobina e senza la resistenza che hai inserito e non andava..(e quindi ho pensato che la source doveva essere l'uscita, con drain verso relè visto che l'oscillatore produce impulsi positivi) comunque in giornata provo e ti faccio sapere
-

futuredj95
11 1 5 - New entry

- Messaggi: 96
- Iscritto il: 29 dic 2010, 22:04
0
voti
In effetti ho dimenticato di inserire il valore della resistenza; mettila da 330 ohm e ne metterei anche una da 10K tra gate e GND.
Per diodo puoi mettere un 1N4007.
Una domanda: ma era proprio necessario mettere il mosfet? Che caratteristiche ha il rele' che devi pilotare?
Non hai poi risposto alla mia domanda: sono quelli i tempi che vuoi ottenere?
Per diodo puoi mettere un 1N4007.
Una domanda: ma era proprio necessario mettere il mosfet? Che caratteristiche ha il rele' che devi pilotare?
Non hai poi risposto alla mia domanda: sono quelli i tempi che vuoi ottenere?
marco
0
voti
Era necessario, infatti se lo collegavo direttamente dopo uno o due scambi mandava la 12V continua.. il tester allo scambio segnava all'incirca 700mA, e il 555 ne ha solo 200 di uscita.. 
No, non sono quelli, perché ho sbagliato il valore del condensatore che è 100uF anzichè 10.. quindi all'incirca 6" e 3" (se non sbaglio qualcosa)sono quelli i tempi che vuoi ottenere?
-

futuredj95
11 1 5 - New entry

- Messaggi: 96
- Iscritto il: 29 dic 2010, 22:04
43 messaggi
• Pagina 2 di 5 • 1, 2, 3, 4, 5
Chi c’è in linea
Visitano il forum: Google Adsense [Bot] e 243 ospiti

Elettrotecnica e non solo (admin)
Un gatto tra gli elettroni (IsidoroKZ)
Esperienza e simulazioni (g.schgor)
Moleskine di un idraulico (RenzoDF)
Il Blog di ElectroYou (webmaster)
Idee microcontrollate (TardoFreak)
PICcoli grandi PICMicro (Paolino)
Il blog elettrico di carloc (carloc)
DirtEYblooog (dirtydeeds)
Di tutto... un po' (jordan20)
AK47 (lillo)
Esperienze elettroniche (marco438)
Telecomunicazioni musicali (clavicordo)
Automazione ed Elettronica (gustavo)
Direttive per la sicurezza (ErnestoCappelletti)
EYnfo dall'Alaska (mir)
Apriamo il quadro! (attilio)
H7-25 (asdf)
Passione Elettrica (massimob)
Elettroni a spasso (guidob)
Bloguerra (guerra)



