ho riletto per bene le tue domande e credo di aver capito: tu hai bisogno di collegare in serie due alimentatori, uno da 12V e uno da 8V, in modo che il positivo di quello da 8V sia in comune con il negativo di quello da 12 V, è così?
Se è così allora non puoi collegare i 12 V in ingresso al regolatore.
Dimmi prima se ho capito correttamente il tuo problema, poi ti dico come fare.
Disaccoppiare GND
Moderatori:
carloc,
g.schgor,
BrunoValente,
IsidoroKZ
15 messaggi
• Pagina 2 di 2 • 1, 2
0
voti
Penso che sia corretto quello che tu dici.
In sostanza la parte da 8V è un Bias....
Quello che ho fatto è una semplificazione di un circuito che sto realizzando.
grazie
In sostanza la parte da 8V è un Bias....
Quello che ho fatto è una semplificazione di un circuito che sto realizzando.
grazie
0
voti
Certamente è disegnato in modo poco corretto ma spero che si comprenda il mio quesito:
Il +8V del L2940 va in corto con il - del generatore a 12V.
Questo problema attualmente lo risolvo usando una batteria a 12V per L2940...ma vorrei utilizzare lo stesso generatore a 12V
Grazie
Il +8V del L2940 va in corto con il - del generatore a 12V.
Questo problema attualmente lo risolvo usando una batteria a 12V per L2940...ma vorrei utilizzare lo stesso generatore a 12V
Grazie
0
voti
0
voti
Dal circuito non si capisce cosa devi fare, forse si potrebbe optare per altre soluzioni che non richiedano la serie di quelle due tensioni, ma non ho voglia di entrare nel merito.
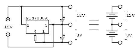
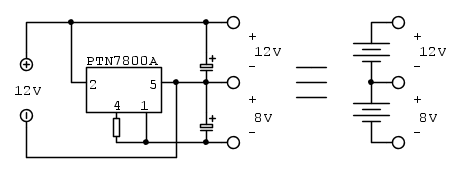
Per fare la serie tra le due tensioni puoi utilizzare questo componente che si chiama PTN78000A con il quale, a partire da una tensione positiva (i tuoi 12V) puoi ottenere in uscita una tensione negativa stabilizzata regolabile che puoi impostare a -8V scegliendo opportunamente il valore di una resistenza secondo una tabella di corrispondenza che trovi nel datasheet.
Spero di averci azzeccato.
Per fare la serie tra le due tensioni puoi utilizzare questo componente che si chiama PTN78000A con il quale, a partire da una tensione positiva (i tuoi 12V) puoi ottenere in uscita una tensione negativa stabilizzata regolabile che puoi impostare a -8V scegliendo opportunamente il valore di una resistenza secondo una tabella di corrispondenza che trovi nel datasheet.
Spero di averci azzeccato.
-

BrunoValente
39,6k 7 11 13 - G.Master EY

- Messaggi: 7796
- Iscritto il: 8 mag 2007, 14:48
15 messaggi
• Pagina 2 di 2 • 1, 2
Chi c’è in linea
Visitano il forum: Google [Bot] e 133 ospiti

Elettrotecnica e non solo (admin)
Un gatto tra gli elettroni (IsidoroKZ)
Esperienza e simulazioni (g.schgor)
Moleskine di un idraulico (RenzoDF)
Il Blog di ElectroYou (webmaster)
Idee microcontrollate (TardoFreak)
PICcoli grandi PICMicro (Paolino)
Il blog elettrico di carloc (carloc)
DirtEYblooog (dirtydeeds)
Di tutto... un po' (jordan20)
AK47 (lillo)
Esperienze elettroniche (marco438)
Telecomunicazioni musicali (clavicordo)
Automazione ed Elettronica (gustavo)
Direttive per la sicurezza (ErnestoCappelletti)
EYnfo dall'Alaska (mir)
Apriamo il quadro! (attilio)
H7-25 (asdf)
Passione Elettrica (massimob)
Elettroni a spasso (guidob)
Bloguerra (guerra)




