Cos'è ElectroYou | Login Iscriviti

ElectroYou - la comunità dei professionisti del mondo elettrico

Dubbio esercizio

Circuiti, campi elettromagnetici e teoria delle linee di trasmissione e distribuzione dell’energia elettrica

Moderatori: Foto Utenteg.schgor, Foto UtenteIsidoroKZ

1
voti

[1] Dubbio esercizio

Messaggioda Foto UtenteLoki88 » 1 feb 2012, 20:54

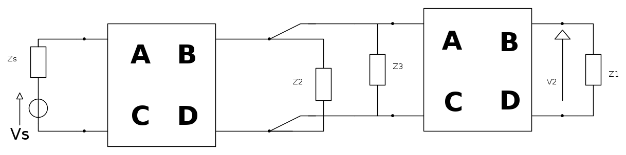
Vorrei proporvi questo esercizio d'esame, non sono sicuro infatti di averlo risolto nel modo giusto e vorrei chiedervi conferma, mostrandovi come ho ragionato.
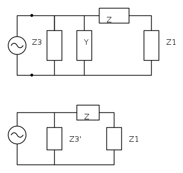
Intanto la rete è questa



I dati sono:

Vs=5 V
Zs=50 Ω
Z1=20-j30 Ω
Z2=50+j5 Ω
Z3=10-j300 Ω
A=1
B=25+j10 Ω
D=0,9+j0,1 Ω

Si richiede il calcolo della potenza (attiva e reattiva) erogata dal generatore.

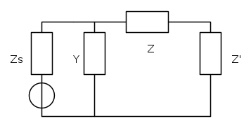
Come primo passo ho sostituito i doppi bipoli presenti con gli schemi equivalenti a π, ma poiché A=1 lo schema risulta a metà π con:
Y=\frac{D-1}{B}
Z=B

Calcolo l’impedenza equivalente della parte del circuito che si dirama verso l’alto a destra, inserendo tra i morsetti un generatore di tensione unitaria così che:


Zeq=\frac{1}{I}

Dove I è la corrente nella maglia di sinistra, dal parallelo tra Z3 e Y calcolo Z3’: Z3\acute{}=\frac{Z3\cdot\frac{1}{Y}}{Z3+\frac{1}{Y}}}

Con il metodo delle maglie:
\begin{Bmatrix} 1 \\ 0 \end{Bmatrix}
=
\begin{Bmatrix} Z3\acute{} & -Z3\acute{}\\ -Z3\acute{} & Z3\acute{}+Z+Z1 \end{Bmatrix}
\cdot\begin{Bmatrix} I \\ I1 \end{Bmatrix}

da cui per inversione trovo: I=\frac{1}{Z+Z1}

L'impedenza equivalente della parte del circuito è: Zeq=Z+Z1
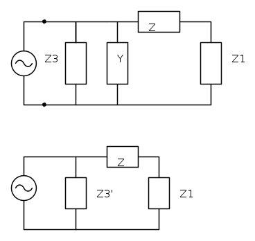
Dunque considero la parte terminale del circuito, dove sostituisco Zeq, che risulta in parallelo a Z2, chiamata Z' l'impedenza equivalente, vale: Z\acute{}=\frac{Zeq\cdotZ2}{Zeq+Z2}.
Il circuito finale è dunque:


L'impedenza complessiva, cortocircuitando il generatore: Ztot=\frac{Zs\cdot\frac{1}{Y}}{Zs+\frac{1}{Y}}+Z+Z\acute{}

Quindi sono in grado di calcolare la corrente: I=\frac{Vs}{Ztot}
Il fattore di potenza è: \theta=\angle I
per cui la potenza attiva vale: P=Vs\cdotI\cos\theta=Vs^{2}\cos\theta
e quella reattiva: Q=Vs\cdotI\sin\theta=Vs^{2}\sin\theta.

Spero non vogliate picchiarmi per quanto scritto sopra...ho usato anche LaTex e FidoCadJ :(
Avatar utente
Foto UtenteLoki88
25 1 2
 
Messaggi: 37
Iscritto il: 1 feb 2012, 10:52
Località: Teramo

0
voti

[2] Re: Dubbio esercizio

Messaggioda Foto UtenteRenzoDF » 1 feb 2012, 22:07

... e C quanto vale ?
"Il circuito ha sempre ragione" (Luigi Malesani)
Avatar utente
Foto UtenteRenzoDF
55,9k 8 12 13
G.Master EY
G.Master EY
 
Messaggi: 13189
Iscritto il: 4 ott 2008, 9:55

0
voti

[3] Re: Dubbio esercizio

Messaggioda Foto UtenteLoki88 » 1 feb 2012, 22:36

Pensavo non servisse calcolarlo se trasformo la rete in quel modo, ma dovrebbe essere: C=\frac{A\cdot D-1}{B} per la reciprocità del doppio bipolo
Avatar utente
Foto UtenteLoki88
25 1 2
 
Messaggi: 37
Iscritto il: 1 feb 2012, 10:52
Località: Teramo

0
voti

[4] Re: Dubbio esercizio

Messaggioda Foto UtenteRenzoDF » 1 feb 2012, 23:24

Hai ragione C non serve, se supponiamo di cercare una rappresentazione a T Za-Zc-Zb, visto che A=1 -> Za=0 e di conseguenza Zb=B e Zc=Zb/(D-1)=B/(D-1) proprio come hai detto tu, rendendo possibile la sostituzione di entrambi i doppi bipoli con le 2 reti di impedenze "gamma" :ok:

Vedo pero' inutile scomodare il metodo delle correnti di maglia, io per trovare la Zeq andrei di Ahmes :mrgreen:

BTW il fattore di potenza non e' un angolo e nelle relazioni delle potenze mi sembra manchi "qualcosa".
"Il circuito ha sempre ragione" (Luigi Malesani)
Avatar utente
Foto UtenteRenzoDF
55,9k 8 12 13
G.Master EY
G.Master EY
 
Messaggi: 13189
Iscritto il: 4 ott 2008, 9:55

0
voti

[5] Re: Dubbio esercizio

Messaggioda Foto UtenteLoki88 » 1 feb 2012, 23:44

Oddio non conosco Ahmes, a dire il vero non l'ho mai sentito :cry:
Comunque il fattore dovrebbe essere il coseno dell'angolo, sbaglio?

PS mancano le correnti, si vede che scrivendo con tex, ho fatto qualche errore di sintassi, ma il procedimento nel complesso è esatto?
Avatar utente
Foto UtenteLoki88
25 1 2
 
Messaggi: 37
Iscritto il: 1 feb 2012, 10:52
Località: Teramo

0
voti

[6] Re: Dubbio esercizio

Messaggioda Foto UtenteRenzoDF » 1 feb 2012, 23:45

Loki88 ha scritto:Comunque il fattore dovrebbe essere il coseno dell'angolo, sbaglio?

No, non sbagli :ok:
... ma ricorda che l'angolo relativo al f.d.p. non e' normalmente pari all'argomento del fasore della corrente, bensì alla differenza fra l'argomento del fasore della tensione e quello della corrente :!:

BTW per i pedici, per es. V_{s} usa
Codice: Seleziona tutto
[tex]V_{s}[/tex]
"Il circuito ha sempre ragione" (Luigi Malesani)
Avatar utente
Foto UtenteRenzoDF
55,9k 8 12 13
G.Master EY
G.Master EY
 
Messaggi: 13189
Iscritto il: 4 ott 2008, 9:55

0
voti

[7] Re: Dubbio esercizio

Messaggioda Foto UtenteRenzoDF » 1 feb 2012, 23:59

Loki88 ha scritto:... ma il procedimento nel complesso è esatto?

Direi di no, ora non posso controllare tutto, ma per esempio mi sembra che tu abbia fatto uno strano parallelo per il calcolo della Zeq finale.

Se rifai i calcoli e posti un risultato numerico mi faciliteresti il controllo, che faro' non appena avro' tempo.

BTW posso sapere cosa e dove studi?
"Il circuito ha sempre ragione" (Luigi Malesani)
Avatar utente
Foto UtenteRenzoDF
55,9k 8 12 13
G.Master EY
G.Master EY
 
Messaggi: 13189
Iscritto il: 4 ott 2008, 9:55

0
voti

[8] Re: Dubbio esercizio

Messaggioda Foto UtenteLoki88 » 2 feb 2012, 9:21

Buondì, ho fatto i conti per la Z finale, Z_{tot}\approx 102.4-j8.1\Omega
Con Z\acute{} \approx 25.4-j4.1\Omega
La corrente sul generatore: I \approx 0.05+j3.8 A = 3.8\cdot e^{j\cdot 1.56}A
Lo sfasamento corrente potenza risulta: \theta =\arctan \frac{3.8}{0.05} \approx 1.56 rad
la potenza attiva vale: P=5\cdot 3.8 \cos (1.56)\approx 0.2 W
la reattiva: Q=5\cdot 3.8 \sin (1.56)\approx 1.02 var

Comunque studio ingegneria informatica a L'Aquila.
Avatar utente
Foto UtenteLoki88
25 1 2
 
Messaggi: 37
Iscritto il: 1 feb 2012, 10:52
Località: Teramo

4
voti

[9] Re: Dubbio esercizio

Messaggioda Foto UtenteRenzoDF » 2 feb 2012, 16:16

A me l'impedenza totale risulta

Z_{eq}=101,1-j12,68\,\,\Omega

comunque, per capire il perche' della differenza, sarebbe utile uno schema FidoCadJ con la catena di impedenze dove vengano specificati il singoli valori; se ti va di farlo lo controllo appena postato.

Stavo ora notando che alternativamente, si potrebbe pensare di far "assorbire" il parallelo fra Z2 e Z3 nella seconda matrice di trasmissione per far si che possa essere sfruttata la proprieta' relativa alla determinazione della matrice di trasmissione globale come prodotto delle matrici di trasmissione parziali "in cascata", ma per questo secondo metodo, pur concettualmente piu' "elegante", mi riservo di valutare la "convenienza algebrica".



che porterebbe ad avere per la seconda matrice di trasmissione una forma

M=\left( \begin{matrix}
   A & B  \\
   C^{*} & D^{*}  \\
\end{matrix} \right)

con

C^{*}=\frac{1}{Z_{x}}\ ,\quad D^{*}=1+\frac{Z_{b}}{Z_{x}}

--------------------
Edit

Ricavati i nuovi due suddetti parametri C* e D*, usando Maxima per pigrizia computazionale :-)

ricordando che

Z_{eq}=Z_{s}+Z_{in\to M}=Z_{s}+\frac{AZ_{1}+B}{C^{*}Z_{1}+D*}

avremo

2012-02-02_185530.gif
2012-02-02_185530.gif (8.35 KiB) Osservato 5499 volte
"Il circuito ha sempre ragione" (Luigi Malesani)
Avatar utente
Foto UtenteRenzoDF
55,9k 8 12 13
G.Master EY
G.Master EY
 
Messaggi: 13189
Iscritto il: 4 ott 2008, 9:55

0
voti

[10] Re: Dubbio esercizio

Messaggioda Foto UtenteLoki88 » 2 feb 2012, 20:13

Ho visto che un errore sta nell'inversione della matrice delle impedenze di maglia.

Comunque, trasformando la rete così e considerandolo in cascata, dovrei fare un prodotto matriciale e poi o calcolare l'impedenza vista in ingresso o trasformare il doppio bipolo in cascata...no?
Avatar utente
Foto UtenteLoki88
25 1 2
 
Messaggi: 37
Iscritto il: 1 feb 2012, 10:52
Località: Teramo

Prossimo

Torna a Elettrotecnica generale

Chi c’è in linea

Visitano il forum: Nessuno e 16 ospiti