Esercizio "Le leggi di Kirchhoff"
Moderatori:
carloc,
g.schgor,
BrunoValente,
IsidoroKZ
17 messaggi
• Pagina 2 di 2 • 1, 2
0
voti
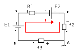
A mio avviso, avendo indicato il verso convenzionale della corrente, la tensione VAB ai capi della resistenza R3 risulta univocamente specificata 
Emanuele Lorina
- Chi lotta contro i mostri deve fare attenzione a non diventare lui stesso un mostro. E se tu riguarderai a lungo in un abisso, anche l'abisso vorrà guardare dentro di te (F. Nietzsche)
- Tavole della legge by admin
- Chi lotta contro i mostri deve fare attenzione a non diventare lui stesso un mostro. E se tu riguarderai a lungo in un abisso, anche l'abisso vorrà guardare dentro di te (F. Nietzsche)
- Tavole della legge by admin
-

Lele_u_biddrazzu
8.154 3 8 13 - Master EY

- Messaggi: 1288
- Iscritto il: 23 gen 2007, 16:13
- Località: Modena
0
voti
Nel circuito in figura ti ho messo le polarità sui bipoli seguendo le convenzioni che credo tu conosca.
La convenzione dei generatori prevede che la corrente esca dal morsetto contrassegnato con il +
Quella degli utilizzatori invece che entri nel morsetto +
Detto tra amici quando la corrente attraversa un utilizzatore provoca una caduta di tensione, mentre un generatore di tensione innalza la tensione dal - al + in base al suo valore.
Una volta stabilito il valore della corrente tu puoi quindi conoscere il valore di tensione di qualsiasi punto del circuito rispetto a uno preso come riferimento.
Considerando che è VA il potenziale di riferimento partendo dal punto A vado verso il punto C e attraversando R2 passo dal - al +, che significa passare da un potenziale più basso a uno più alto. Questo ad occhio, ma lo verifichi facilmente con la legge di Ohm:

dimmelo tu..
Parti da A, scendi fino a B, e risali fino a D...
fammi sapere se ci hai capito qualcosa
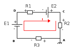
La convenzione dei generatori prevede che la corrente esca dal morsetto contrassegnato con il +
Quella degli utilizzatori invece che entri nel morsetto +
Detto tra amici quando la corrente attraversa un utilizzatore provoca una caduta di tensione, mentre un generatore di tensione innalza la tensione dal - al + in base al suo valore.
Una volta stabilito il valore della corrente tu puoi quindi conoscere il valore di tensione di qualsiasi punto del circuito rispetto a uno preso come riferimento.
a) Il potenziale in C è maggiore o minore di zero?
Considerando che è VA il potenziale di riferimento partendo dal punto A vado verso il punto C e attraversando R2 passo dal - al +, che significa passare da un potenziale più basso a uno più alto. Questo ad occhio, ma lo verifichi facilmente con la legge di Ohm:

Facendo lo stesso ragionamento di prima...a) Il potenziale in B è maggiore o minore di zero?
dimmelo tu..
c) Calcola il potenziale in D
Parti da A, scendi fino a B, e risali fino a D...
fammi sapere se ci hai capito qualcosa
0
voti
Oddio non riesco a capire! Sarà che sono proprio negato in elettronica..! puoi spiegarmi passo passo tutt e e tre le soluzioni? lo so' che e' logorante" e ti ringrazio per l'aiuto che mi stai dando ed e' rivolto anche agli altri!
0
voti
mi piacerebbe molto essere più comprensivo, ma devo studiare anch'io
se trovo un po di tempo vedrò se posso, ma per il momento ti consiglio di abbandonare l'esercizio e leggere un bel libro di elettrotecnica, o in alternativa puoi anche leggere questo:
http://www.electroyou.it/vis_resource.p ... Corso&id=1
se trovo un po di tempo vedrò se posso, ma per il momento ti consiglio di abbandonare l'esercizio e leggere un bel libro di elettrotecnica, o in alternativa puoi anche leggere questo:
http://www.electroyou.it/vis_resource.p ... Corso&id=1
0
voti
Si ma l'esercizio e' per sabato quindi dovrei riconsegnarlo e sinceramente dubito che in 2 giorni possa capire esattamente come farlo da solo.. Assurdo, non solo ci caricano di compiti e di studiare.. ma pretendono pure tutto e subito ( gli insegnanti )
0
voti
Prova a dirmi il potenziale Vb in questo schema:


Il potenziale in A è nullo come indicato nel disegno.


Il potenziale in A è nullo come indicato nel disegno.
0
voti
Prova ad immaginare la presenza di un generatore messo tra A e C
Il verso della tensione lo devi trovare in base a quello che ti ha già detto
lillo nel [12]
Il verso della tensione lo devi trovare in base a quello che ti ha già detto
⋮ƎlectroYou e ne sai di più!
17 messaggi
• Pagina 2 di 2 • 1, 2
Chi c’è in linea
Visitano il forum: Google [Bot] e 141 ospiti

Elettrotecnica e non solo (admin)
Un gatto tra gli elettroni (IsidoroKZ)
Esperienza e simulazioni (g.schgor)
Moleskine di un idraulico (RenzoDF)
Il Blog di ElectroYou (webmaster)
Idee microcontrollate (TardoFreak)
PICcoli grandi PICMicro (Paolino)
Il blog elettrico di carloc (carloc)
DirtEYblooog (dirtydeeds)
Di tutto... un po' (jordan20)
AK47 (lillo)
Esperienze elettroniche (marco438)
Telecomunicazioni musicali (clavicordo)
Automazione ed Elettronica (gustavo)
Direttive per la sicurezza (ErnestoCappelletti)
EYnfo dall'Alaska (mir)
Apriamo il quadro! (attilio)
H7-25 (asdf)
Passione Elettrica (massimob)
Elettroni a spasso (guidob)
Bloguerra (guerra)






