Pilotare MOSFET IRF840 con NE555
Moderatori:
carloc,
g.schgor,
BrunoValente,
IsidoroKZ
23 messaggi
• Pagina 1 di 3 • 1, 2, 3
0
voti
salve a tutti ragazzi, avrei bisogno di pilotare un MOSFET IRF840 con un NE555, si può??? l'NE555 è alimentato a 9V...consigli? alimentando l'NE555 a 9V, non si dovrebbero avere 9V anche sull'OUT??? ...il Vgs del MOSFET è min 2V, max 4V....riuscirei ad alimentarlo con 9V...help
se può servire qui c'è il link del datasheet del mosfet : http://www.datasheetcatalog.org/datashe ... irf840.pdf
0
voti
peppe91 ha scritto:Alimentando l'NE555 a 9V, non si dovrebbero avere 9V anche sull'OUT?
No. C'è sempre una differenza di tensione tra
e
.Con 9V avrai in output circa
7.5V, come si può intuire dal datasheet.Suppongo che il MOSFET lo fai lavorare come interruttore, dico bene?
Cosa vuoi alimentare con il MOSFET?
Il 555 è in configurazione astabile (oscillatore ad onda quadrata)? Se si, a quale frequenza?
Quali sono i tempi di
e
?Eventualmente puoi valutare l'uso di un altro modello di MOSFET?
Dimenticavo: fai uno schema con FidoCad.

0
voti
La tensione
che riporti è la tensione di soglia del MOS, ossia
;
nel datasheet viene riportato il valore tipico di questa, è un dato statistico. I valori che hai letto, 2 V e 4 V, corrispondono agli estremi riscontrati nel test di svariati campioni. Questo significa che con molta probabilità il tuo MOS avrà una tensione di soglia di circa 3 V. Per accenderlo devi applicare una tensione maggiore di 3 V.
Questi dati riportano le caratteristiche elettriche del dispositivo:
questi invece sono i limiti entro i quali il funzionamento dovrebbe essere garantito a meno di malfunzionamenti intrinseci:
Come puoi vedere la tensione
con cui puoi comandare il dispositivo è di ben 20 V. Puoi accendere il mosfet collegando l'uscita del 555 direttamente al gate del primo, magari con una resistenza piccola in serie.
che riporti è la tensione di soglia del MOS, ossia
;nel datasheet viene riportato il valore tipico di questa, è un dato statistico. I valori che hai letto, 2 V e 4 V, corrispondono agli estremi riscontrati nel test di svariati campioni. Questo significa che con molta probabilità il tuo MOS avrà una tensione di soglia di circa 3 V. Per accenderlo devi applicare una tensione maggiore di 3 V.
Questi dati riportano le caratteristiche elettriche del dispositivo:
questi invece sono i limiti entro i quali il funzionamento dovrebbe essere garantito a meno di malfunzionamenti intrinseci:
Come puoi vedere la tensione
con cui puoi comandare il dispositivo è di ben 20 V. Puoi accendere il mosfet collegando l'uscita del 555 direttamente al gate del primo, magari con una resistenza piccola in serie.-

marioursino
5.687 3 9 13 - G.Master EY

- Messaggi: 1598
- Iscritto il: 5 dic 2009, 4:32
0
voti
Come puoi vedere la tensionecon cui puoi comandare il dispositivo è di ben 20 V. Puoi accendere il mosfet collegando l'uscita del 555 direttamente al gate del primo, magari con una resistenza piccola in serie.
Quidi con l'NE555 alimentato a 9v posso direttamente alimentare il MOSFET? inserisco in serie una resistenza da 33ohm? o da 47? mi sembrano le ideali :)....
Edit: il MOSFET deve essere utilizzato come interruttore di potenza per una tensione di 250V, l'NE555 deve fornire 3 impulsi al secondo.... altra cosa....un lapsus...nel gate va collegato il controllo del mosfet...nel source la tensione in entrata e nel drain l'utilizzatore???? ah, dimenticavo cosa importantissima....l'utilizzatore è di tipo induttivo...quindi presumo serve una protezione per il mosfet per non rischiare di danneggiarlo allo spegnimento o sbaglio?
0
voti
Fai lo schema con valori e dettagli.
Per usare proficuamente un simulatore, bisogna sapere molta più elettronica di lui
Plug it in - it works better!
Il 555 sta all'elettronica come Arduino all'informatica! (entrambi loro malgrado)
Se volete risposte rispondete a tutte le mie domande
Plug it in - it works better!
Il 555 sta all'elettronica come Arduino all'informatica! (entrambi loro malgrado)
Se volete risposte rispondete a tutte le mie domande
0
voti
Sto sempre aspettando schema e dettagli!
Per usare proficuamente un simulatore, bisogna sapere molta più elettronica di lui
Plug it in - it works better!
Il 555 sta all'elettronica come Arduino all'informatica! (entrambi loro malgrado)
Se volete risposte rispondete a tutte le mie domande
Plug it in - it works better!
Il 555 sta all'elettronica come Arduino all'informatica! (entrambi loro malgrado)
Se volete risposte rispondete a tutte le mie domande
1
voti
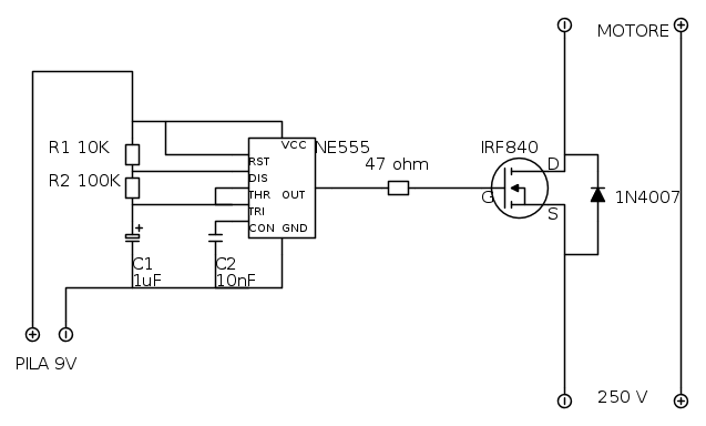
IsidoroKZ ha scritto:Sto sempre aspettando schema e dettagli!
perdonami....ecco un piccolo schema che avevo pensato...secondo te potrebbe funzionare???
la R2 da 100K la vario in base al numero di impulsi al secondo che voglio...con questa se non sbaglio fa roba di 7 o 8 impulsi al secondo...dovrei mettere una 220K oppure inserisco un trimmer e mi regolo il corretto valore x averne 3......
0
voti
Potevi dirlo prima avrei potuto aiutarti subito su questo. Per il momento cerca "555 oscillatore astabile", sia nel forum che in rete.
È importante sapere anche il duty cycle e ricorda che la dissipazione di potenza del MOSFET dipende anche dalla frequenza.
Ciao
EDIT: probabilmente ti conviene usare un altro modello. Sicuro ti serve un dissipatire per il transistore..
È importante sapere anche il duty cycle e ricorda che la dissipazione di potenza del MOSFET dipende anche dalla frequenza.
Ciao
EDIT: probabilmente ti conviene usare un altro modello. Sicuro ti serve un dissipatire per il transistore..
23 messaggi
• Pagina 1 di 3 • 1, 2, 3
Chi c’è in linea
Visitano il forum: Google Adsense [Bot] e 37 ospiti

Elettrotecnica e non solo (admin)
Un gatto tra gli elettroni (IsidoroKZ)
Esperienza e simulazioni (g.schgor)
Moleskine di un idraulico (RenzoDF)
Il Blog di ElectroYou (webmaster)
Idee microcontrollate (TardoFreak)
PICcoli grandi PICMicro (Paolino)
Il blog elettrico di carloc (carloc)
DirtEYblooog (dirtydeeds)
Di tutto... un po' (jordan20)
AK47 (lillo)
Esperienze elettroniche (marco438)
Telecomunicazioni musicali (clavicordo)
Automazione ed Elettronica (gustavo)
Direttive per la sicurezza (ErnestoCappelletti)
EYnfo dall'Alaska (mir)
Apriamo il quadro! (attilio)
H7-25 (asdf)
Passione Elettrica (massimob)
Elettroni a spasso (guidob)
Bloguerra (guerra)



