Circuito semplice con diodi
Moderatori:
g.schgor,
IsidoroKZ
0
voti
La configurazione che hai ipotizzato è corretta.
A questo punto devi solo scrivere le equazioni di maglia. Non è difficile, prova ad andare dai due generatori 10V e 7V al nodo a massa, ricavi le correnti ed il gioco è fatto.
A questo punto devi solo scrivere le equazioni di maglia. Non è difficile, prova ad andare dai due generatori 10V e 7V al nodo a massa, ricavi le correnti ed il gioco è fatto.
-

Giovepluvio
5.978 3 6 10 - G.Master EY

- Messaggi: 2947
- Iscritto il: 21 dic 2010, 1:10
- Località: Mantova
3
voti
Nell'ipotesi di considerare D2 e D3 in conduzione, il circuito diventa il seguente...
pertanto...


I risultati sono compatibili con le ipotesi fatte, quindi D2 e D3 sono effettivamente in conduzione mentre D1 è interdetto
pertanto...


I risultati sono compatibili con le ipotesi fatte, quindi D2 e D3 sono effettivamente in conduzione mentre D1 è interdetto

Ultima modifica di
Lele_u_biddrazzu il 4 feb 2012, 15:29, modificato 1 volta in totale.
Emanuele Lorina
- Chi lotta contro i mostri deve fare attenzione a non diventare lui stesso un mostro. E se tu riguarderai a lungo in un abisso, anche l'abisso vorrà guardare dentro di te (F. Nietzsche)
- Tavole della legge by admin
- Chi lotta contro i mostri deve fare attenzione a non diventare lui stesso un mostro. E se tu riguarderai a lungo in un abisso, anche l'abisso vorrà guardare dentro di te (F. Nietzsche)
- Tavole della legge by admin
-

Lele_u_biddrazzu
8.154 3 8 13 - Master EY

- Messaggi: 1288
- Iscritto il: 23 gen 2007, 16:13
- Località: Modena
0
voti
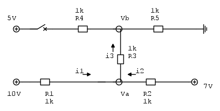
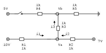
vanno bene queste equazioni?
1. (10-Va)/1=i1
2.(7-Va)/1=i2
3. Va=2*i3
4. i1+i2=i3
dalle quali ricavo:
Va=6,93
Vb=3,46
che rientrano nei range di valori giusti per le ipotesi che ho fatto.
edit: oh, grazie Lele :)) ora guardo bene anche la tua risposta.
nel caso vorrei farvi vedere altri esercizi, posto sempre qui o apro altre discussioni?
1. (10-Va)/1=i1
2.(7-Va)/1=i2
3. Va=2*i3
4. i1+i2=i3
dalle quali ricavo:
Va=6,93
Vb=3,46
che rientrano nei range di valori giusti per le ipotesi che ho fatto.
edit: oh, grazie Lele :)) ora guardo bene anche la tua risposta.
nel caso vorrei farvi vedere altri esercizi, posto sempre qui o apro altre discussioni?
0
voti
Mancano le cadute sui diodi ma concettualmente sono corrette.
-

Giovepluvio
5.978 3 6 10 - G.Master EY

- Messaggi: 2947
- Iscritto il: 21 dic 2010, 1:10
- Località: Mantova
3
voti
JennyJG ha scritto:... in questo circuito devo verificare che D1 è OFF mentre D2 e D3 sono ON.
Se dobbiamo "verificare" direi che si parte da D1=OFF e quindi i1= 0 e si controlla se esiste un potenziale VA compatibile
semplicemente con

... ma vedo che avete gia' risposto in tanti

"Il circuito ha sempre ragione" (Luigi Malesani)
4
voti
[16] Secondo circuito
grazie a tutti
ora vi faccio vedere l'altro... (visto che ho imparato a usare FidoCad chi mi ferma più???
)
Pima ipotesi D1 OFF, D2 ON, D3 ON
ipotesi verificata se:
1. Vb<-10V
2. Va<=2V
3. Vb<=0V
giusto?


Seconda ipotesi D1 OFF, D2 ON, D3 OFF
che significa:
1. Vb<-10V
2. Va<=2V
3. Vb>0V
che non è possibile.
Terza ipotesi D1, D2, D3 ON
che significa:
1. Vb>-10V
2. Va<=2V
3. Vb<0V
che equivale
dunque:

mentre:

entrambi i valori potrebbero andare bene, ma chissà... sono così insicura
ora vi faccio vedere l'altro... (visto che ho imparato a usare FidoCad chi mi ferma più???
Pima ipotesi D1 OFF, D2 ON, D3 ON
ipotesi verificata se:
1. Vb<-10V
2. Va<=2V
3. Vb<=0V
giusto?


Seconda ipotesi D1 OFF, D2 ON, D3 OFF
che significa:
1. Vb<-10V
2. Va<=2V
3. Vb>0V
che non è possibile.
Terza ipotesi D1, D2, D3 ON
che significa:
1. Vb>-10V
2. Va<=2V
3. Vb<0V
che equivale
dunque:

mentre:

entrambi i valori potrebbero andare bene, ma chissà... sono così insicura
0
voti
Continui a non considerare le cadute sui diodi polarizzati in diretta. Non capisco perché...
Edit: in ogni caso è corretta l'ipotesi di considerare tutti i diodi accesi
Edit: in ogni caso è corretta l'ipotesi di considerare tutti i diodi accesi

-

Giovepluvio
5.978 3 6 10 - G.Master EY

- Messaggi: 2947
- Iscritto il: 21 dic 2010, 1:10
- Località: Mantova
1
voti
Credo perché i diodi vengono considerati ideali... 
Emanuele Lorina
- Chi lotta contro i mostri deve fare attenzione a non diventare lui stesso un mostro. E se tu riguarderai a lungo in un abisso, anche l'abisso vorrà guardare dentro di te (F. Nietzsche)
- Tavole della legge by admin
- Chi lotta contro i mostri deve fare attenzione a non diventare lui stesso un mostro. E se tu riguarderai a lungo in un abisso, anche l'abisso vorrà guardare dentro di te (F. Nietzsche)
- Tavole della legge by admin
-

Lele_u_biddrazzu
8.154 3 8 13 - Master EY

- Messaggi: 1288
- Iscritto il: 23 gen 2007, 16:13
- Località: Modena
0
voti
Lele_u_biddrazzu ha scritto:Credo perché i diodi vengono considerati ideali...
Ah ok, allora chiedo scusa. Diodo ideale lo intendevo con caduta, quando polarizzato in diretta, pari a

-

Giovepluvio
5.978 3 6 10 - G.Master EY

- Messaggi: 2947
- Iscritto il: 21 dic 2010, 1:10
- Località: Mantova
0
voti
oh scusatemi, avevo dimenticato di scriverlo: diodi ideali e senza alcuna caduta!!!
ma Va e Vb sono esatti? Non è che ho inventato nuove leggi della fisica?!?
ma Va e Vb sono esatti? Non è che ho inventato nuove leggi della fisica?!?
Torna a Elettrotecnica generale
Chi c’è in linea
Visitano il forum: Nessuno e 86 ospiti

Elettrotecnica e non solo (admin)
Un gatto tra gli elettroni (IsidoroKZ)
Esperienza e simulazioni (g.schgor)
Moleskine di un idraulico (RenzoDF)
Il Blog di ElectroYou (webmaster)
Idee microcontrollate (TardoFreak)
PICcoli grandi PICMicro (Paolino)
Il blog elettrico di carloc (carloc)
DirtEYblooog (dirtydeeds)
Di tutto... un po' (jordan20)
AK47 (lillo)
Esperienze elettroniche (marco438)
Telecomunicazioni musicali (clavicordo)
Automazione ed Elettronica (gustavo)
Direttive per la sicurezza (ErnestoCappelletti)
EYnfo dall'Alaska (mir)
Apriamo il quadro! (attilio)
H7-25 (asdf)
Passione Elettrica (massimob)
Elettroni a spasso (guidob)
Bloguerra (guerra)








