L'assorbimento di corrente dei pedalini varia molto a seconda del pedale, ce ne sono alcuni da 50mA altri da 250mA io ho considerato che attaccando un massimo di 5 pedalini con 1A ho 200mA per pedalino, che sono sicuramente più che sufficienti visto che per ora ho 4 pedalini da circa 100mA, avevo considerato di poter erogare un massimo di 1A in modo da avere quel valore disponibile in caso mi servisse, ma anche perché è un valore che è probabile non raggiungerò con 5 pedalini, però se mi dici che oltre i 700mA è meglio non farglieli erogare le cose cambiano...
Voglio sapere quando l'alimentatore è in sovraccarico perché capiterà di attaccarci pedali non miei e che quindi non ne conosco l'assorbimento di corrente, in tal caso devo sapere però se supero la richiesta di 1A o no, se li supero provvedo a staccare qualcosa!
Alimentatore ad uscita fissa 9V 1A
Moderatori:
g.schgor,
IsidoroKZ
30 messaggi
• Pagina 2 di 3 • 1, 2, 3
0
voti
1
voti
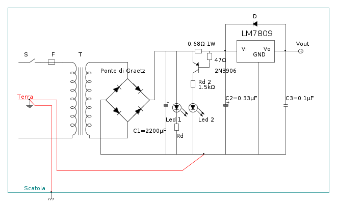
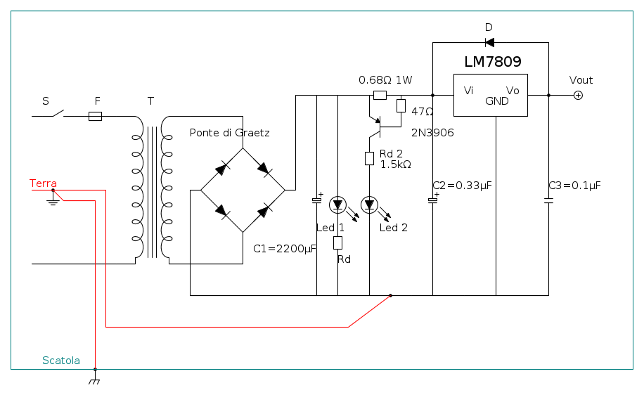
Il led 2 segnala le sovracorrenti. La precisione e` scarsa, dipende dal transistor e dalla temperatura. Il transistore puo` essere qualunque pnp piccolino. La resistenza da 0.68Ω determina la soglia di accensione del led: maggiore la resistenza a corrente piu` bassa si accende il led.
Per usare proficuamente un simulatore, bisogna sapere molta più elettronica di lui
Plug it in - it works better!
Il 555 sta all'elettronica come Arduino all'informatica! (entrambi loro malgrado)
Se volete risposte rispondete a tutte le mie domande
Plug it in - it works better!
Il 555 sta all'elettronica come Arduino all'informatica! (entrambi loro malgrado)
Se volete risposte rispondete a tutte le mie domande
0
voti
Grazie Isidoro! Anche se sinceramente non ne ho capito bene il funzionamento, ad intuizione direi che funziona da interruttore il transistor, però a scuola per ora li sto studiando come amplificatori e quindi non sono riuscito a capire come funziona.
0
voti
Non funziona da interruttore, funziona da comparatore e quando la corrente supera una certa soglia accende il led.
Il circuito per limitare la corrente a un valore voluto, fatto a transistori, lo avevo fatto mi pare un anno e piu` fa.
Il circuito che spegne l'erogazione in caso di sovracorrente lo si puo` fare, ma poi serve anche un pulsante per ripristinare il funzionamento.
Il circuito per limitare la corrente a un valore voluto, fatto a transistori, lo avevo fatto mi pare un anno e piu` fa.
Il circuito che spegne l'erogazione in caso di sovracorrente lo si puo` fare, ma poi serve anche un pulsante per ripristinare il funzionamento.
Per usare proficuamente un simulatore, bisogna sapere molta più elettronica di lui
Plug it in - it works better!
Il 555 sta all'elettronica come Arduino all'informatica! (entrambi loro malgrado)
Se volete risposte rispondete a tutte le mie domande
Plug it in - it works better!
Il 555 sta all'elettronica come Arduino all'informatica! (entrambi loro malgrado)
Se volete risposte rispondete a tutte le mie domande
0
voti
Ah ok!
Comunque non è necessario interrompere il funzionamento dell'alimentatore, mi basta vedere se è in sovraccarico e in caso stacco un pedale!
Per quanto riguarda il contenitore l'unica scelta è farlo metallico? E il regolatore 7809 non è in grado di erogare realmente 1A?
Comunque non è necessario interrompere il funzionamento dell'alimentatore, mi basta vedere se è in sovraccarico e in caso stacco un pedale!
Per quanto riguarda il contenitore l'unica scelta è farlo metallico? E il regolatore 7809 non è in grado di erogare realmente 1A?
2
voti
Ciao
Arbi, provo a darti una mano.
A proposito delle obiezioni mosse al tuo circuito:
Credo che
marco438 intendesse dire che non è mai bene tirare i componenti per il collo facendoli lavorare al limite tutto il tempo (ma mi sembra che non è questo che vuoi fare).
Comunque, se lo vendono per 1 A ti darà 1 A (fissandolo su una buona aletta). Magari vicino al limite ti darà più ripple in uscita. Se pensi che non vada bene, usa un LM317T, che dà 1,5 A.
Se cerchi il datasheet su internet vedrai che, a seconda del costruttore, la corrente di picco di un 78XX arriva a 1,5 A o anche a 2,2 A prima che vada in protezione.
Infatti i 78XX, come l'LM317 e praticamente tutti gli stabilizzatori integrati, hanno protezioni interne contro surriscaldamento, sovracorrente e/o cortocircuito, di cui è comunque meglio non abusare; se scatta abbassano la tensione in uscita fino a limitare la corrente per esempio a 250 mA, come riportato sui datasheet di diversi costruttori, e il ripristino è automatico una volta rimossa la causa.
Ti consiglio di leggere sempre i datasheet, sono una miniera di informazioni utili.
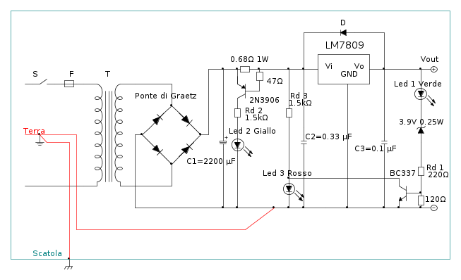
Ho cambiato la posizione del Led 1 e l'ho messo in serie a un diodo zener, in modo che ti indichi se hai i 9 V in uscita.
Se il 7809 va in protezione i Led 1 e Led 2 si spengono e si accende il Led 3.
Anche questo adesso è a posto sullo schema, che include la segnalazione del "pieno carico" raggiunto (Led 2), fatta da
IsidoroKZ, e la messa a terra di
DirtyDeeds:
Il transistor BC337 cortocircuita il Led3, spegnendolo, quando hai i 9 V in uscita. Puoi sostituire questo transistor con qualunque altro piccolo NPN.
Per il contenitore, credo che potresti usarne anche uno in plastica. Se mantieni il doppio isolamento sui 230 V (cioè se anche togliendo il circuito dal contenitore plastico non riesci a toccare col dito i 230 V) dovrebbe essere possibile non usare il filo di terra. Comunque su questo non sono tanto sicuro, spero che qualche altro forumista più esperto confermi o smentisca.
In bocca al lupo
A proposito delle obiezioni mosse al tuo circuito:
marco438 ha scritto:A tale proposito voglio ricordarti che un 7809 puo' supportare una corrente massima di 1A (se ben dissipato) ma che non e' consigliabile farlo lavorare a piu' di 6/700mA.
Credo che
Comunque, se lo vendono per 1 A ti darà 1 A (fissandolo su una buona aletta). Magari vicino al limite ti darà più ripple in uscita. Se pensi che non vada bene, usa un LM317T, che dà 1,5 A.
Se cerchi il datasheet su internet vedrai che, a seconda del costruttore, la corrente di picco di un 78XX arriva a 1,5 A o anche a 2,2 A prima che vada in protezione.
Infatti i 78XX, come l'LM317 e praticamente tutti gli stabilizzatori integrati, hanno protezioni interne contro surriscaldamento, sovracorrente e/o cortocircuito, di cui è comunque meglio non abusare; se scatta abbassano la tensione in uscita fino a limitare la corrente per esempio a 250 mA, come riportato sui datasheet di diversi costruttori, e il ripristino è automatico una volta rimossa la causa.
Ti consiglio di leggere sempre i datasheet, sono una miniera di informazioni utili.
marco438 ha scritto:Il led che hai messo in schema, cosi' posizionato, indichera' solo ed unicamente che e' presente tensione dopo il ponte.
Ho cambiato la posizione del Led 1 e l'ho messo in serie a un diodo zener, in modo che ti indichi se hai i 9 V in uscita.
Se il 7809 va in protezione i Led 1 e Led 2 si spengono e si accende il Led 3.
marco438 ha scritto:Inoltre hai indicato C2 come elettrolitico; dovrebbe essere al contrario plastico o ceramico.
Anche questo adesso è a posto sullo schema, che include la segnalazione del "pieno carico" raggiunto (Led 2), fatta da
Il transistor BC337 cortocircuita il Led3, spegnendolo, quando hai i 9 V in uscita. Puoi sostituire questo transistor con qualunque altro piccolo NPN.
Per il contenitore, credo che potresti usarne anche uno in plastica. Se mantieni il doppio isolamento sui 230 V (cioè se anche togliendo il circuito dal contenitore plastico non riesci a toccare col dito i 230 V) dovrebbe essere possibile non usare il filo di terra. Comunque su questo non sono tanto sicuro, spero che qualche altro forumista più esperto confermi o smentisca.
In bocca al lupo

0
voti
Bene, grazie guido :)
Per il regolatore allora ne prenderò uno da 1.5A così sto più tranquillo, però l'LM317 è ad uscita variabile, quindi immagino costerà un po' di più magari ne trovo uno ad uscita fissa che eroga 1.5A; ma quello lo valuterò quando sarò in negozio
Per il regolatore allora ne prenderò uno da 1.5A così sto più tranquillo, però l'LM317 è ad uscita variabile, quindi immagino costerà un po' di più magari ne trovo uno ad uscita fissa che eroga 1.5A; ma quello lo valuterò quando sarò in negozio
0
voti
Un LM317 costa circa 80 centesimi ma richiede qualche componente in piu'.
Piu' semplicemente puoi trovare un regolatore a 9V che supporti una corrente maggiore.
Per esempio, come questo
Per rispondere poi alle precedenti puntualizzazioni di
GuidoB, non ho mai detto che un 7809 non possa lavorare a 1A (o anche piu'); ho solo specificato che, facendolo lavorare oltre un certo limite, si surriscalda e di conseguenza entra in funzione la protezione termica che fa cadere la tensione d'uscita.
Questo e' il mio parere supportato dalla pratica; naturalmente puoi seguirlo o no.
Piu' semplicemente puoi trovare un regolatore a 9V che supporti una corrente maggiore.
Per esempio, come questo
Per rispondere poi alle precedenti puntualizzazioni di
Questo e' il mio parere supportato dalla pratica; naturalmente puoi seguirlo o no.
marco
0
voti
Caro
marco438, credo che alla fine stiamo dicendo la stessa cosa, che non è bene far lavorare i componenti al limite, per motivi diversi.
Le correnti di picco sono raggiungibili solo per brevi momenti, quindi non bisogna guardare quelle, ma la corrente che il componente può fornire per un periodo prolungato, e per sicurezza stare un po' sotto. Se non è in condizioni ottimali di raffreddamento, richiedendo continuamente 1 A, un 78XX potrebbe surriscaldarsi e andare in protezione, come dici tu.
Riguardo al Led verde che ho inserito, non è preciso dire come ho detto che indica quando ci sono 9 V in uscita. E' solo un'indicazione di massima che l'alimentatore non è ancora andato in protezione. Essendoci già il LED giallo che indica sovraccarico, non ho ritenuto necessario inserire un circuito più complesso e preciso.
Per
Arbi, volevo dirti che se usi un regolatore da 1,5 A (per esempio), allora è bene dimensionare tutto per almeno 1,5 A (ponte raddrizzatore, trasformatore ecc.) così tutti i componenti hanno sufficiente margine per dare corrente al regolatore e che sia quest'ultimo in caso estremo ad andare in protezione, salvando tutto il resto. Non sia per esempio il ponte raddrizzatore ad andare in fumo prima che il regolatore entri in protezione.
Buon lavoro.
Le correnti di picco sono raggiungibili solo per brevi momenti, quindi non bisogna guardare quelle, ma la corrente che il componente può fornire per un periodo prolungato, e per sicurezza stare un po' sotto. Se non è in condizioni ottimali di raffreddamento, richiedendo continuamente 1 A, un 78XX potrebbe surriscaldarsi e andare in protezione, come dici tu.
Riguardo al Led verde che ho inserito, non è preciso dire come ho detto che indica quando ci sono 9 V in uscita. E' solo un'indicazione di massima che l'alimentatore non è ancora andato in protezione. Essendoci già il LED giallo che indica sovraccarico, non ho ritenuto necessario inserire un circuito più complesso e preciso.
Per
Buon lavoro.
0
voti
L'importante e' capirsi.
Tra l'altro e per l'uso che ne fara', ho suggerito un regolatore piu' potente per non complicare ulteriormente il circuito che gia' mi sembra abbastanza ingarbugliato.
Tra l'altro e per l'uso che ne fara', ho suggerito un regolatore piu' potente per non complicare ulteriormente il circuito che gia' mi sembra abbastanza ingarbugliato.
marco
30 messaggi
• Pagina 2 di 3 • 1, 2, 3
Torna a Elettrotecnica generale
Chi c’è in linea
Visitano il forum: Nessuno e 44 ospiti

Elettrotecnica e non solo (admin)
Un gatto tra gli elettroni (IsidoroKZ)
Esperienza e simulazioni (g.schgor)
Moleskine di un idraulico (RenzoDF)
Il Blog di ElectroYou (webmaster)
Idee microcontrollate (TardoFreak)
PICcoli grandi PICMicro (Paolino)
Il blog elettrico di carloc (carloc)
DirtEYblooog (dirtydeeds)
Di tutto... un po' (jordan20)
AK47 (lillo)
Esperienze elettroniche (marco438)
Telecomunicazioni musicali (clavicordo)
Automazione ed Elettronica (gustavo)
Direttive per la sicurezza (ErnestoCappelletti)
EYnfo dall'Alaska (mir)
Apriamo il quadro! (attilio)
H7-25 (asdf)
Passione Elettrica (massimob)
Elettroni a spasso (guidob)
Bloguerra (guerra)





