Ci riprovo, perche' in questo thread di cose violentemente sbagliate ne sono state dette tante, anzi direi troppe.
L'impianto di bordo ha una connessione a bus, con due sorgenti di energia (batteria e alternatore) e tante utenze elettriche. Tutta questa roba e` collegata in parallelo, sono tutti sottoposti alla stessa tensione.
In funzionamento normale tutti i carichi sono alimentati dall'alternatore, non dalla batteria (e questa e` una grossa fesseria che e` stata scritta).
La tensione di bordo e` mantenuta dal regolatore, che regola la potenza erogata dall'alternatore, nell'intorno dei 14V. L'effettiva tensione di bordo e` regolata per ricaricare la batteria, SE NECESSARIO, e comunque senza rovinarla.
Per fare questo il sistema di controllo determina lo stato dalla batteria, misurandone la tensione, corrente e temperatura e decide quanta tensione avere a bordo in modo da caricarla se necessario oppure se sta bene cosi`.
Ad esempio con batteria carica e temperatura "normale" il controllo regola la tensione di bordo a 13.8V che e` la tensione di mantenimento della batteria. Se si accendono i fari in queste condizioni, a parte un breve transitorio, l'alternatore provvede a fornire la corrente richiesta dai fari.
Se non l'ho ancora detto, la batteria in marcia non alimenta NULLA!
Se il controllo batteria rileva che la batteria deve essere caricata, controlla la tensione di bordo in modo che una quantita` prefissata di corrente vada a caricare la batteria. Questa operazione e` importante perche' tipicamente l'alternatore puo` fornire una corrente dell'ordine di 100A-200A, piu` che sufficienti a rompere un accumulatore da auto (60Ah-90Ah).
Poi ci sono delle finezze di gestione: ad esempio in caso di frenata e batteria non completamente carica si aumenta la tensione di bordo, in modo da usare il carico dell'alternatore come freno a recupero di energia. In accelerazione la tensione di bordo viene abbassata in modo da non ricaricare temporaneamenter la batteria e lasciare piu` potenza meccanica all'accelerazione.
Sostanzialmente in un'auto la batteria sta a guardare, non alimenta nulla, tranne durante l'avviamento, e li` sono attimi di panico, con correnti di scarica di centinaia di ampere. Durante l'avviamento vengono automaticamente disinseriti tutti i carichi possibili (ad esempio luci, riscaldamenti, ventole...).
Altro caso in cui la batteria alimenta dei carichi e` quando si e` fermi e si ascolta l'autoradio, o magari con luci di posizione accese, sempre a motore fermo.
Non ci sono normative che impongano che una batteria tenga alimentati i carichi minimi per un dato tempo: se si guasta l'alternatore si accosta al ciglio della strada e ci si ferma, non ci sono garanzie di autonomia di batteria.
Funzionamento Batteria Auto
Moderatore:
Franco012
4
voti
Per usare proficuamente un simulatore, bisogna sapere molta più elettronica di lui
Plug it in - it works better!
Il 555 sta all'elettronica come Arduino all'informatica! (entrambi loro malgrado)
Se volete risposte rispondete a tutte le mie domande
Plug it in - it works better!
Il 555 sta all'elettronica come Arduino all'informatica! (entrambi loro malgrado)
Se volete risposte rispondete a tutte le mie domande
0
voti
Allora come dici tu se durante la marcia, improvvisamente si rompe la batteria o si scarica con tensione a 0 V, non succede nulla? Il motore non si arresta?
Potrei anche essere d'accordo con te, però sulla documentazione che ho io della centralina che sto studiando, c'è scritto che viene utilizzata per controllare motori di piccola taglia ad iniezione elettronica, scooter o moto di piccola cilindrata massimo 2 cilindri, e che viene alimentata dalla batteria.
Tutto questo mi serve a capire se durante la marcia, qualora ci fosse un improvviso arresto del motore, questa cosa potrebbe essere ricondotta ad un malfunzionamento della centralina, visto che essa controlla il motore definendo iniezione ed ignizione. Una possibile causa potrebbe essere legata alla carica della batteria che viene ugualmente gestita dalla centralina, cioè se la centralina non funziona bene, non ricarica la batteria che di conseguenza non alimenta la centralina ed infine non avviene il controllo del motore..... quindi arresto del motore.
Come dici tu, allora, se per caso la centralina impazzisce e non ricarica la batteria, il motore continua a funzionare perché l'alimentazione alla centralina verrebbe dal regolatore, quindi continua a calcolare i parametri di iniezione ed ignizione per pilotare gli attuatori. Vero?
Potrei anche essere d'accordo con te, però sulla documentazione che ho io della centralina che sto studiando, c'è scritto che viene utilizzata per controllare motori di piccola taglia ad iniezione elettronica, scooter o moto di piccola cilindrata massimo 2 cilindri, e che viene alimentata dalla batteria.
Tutto questo mi serve a capire se durante la marcia, qualora ci fosse un improvviso arresto del motore, questa cosa potrebbe essere ricondotta ad un malfunzionamento della centralina, visto che essa controlla il motore definendo iniezione ed ignizione. Una possibile causa potrebbe essere legata alla carica della batteria che viene ugualmente gestita dalla centralina, cioè se la centralina non funziona bene, non ricarica la batteria che di conseguenza non alimenta la centralina ed infine non avviene il controllo del motore..... quindi arresto del motore.
Come dici tu, allora, se per caso la centralina impazzisce e non ricarica la batteria, il motore continua a funzionare perché l'alimentazione alla centralina verrebbe dal regolatore, quindi continua a calcolare i parametri di iniezione ed ignizione per pilotare gli attuatori. Vero?
1
voti
corgan83 ha scritto:Allora come dici tu se durante la marcia, improvvisamente si rompe la batteria o si scarica con tensione a 0 V, non succede nulla? Il motore non si arresta?
Dipende dal guasto: se la batteria va in circuito aperto (ad esempio si stacca un morsetto) finche' l'alternatore genera, il motore continua a funzionare. Al minimo potrebbe non farcela a generare l'energia necessaria per spinterogeno, centralina e altri carichi.
Se invece la batteria va in cortocircuito si ferma tutto (e probabilmente la batteria esplode seminando in giro acido solforico)
corgan83 ha scritto:(centralina)... e che viene alimentata dalla batteria.
batteria e alternatore sono in parallelo, in funzionamento tutti i carichi sono alimentati dall'alternatore. La batteria interviene nei casi che ho detto prima. In funzionamento normale la batteria e` eventualmente un carico.
corgan83 ha scritto:Tutto questo mi serve a capire se durante la marcia, qualora ci fosse un improvviso arresto del motore, questa cosa potrebbe essere ricondotta ad un malfunzionamento della centralina, visto che essa controlla il motore definendo iniezione ed ignizione.
Un guasto alla centralina e` una possibile causa di arresto del motore, anche se le centraline hanno dei sistemi abbastanza sofisticati per tenere il motore almeno parzialmente in vita e tornare fino a casa (sto parlando di auto, non moto).
corgan83 ha scritto: Una possibile causa potrebbe essere legata alla carica della batteria che viene ugualmente gestita dalla centralina, cioè se la centralina non funziona bene, non ricarica la batteria che di conseguenza non alimenta la centralina ed infine non avviene il controllo del motore..... quindi arresto del motore.
A regime la batteria non alimenta NULLA! NIENTE, NADA, NICHT, RIEN, NOTHING, OUDEN, NIHIL... Batteria e generatore sono collegati in parallelo con tutti i carichi: se c'e` tensione sul bus il sistema funziona, se non c'e` tensione sul bus il sistema si ferma.
corgan83 ha scritto:Come dici tu, allora, se per caso la centralina impazzisce e non ricarica la batteria, il motore continua a funzionare perché l'alimentazione alla centralina verrebbe dal regolatore, quindi continua a calcolare i parametri di iniezione ed ignizione per pilotare gli attuatori. Vero?
Non non e` vero. Se si guasta l'alternatore, oppure si rompe la cinghia dell'alternatore (capitato l'anno scorso) oppure la centralina di controllo alternatore impazzisce e l'alternatore non genera corrente per gli utilizzatori (e la batteria da caricare e` un utilizzatore come tutti gli altri) allora l'energia del bus arriva dalla batteria che comincia a scaricarsi, alimentando la centralina lo spinterogeno e tutto il resto. Quanto si va avanti? Poco, non ci sono garanzie di autonomia della batteria. Quando mi e` capitato che mi si e` rotta la cinghia dell'alternatore, ho ridotto i carichi elettrici e sono arrivato a casa (pochi kilometri, anche perche' di solito la stessa cinghia dell'alternatore serve per la pompa dell'acqua).
Il regolatore, se l'alternatore non carica, non genera nulla, e` solo un sistema di controllo dell'alternatore. Se la centralina impazzisce e dice all'alternatore di non caricare, oppure si rompe la cinghia, l'energia arriva dalla batteria, non solo per la centralina ma anche per lo spinterogeno, le luci... la batteria fornisce energia a bordo per tutti gli altri carichi.
Per usare proficuamente un simulatore, bisogna sapere molta più elettronica di lui
Plug it in - it works better!
Il 555 sta all'elettronica come Arduino all'informatica! (entrambi loro malgrado)
Se volete risposte rispondete a tutte le mie domande
Plug it in - it works better!
Il 555 sta all'elettronica come Arduino all'informatica! (entrambi loro malgrado)
Se volete risposte rispondete a tutte le mie domande
0
voti
Allora assodato che durante il funzionamento normale tutti i carichi elettrici, centralina e batteria comprese, vengono alimentati dall'alternatore, e quindi la batteria serve solo all'avviamento ed in caso di necessità.
Mi spieghi perché nelle centraline moderne sono implementati sofisticati software di gestione e ricarica intelligente della batteria? Se questa non viene utilizzata, che senso ha disporre di queste funzionalità?
Basterebbe solo tenerla sotto carica con una tensione o corrente di mantenimento, giusto per non farla scaricare, no?
Mi spieghi perché nelle centraline moderne sono implementati sofisticati software di gestione e ricarica intelligente della batteria? Se questa non viene utilizzata, che senso ha disporre di queste funzionalità?
Basterebbe solo tenerla sotto carica con una tensione o corrente di mantenimento, giusto per non farla scaricare, no?
0
voti
Per almeno due buone ragioni. La prima e` che se si puo` allungare la vita di una batteria trattandola in modo corretto, ad esempio ricaricandola con una tensione funzione della temperatura con il controllo della corrente di carica, tutto di guadagnato. Se ad esempio hai una batteria molto scarica, che riesce ancora a fare un avviamento e non controlli la corrente di ricarica, la rompi.
Poi ci sono le funzioni di monitoraggio che ti possono segnalare che la batteria e` a fine vita permettendoti di cambiarla prima che ti lasci a piedi, oppure che la batteria si sta scaricando troppo per poter fare con sicurezza il prossimo avviamento (ad esempio se rimani con i fari accesi a lungo e il motore spento, l'autoradio a palla...)
Mi spiace che non ti abbia detto quello che volevi sentirti dire, ma puoi sempre credere che hai ragione tu e ti ho raccontato cose sbagliate!
Che cosa hai studiato di elettrotecnica? Mi sembra che non abbia ben presente le implicazioni dei principi di Kirchhoff e le proprieta` dei collegamenti in parallelo.
Poi ci sono le funzioni di monitoraggio che ti possono segnalare che la batteria e` a fine vita permettendoti di cambiarla prima che ti lasci a piedi, oppure che la batteria si sta scaricando troppo per poter fare con sicurezza il prossimo avviamento (ad esempio se rimani con i fari accesi a lungo e il motore spento, l'autoradio a palla...)
Mi spiace che non ti abbia detto quello che volevi sentirti dire, ma puoi sempre credere che hai ragione tu e ti ho raccontato cose sbagliate!
Che cosa hai studiato di elettrotecnica? Mi sembra che non abbia ben presente le implicazioni dei principi di Kirchhoff e le proprieta` dei collegamenti in parallelo.
Per usare proficuamente un simulatore, bisogna sapere molta più elettronica di lui
Plug it in - it works better!
Il 555 sta all'elettronica come Arduino all'informatica! (entrambi loro malgrado)
Se volete risposte rispondete a tutte le mie domande
Plug it in - it works better!
Il 555 sta all'elettronica come Arduino all'informatica! (entrambi loro malgrado)
Se volete risposte rispondete a tutte le mie domande
-1
voti
Non è che voglio che mi dicano ciò che vorrei sentirmi dire, altrimenti non starei qua a perdere tempo per cercare di capire come vanno le cose. Solo che i commenti dei vari utenti sono molto contraddittori.
Io non ci capisco più niente!!! ducelier mi dice che i carichi cadono sempre sulla batteria e non sull'alternatore altrimenti si rischia di bruciare gli avvolgimenti interni, tu mi dici il contrario e che la batteria è solo all'avviamento e per necessità.
A questo punto non saprei cosa pensare.
Sul manuale sta scritto che la centralina è alimentata dalla batteria, forse tutti gli altri carichi usano l'alternatore ? non lo so.
Fatto sta che so benissimo cosa significa collegare carichi in parallelo!!!
Io non ci capisco più niente!!! ducelier mi dice che i carichi cadono sempre sulla batteria e non sull'alternatore altrimenti si rischia di bruciare gli avvolgimenti interni, tu mi dici il contrario e che la batteria è solo all'avviamento e per necessità.
A questo punto non saprei cosa pensare.
Sul manuale sta scritto che la centralina è alimentata dalla batteria, forse tutti gli altri carichi usano l'alternatore ? non lo so.
Fatto sta che so benissimo cosa significa collegare carichi in parallelo!!!
6
voti
In questo thread sono state dette innumerevoli fesserie. E` evidente che a nessuno di voi due interessa imparare qualcosa perche' come stanno le cose l'avevo gia` detto nel post numero [2]. Probabilmente non avete ben presente come funzionano i circuiti elettrici, e avete tranquillamente ignorato quanto avevo detto.
Visto che questo thread potra` essere letto per anni a venire, non voglio che restino questi errori, e quindi, per gli altri lettori ho fatto le correzioni. Oppure cancello tutta la discussione se non c'e` modo di recuperarla.
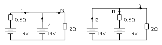
Per te invece ho una domanda: nel circuito seguente, quanto valgono le correnti I1, I2 e I3 nel circuito di sinistra? E in quello di destra?
Ho semplificato di parecchio i numeri giusto perche' possa fare i conti a mente.
Appena lo risolvi cambio un pochino i valori e vediamo che cosa viene.
Visto che questo thread potra` essere letto per anni a venire, non voglio che restino questi errori, e quindi, per gli altri lettori ho fatto le correzioni. Oppure cancello tutta la discussione se non c'e` modo di recuperarla.
Per te invece ho una domanda: nel circuito seguente, quanto valgono le correnti I1, I2 e I3 nel circuito di sinistra? E in quello di destra?
Ho semplificato di parecchio i numeri giusto perche' possa fare i conti a mente.
Appena lo risolvi cambio un pochino i valori e vediamo che cosa viene.
Per usare proficuamente un simulatore, bisogna sapere molta più elettronica di lui
Plug it in - it works better!
Il 555 sta all'elettronica come Arduino all'informatica! (entrambi loro malgrado)
Se volete risposte rispondete a tutte le mie domande
Plug it in - it works better!
Il 555 sta all'elettronica come Arduino all'informatica! (entrambi loro malgrado)
Se volete risposte rispondete a tutte le mie domande
0
voti
corgan83 ha scritto:Allora, mi sono fatto uno schema elettrico e con qualche piccolo ragionamento sono giunto a questa conclusione: la batteria ha due morsetti in uscita, sui quali sono collegati l'impianto elettrico dei veicolo e i cavi di uscita del regolatore.
Ora prendiamo ad es il morsetto positivo. Su questo morsetto (nodo), fanno capo 3 fili: quello della batteria, quello del regolatore e quello dell'impianto elettrico. In particolare la corrente che proviene dal regolatore è l'unica ad entrare nel nodo, mentre le altre due sono entrambe uscenti, perché una va verso l'impianto elettrico l'altra entra nella batteria per ricaricarla.
No dalla batteria escono il cavo positivo che poi si sdoppia e va all laternatore e al mootrino di avviamento mentre il negativo va a telaio.
Esatto hai capito come funzione era il modo in cui avrei voluto spiegare io solo che non sono molto bravo.

-2
voti
@ Ducelier: scusa non ho ben capito l'ultimo post 
@ IsidoroKZ: Lo scopo del forum è capire come funzionano le cose, scambiandosi opinioni varie a riguardo, secondo le proprie conoscenze e le documentazioni che si hanno.
Non metto in discussione la tua esperienza, le tue conoscenze e le tue capacità, però nello stesso tempo per chiarire i miei dubbi, devo comunque valutare ciò che mi dicono tutti coloro che interverranno; non si può fare affidamento sulle cose dette da una sola persona, altrimenti non avrebbe senso discutere in gruppo, basterebbe aprire una discussione a 2 e fare domande al diretto interessato.
Perciò posso essere titubante? dal momento che sono risposte contrapposte? O devo accettare che tu hai ragione e che anche la documentazione sia sbagliata? Perciò stai tranquillo e gli esercizietti di elettrotecnica falli risolvere ai tuoi amici!!!
E' come se tu chiedi informazioni per andare a Roma: un signore ti dice di girare a sinistra, l'amico invece di andare a destra. Tu che fai? Inizi ad offenderli perché non ti sanno dire come arrivare a Roma? Non credo proprio
Ciao e ringrazio ugualmente entrambi per il tempo che mi state dedicando.

@ IsidoroKZ: Lo scopo del forum è capire come funzionano le cose, scambiandosi opinioni varie a riguardo, secondo le proprie conoscenze e le documentazioni che si hanno.
Non metto in discussione la tua esperienza, le tue conoscenze e le tue capacità, però nello stesso tempo per chiarire i miei dubbi, devo comunque valutare ciò che mi dicono tutti coloro che interverranno; non si può fare affidamento sulle cose dette da una sola persona, altrimenti non avrebbe senso discutere in gruppo, basterebbe aprire una discussione a 2 e fare domande al diretto interessato.
Perciò posso essere titubante? dal momento che sono risposte contrapposte? O devo accettare che tu hai ragione e che anche la documentazione sia sbagliata? Perciò stai tranquillo e gli esercizietti di elettrotecnica falli risolvere ai tuoi amici!!!
E' come se tu chiedi informazioni per andare a Roma: un signore ti dice di girare a sinistra, l'amico invece di andare a destra. Tu che fai? Inizi ad offenderli perché non ti sanno dire come arrivare a Roma? Non credo proprio
Ciao e ringrazio ugualmente entrambi per il tempo che mi state dedicando.

-1
voti
Ok ho semplicemente riportato alcuen cose che hai scritto tu su un tuo post e che l ho in maniera confusionale abbi pazienza
.Volevo solo dircti che hai capito benissimo come avviene la ricarica sul discorso del mantenimento di carica e tutto il resto.L unica cosa che ti volevo chiarire è che il regolatore di tensione è integrato nell alternatore non è esterno,spero di essermi spiegato bene stavolta a presto.
Torna a Autovetture, motori endotermici ed elettronica relativa
Chi c’è in linea
Visitano il forum: Google [Bot], Google Adsense [Bot] e 21 ospiti

Elettrotecnica e non solo (admin)
Un gatto tra gli elettroni (IsidoroKZ)
Esperienza e simulazioni (g.schgor)
Moleskine di un idraulico (RenzoDF)
Il Blog di ElectroYou (webmaster)
Idee microcontrollate (TardoFreak)
PICcoli grandi PICMicro (Paolino)
Il blog elettrico di carloc (carloc)
DirtEYblooog (dirtydeeds)
Di tutto... un po' (jordan20)
AK47 (lillo)
Esperienze elettroniche (marco438)
Telecomunicazioni musicali (clavicordo)
Automazione ed Elettronica (gustavo)
Direttive per la sicurezza (ErnestoCappelletti)
EYnfo dall'Alaska (mir)
Apriamo il quadro! (attilio)
H7-25 (asdf)
Passione Elettrica (massimob)
Elettroni a spasso (guidob)
Bloguerra (guerra)





