Ciao ragazzi,
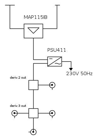
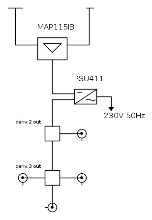
Tempo addietro ho acquistato è montato un kit combo della fracarro a corredo vi era un MAP115IB - PSU411. All'uscita del MAP ho collegato un partitore a 2 uscite: una collegata direttamente ad presa TV e l'altra ad altro partitore a 3 uscite per servire altrettanto prese TV. La distanza tra il primo partitore e la presa TV (mt.4)- tra il primo partitore ed il secondo (mt.8) e tra il secondo partitore e le prese TV (mt.3) (mt.3) (mt.4). A parte i consigli che potreste darmi sull'impianto. Il problema e che essendo l'abitazione in una zona di mare ed il segnale proviene da una collina alta circa 500 mt. di altura dal livello del mare (In linea d'area l'abitazione dista dal trasmettitore circa 6-7 km.), il segnale non è stabile. Come posso ovviare a tale problema. Grazie mille per i consigli che potresti darmi.
- Luca1994 -
Segnale debole
Moderatore:
jordan20
3 messaggi
• Pagina 1 di 1
1
voti
il primo consiglio è quello di utilizzare fidocadj per disegnare lo schema che si esprime molto meglio di una dettagliata spiegazione letterale..
le istruzioni per utilizzare fidocadj si trovano nella barra dei menu in alto alla voce Help.
non all'uscita dell'MAP ma della linea TV che esce dall'alimentatore PSU:
le istruzioni per utilizzare fidocadj si trovano nella barra dei menu in alto alla voce Help.
luca1994 ha scritto: All'uscita del MAP ho collegato un partitore a 2 uscite:...
non all'uscita dell'MAP ma della linea TV che esce dall'alimentatore PSU:
0
voti
L'alimentatore può essere montato anche all'uscita montante del secondo derivatore....
già risposto sull'altro post.
già risposto sull'altro post.
3 messaggi
• Pagina 1 di 1
Chi c’è in linea
Visitano il forum: Nessuno e 7 ospiti

Elettrotecnica e non solo (admin)
Un gatto tra gli elettroni (IsidoroKZ)
Esperienza e simulazioni (g.schgor)
Moleskine di un idraulico (RenzoDF)
Il Blog di ElectroYou (webmaster)
Idee microcontrollate (TardoFreak)
PICcoli grandi PICMicro (Paolino)
Il blog elettrico di carloc (carloc)
DirtEYblooog (dirtydeeds)
Di tutto... un po' (jordan20)
AK47 (lillo)
Esperienze elettroniche (marco438)
Telecomunicazioni musicali (clavicordo)
Automazione ed Elettronica (gustavo)
Direttive per la sicurezza (ErnestoCappelletti)
EYnfo dall'Alaska (mir)
Apriamo il quadro! (attilio)
H7-25 (asdf)
Passione Elettrica (massimob)
Elettroni a spasso (guidob)
Bloguerra (guerra)




