1) devo per forza utilizzare il trasformatore con il circuito che ai fatto te o posso dare alimentazione da pila o trasformatore a 5 V DC...?
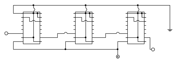
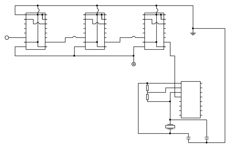
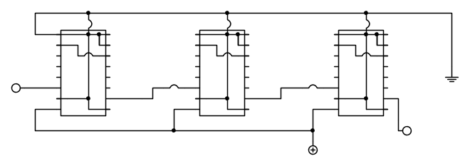
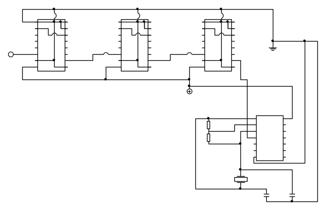
2) ho un dubbio, in quanto vorrei utilizzare per l oscillatore al quarzo uno da 1MZ e poi mettere in cascata 3 4518 per avere 1 Hz in uscita ma non riesco a capire lo schema che devo fare... per chiarire adesso ti faccio uno schema dei 3 integrati cosi ci capiamo meglio...
3) una volta fatto il generatore di clock collego l' out 1Hz all' in 1Hz dello schema dei 6 display vero..?
4) per il reset è semplice perché basta il pulsante NC e fin li va bene... ma per lo start/stop e per l avanzamento rapido non riesco proprio a capire come fare... (il circuito)

Elettrotecnica e non solo (admin)
Un gatto tra gli elettroni (IsidoroKZ)
Esperienza e simulazioni (g.schgor)
Moleskine di un idraulico (RenzoDF)
Il Blog di ElectroYou (webmaster)
Idee microcontrollate (TardoFreak)
PICcoli grandi PICMicro (Paolino)
Il blog elettrico di carloc (carloc)
DirtEYblooog (dirtydeeds)
Di tutto... un po' (jordan20)
AK47 (lillo)
Esperienze elettroniche (marco438)
Telecomunicazioni musicali (clavicordo)
Automazione ed Elettronica (gustavo)
Direttive per la sicurezza (ErnestoCappelletti)
EYnfo dall'Alaska (mir)
Apriamo il quadro! (attilio)
H7-25 (asdf)
Passione Elettrica (massimob)
Elettroni a spasso (guidob)
Bloguerra (guerra)











