Salve a tutti.
chiedo il vostro aiuto, cercavo uno schema per creare una piccola scatola con dei led psichedelici, che si illuminino a passo di musica.
la mia idea era di creare un piccolo case in cui collegare l'mp3 tramite jack audio, l'alimentazione la fare con un trasformatore.
Se poi mi potete dire anche come creare la parte che faccia funzionare le casse di questo progetto vi ringrazio.
Spero possiate aiutarmi.
Led a passo di muscia
Moderatore:
IsidoroKZ
11 messaggi
• Pagina 1 di 2 • 1, 2
0
voti
L'argomento è già stato molte volte trattato nel Forum.
Se usi la risorsa CERCA, puoi trovare soluzioni già sperimentate.
Se ci sono domande particolari, possiamo comunque aiutarti.
Se usi la risorsa CERCA, puoi trovare soluzioni già sperimentate.
Se ci sono domande particolari, possiamo comunque aiutarti.
0
voti
Ciao, ho cercato, ma ho trovato solo progetti con la 230 V, io volevo creare qualcosa di piccolo con max 6 led, ancora da decidere se ad alta luminosità o meno, alimentato con batteria o trasformatore.
Cercando su google ho trovato questo sito:
http://www.raffotech.it/index.php/elett ... chedeliche
Che a quanto pare è anche un utente di questo forum, cercherò di contattarlo e farmi spiegare meglio come fare.
Buona domenica.
Cercando su google ho trovato questo sito:
http://www.raffotech.it/index.php/elett ... chedeliche
Che a quanto pare è anche un utente di questo forum, cercherò di contattarlo e farmi spiegare meglio come fare.
Buona domenica.
-

Macelettronic
55 2 6 - Frequentatore

- Messaggi: 212
- Iscritto il: 1 feb 2012, 11:08
0
voti
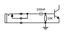
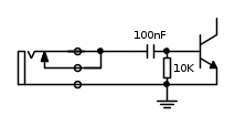
Sì, il circuito può andare, ma dipende da cosa fornisce il tuo jack
(e che distorsioni accetti poi sull'audio!)
Consiglierei di metter un condensatore in serie al segnale
ed una resistenza verso massa, alla base del transistor.
(e che distorsioni accetti poi sull'audio!)
Consiglierei di metter un condensatore in serie al segnale
ed una resistenza verso massa, alla base del transistor.
0
voti
Scusa, ma per me parli arabo, nel senso che di elettronica capisco pochissimo per non dire zero.
Puoi spiegarmi meglio come collegheresti il condensatore e la resistenza? E quali useresti?
Io voglio collegare un semplice mp3, voglio crearmi un piccolo amplificatore per questo mp3 (amplificatore di cui ancora non ho trovato nessuno schema,ho trovato solo ampl. con la 230 V e con potenze alte), che funziona a batterie o con un alimentatore, stile quelli che vendono nei negozi a pochi €, solo che visto che per adesso ho molto tempo libero e non ho più dove mettere i diorami in legno, ho deciso di capire un po' di elettronica e voglio passarmi del tempo con questo progettino, forse sono partito con qualcosa di troppo complicato, ma non saprei cosa fare.
Grazie.
Puoi spiegarmi meglio come collegheresti il condensatore e la resistenza? E quali useresti?
Io voglio collegare un semplice mp3, voglio crearmi un piccolo amplificatore per questo mp3 (amplificatore di cui ancora non ho trovato nessuno schema,ho trovato solo ampl. con la 230 V e con potenze alte), che funziona a batterie o con un alimentatore, stile quelli che vendono nei negozi a pochi €, solo che visto che per adesso ho molto tempo libero e non ho più dove mettere i diorami in legno, ho deciso di capire un po' di elettronica e voglio passarmi del tempo con questo progettino, forse sono partito con qualcosa di troppo complicato, ma non saprei cosa fare.
Grazie.
-

Macelettronic
55 2 6 - Frequentatore

- Messaggi: 212
- Iscritto il: 1 feb 2012, 11:08
0
voti
Intendevo così:
(ma se di elettronica non sai proprio niente,
non è facile spiegarti)
(ma se di elettronica non sai proprio niente,
non è facile spiegarti)
0
voti
grazie per lo schema.
Si non so nulla di elettronica, però vorrei iniziare a capirci qualcosa, prima queste cose le facevo con mio padre e pur stando li a vedere come lavorava a farmi spiegare tutto, non sono mai riuscito a capirci nulla, avevo come una repulsione per la materia.
Adesso purtroppo lui non c'è più e sono costretto a fare da solo, quindi vorrei iniziare a capirci qualcosa.
Intanto ho trovato un software free per creare circuiti stampati con Mac, quindi mi creerò il circuito e proverò anche a crearmi la basetta, invece di usare la millefori, su internet ho trovato molte guide che non utilizzano il bromografo per l'incisione, vediamo come va.
http://www.cadsoftusa.com/
C'è anche un circuito pronto per un amplificatore da 1W, proprio quello che cercavo, peccato che è già pronto e senza spiegazione, quindi sarà un copia ed incolla
e non mi sarà utile a capire come funziona.
Posso chiedere ancora il tuo aiuto per futuri problemi?
buona domenica
Si non so nulla di elettronica, però vorrei iniziare a capirci qualcosa, prima queste cose le facevo con mio padre e pur stando li a vedere come lavorava a farmi spiegare tutto, non sono mai riuscito a capirci nulla, avevo come una repulsione per la materia.
Adesso purtroppo lui non c'è più e sono costretto a fare da solo, quindi vorrei iniziare a capirci qualcosa.
Intanto ho trovato un software free per creare circuiti stampati con Mac, quindi mi creerò il circuito e proverò anche a crearmi la basetta, invece di usare la millefori, su internet ho trovato molte guide che non utilizzano il bromografo per l'incisione, vediamo come va.
http://www.cadsoftusa.com/
C'è anche un circuito pronto per un amplificatore da 1W, proprio quello che cercavo, peccato che è già pronto e senza spiegazione, quindi sarà un copia ed incolla
Posso chiedere ancora il tuo aiuto per futuri problemi?
buona domenica
-

Macelettronic
55 2 6 - Frequentatore

- Messaggi: 212
- Iscritto il: 1 feb 2012, 11:08
0
voti
Non mi sembra una buona idea cominciare da un circuito stampato
per capire l'elettronica.
Consiglierei una breadboard, con cui è facile montare e modificare i circuiti.
Ma ancor prima di "costruire" , direi che sarebbe più utile
la lettura di un libro di elettronica (vedi Biblioteca di EY).
per capire l'elettronica.
Consiglierei una breadboard, con cui è facile montare e modificare i circuiti.
Ma ancor prima di "costruire" , direi che sarebbe più utile
la lettura di un libro di elettronica (vedi Biblioteca di EY).
0
voti
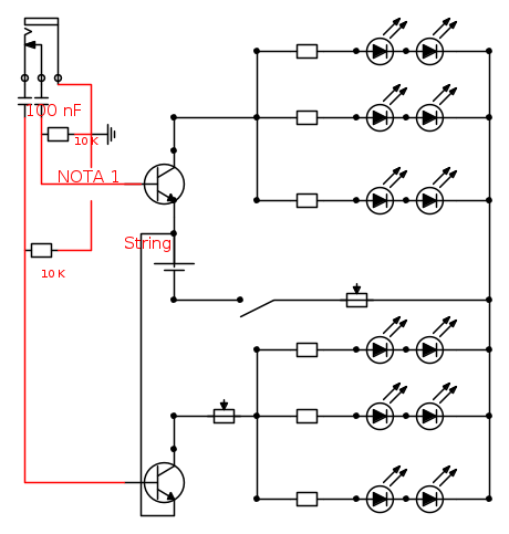
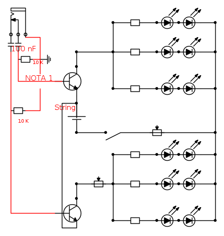
Dovendo fare due schemi paralleli, per avere la funzione stereo, alla fine ottengo una cosa del genere?
La parte rossa, è quella che mi ha consigliato tu, l'ho inserita bene, calcolando che dovrei fare due circuiti paralleli, ma con la sorgente di segnale unica?
Dove ho inserito "NOTA 1", volevo far notare, che il filo continua, verso sotto, ma non si tocca con quello che va al transistor accanto.
Ho inserito un potenziometro, per poter regolare la quantità di luce che fanno i led.
Ciao
La parte rossa, è quella che mi ha consigliato tu, l'ho inserita bene, calcolando che dovrei fare due circuiti paralleli, ma con la sorgente di segnale unica?
Dove ho inserito "NOTA 1", volevo far notare, che il filo continua, verso sotto, ma non si tocca con quello che va al transistor accanto.
Ho inserito un potenziometro, per poter regolare la quantità di luce che fanno i led.
Ciao
-

Macelettronic
55 2 6 - Frequentatore

- Messaggi: 212
- Iscritto il: 1 feb 2012, 11:08
1
voti
Il consiglio di studiare prima l'elettronica non era inutile,
Il tuo schema dimostra che per te che per te è indifferente
la "polarità" dei componenti !(sono infatti sbagliati i sensi
dei LED e della batteria , rispetto al transistor, e
l'alimentazione non è collegata alla "massa").
Se "monti" così un circuito, non funzionerà mai.
Il tuo schema dimostra che per te che per te è indifferente
la "polarità" dei componenti !(sono infatti sbagliati i sensi
dei LED e della batteria , rispetto al transistor, e
l'alimentazione non è collegata alla "massa").
Se "monti" così un circuito, non funzionerà mai.
11 messaggi
• Pagina 1 di 2 • 1, 2
Torna a Elettronica e spettacolo
Chi c’è in linea
Visitano il forum: Nessuno e 4 ospiti

Elettrotecnica e non solo (admin)
Un gatto tra gli elettroni (IsidoroKZ)
Esperienza e simulazioni (g.schgor)
Moleskine di un idraulico (RenzoDF)
Il Blog di ElectroYou (webmaster)
Idee microcontrollate (TardoFreak)
PICcoli grandi PICMicro (Paolino)
Il blog elettrico di carloc (carloc)
DirtEYblooog (dirtydeeds)
Di tutto... un po' (jordan20)
AK47 (lillo)
Esperienze elettroniche (marco438)
Telecomunicazioni musicali (clavicordo)
Automazione ed Elettronica (gustavo)
Direttive per la sicurezza (ErnestoCappelletti)
EYnfo dall'Alaska (mir)
Apriamo il quadro! (attilio)
H7-25 (asdf)
Passione Elettrica (massimob)
Elettroni a spasso (guidob)
Bloguerra (guerra)


