Per appurare che non sia stata una coincidenza puoi rimontare momentaneamente i vecchi fusibili (se li possiedi ancora) e misuare la tensione eventualmente presente; così ci chiariamo tutti i dubbi...
saluti
Lampadine bruciate
Moderatori:
sebago,
MASSIMO-G,
lillo,
Mike
39 messaggi
• Pagina 4 di 4 • 1, 2, 3, 4
0
voti
mir ha scritto: ma a mio avviso non il problema potrebbe ripresentarsi
si il problema si potrebbe ripresentare, intanto vorrei vedere cosa succede all'impianto o alle lampadine prima di rimetterci mano ancora....se succederà qualcosa vi avvisero e voi che siete piu esperti di me spero che mi darete una mano.....
mir ha scritto: postare uno schema con fidocadj riguardo l'installazione dei fusibili che hai citato nel quadro interessato.
che schema dovrei postare mir??? il tragitto che fa la corrente dentro il quadro?? cioe fusibili salvavita e interruttori generali per ogni zona??
ligabue ha scritto:Per appurare che non sia stata una coincidenza puoi rimontare momentaneamente i vecchi fusibili (se li possiedi ancora) e misuare la tensione eventualmente presente; così ci chiariamo tutti i dubbi...
No i fusibili che ho cambiato gli ho buttati via e non gli ho più..... non ho neanche pensato di tenerli per provare a fare la controprova....
Cox ha scritto:Ci sono le spie luminose sugli interruttori ?
Ciao Cox di che interutori parli??? quelli nel quadro o quelli per accendere luce per luce???
0
voti
teo125 ha scritto:che schema dovrei postare mir???
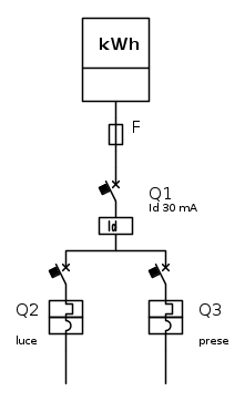
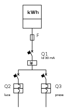
mi riferivo allo schema dei componenti installati nel quadro,mi contento anche di una descrizione e se non ho capito male nel quadro vi è presente: fusibili-interruttore differenziale-magnetotermici (luce e prese) , giusto o sbagliato ?
tipo:
0
voti
si esatto quello schema li per 2 cioe per fase e neutro....
Lunica cosa e che ho 4 zone prese e 5 zone luci.....
Ma mir cosa hai pensato?? cosa serve lo schema??
Lunica cosa e che ho 4 zone prese e 5 zone luci.....
Ma mir cosa hai pensato?? cosa serve lo schema??
0
voti
teo125 ha scritto:si esatto quello schema li per 2 cioe per fase e neutro....
lo schema è "unifilare" è rappresentato solo il tratto di linea e non il numero di conduttori...
teo125 ha scritto:cosa serve lo schema??
per capire come fosse realizzato (in parte) il quadro in questione
teo125 ha scritto:Ma mir cosa hai pensato??
mi son chiesto il perché di quei fusibili, a monte dell'impianto...potresti postare la sigla e le caratteristiche di quei fusibili che hai sostituito ?
0
voti
Scusate se rispondo solo ora ma ho internet che fa il matto a volte va e altre non va.....
Mir la sigla dei fusibili e le caratterisctiche gli inserisco domani se funziona internet....
Grazie ancora a tutti....
Saluti
mir ha scritto:mi son chiesto il perché di quei fusibili, a monte dell'impianto...potresti postare la sigla e le caratteristiche di quei fusibili che hai sostituito ?
Mir la sigla dei fusibili e le caratterisctiche gli inserisco domani se funziona internet....
Grazie ancora a tutti....
Saluti
39 messaggi
• Pagina 4 di 4 • 1, 2, 3, 4
Torna a Impianti, sicurezza e quadristica
Chi c’è in linea
Visitano il forum: Nessuno e 46 ospiti

Elettrotecnica e non solo (admin)
Un gatto tra gli elettroni (IsidoroKZ)
Esperienza e simulazioni (g.schgor)
Moleskine di un idraulico (RenzoDF)
Il Blog di ElectroYou (webmaster)
Idee microcontrollate (TardoFreak)
PICcoli grandi PICMicro (Paolino)
Il blog elettrico di carloc (carloc)
DirtEYblooog (dirtydeeds)
Di tutto... un po' (jordan20)
AK47 (lillo)
Esperienze elettroniche (marco438)
Telecomunicazioni musicali (clavicordo)
Automazione ed Elettronica (gustavo)
Direttive per la sicurezza (ErnestoCappelletti)
EYnfo dall'Alaska (mir)
Apriamo il quadro! (attilio)
H7-25 (asdf)
Passione Elettrica (massimob)
Elettroni a spasso (guidob)
Bloguerra (guerra)








