per quanto riguarda utilizzare un altro tipo di MOSFET, se possibile vorrei utilizzare quello in quanto ne ho diversi disponibili, comunque avevo già previsto il dissipatore, lo metto quasi sempre
Pilotare MOSFET IRF840 con NE555
Moderatori:
carloc,
g.schgor,
BrunoValente,
IsidoroKZ
23 messaggi
• Pagina 2 di 3 • 1, 2, 3
0
voti
Grazie 1000 gohan per l'aiuto...appena finisco di cenare...mano alla calcolatrice
per quanto riguarda utilizzare un altro tipo di MOSFET, se possibile vorrei utilizzare quello in quanto ne ho diversi disponibili, comunque avevo già previsto il dissipatore, lo metto quasi sempre
per quanto riguarda utilizzare un altro tipo di MOSFET, se possibile vorrei utilizzare quello in quanto ne ho diversi disponibili, comunque avevo già previsto il dissipatore, lo metto quasi sempre
0
voti
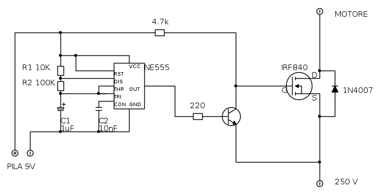
Dubito che con un duty cycle
50% riesci ad accendere bene quel MOSFET, in quanto se non erro la tensione media vista sul gate sarebbe di
7.5V · Duty Cycle = 3.75V, a mio parere insufficienti per quel transistore..
Solitamente per i motori si usa una modulazione PWM per regolarne la velocità, un circuito con il 555 lo trovi qui e non mi orienterei su quello, e magari aumenterei la tensione di alimentazione del 555 ad almeno 12 o 15V.
EDIT: qualche info sul 555 la trovi qui, sui MOSFET qui, qui e qui.
50% riesci ad accendere bene quel MOSFET, in quanto se non erro la tensione media vista sul gate sarebbe di
7.5V · Duty Cycle = 3.75V, a mio parere insufficienti per quel transistore..Solitamente per i motori si usa una modulazione PWM per regolarne la velocità, un circuito con il 555 lo trovi qui e non mi orienterei su quello, e magari aumenterei la tensione di alimentazione del 555 ad almeno 12 o 15V.
EDIT: qualche info sul 555 la trovi qui, sui MOSFET qui, qui e qui.
1
voti
La tensione media di gate non c'entra nulla. Non c'e` nessun filtro passa basso fra generatore di segnale e MOS, e questo si accende e si spegne tutte le volte che il segnale va su e giu`.
Per usare proficuamente un simulatore, bisogna sapere molta più elettronica di lui
Plug it in - it works better!
Il 555 sta all'elettronica come Arduino all'informatica! (entrambi loro malgrado)
Se volete risposte rispondete a tutte le mie domande
Plug it in - it works better!
Il 555 sta all'elettronica come Arduino all'informatica! (entrambi loro malgrado)
Se volete risposte rispondete a tutte le mie domande
0
voti
IsidoroKZ ha scritto:La tensione media di gate non c'entra nulla. Non c'e` nessun filtro passa basso fra generatore di segnale e MOS, e questo si accende e si spegne tutte le volte che il segnale va su e giu`.
quale parametro dovrei considerare? il Vgs(th)???
0
voti
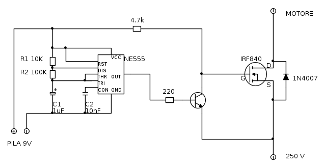
Prova a fare così, in ogni caso mi preoccupa la durata della pila a 9v.
Come BJT cosa hai a disposizione? BC337? se ti interessa potresti anche usare un fotoaccoppiatore, ma la cosa non resta poi così semplice (nemmeno ora lo è, ma potresti fare un tentativo), ovviamente se serve, altrimenti non fotoaccoppiare. Prevedi un condensatore sull'alimentazione.
Luca.
PS: i conti delle resistenze non li ho fatti, ho messo vvalori ragionevoli a spanne. Se ti serve domanda.
Come BJT cosa hai a disposizione? BC337? se ti interessa potresti anche usare un fotoaccoppiatore, ma la cosa non resta poi così semplice (nemmeno ora lo è, ma potresti fare un tentativo), ovviamente se serve, altrimenti non fotoaccoppiare. Prevedi un condensatore sull'alimentazione.
Luca. PS: i conti delle resistenze non li ho fatti, ho messo vvalori ragionevoli a spanne. Se ti serve domanda.
3
voti
Questo ultimo è peggiore del precedente.... il MOS si deve accendere via la R da 4k7... ci mette una vita a caricare il gate e scalda molto
Comunque tutti e due non funzionano... ci manca il collegamento tra i negativi del 9V e del 250V... e non mi dite che è sottointeso
Ma poi in fondo la mia curiosità vera è un'altra, ma a che serve accendere e spegnere un motore 3 volte al secondo? L'inerzia meccanica è senz'altro molto più lunga....a parte la velocità media che dipende dal duty cycle avresti comunque delle "belle botte" ti coppia => rumore e stress meccanico.
Comunque tutti e due non funzionano... ci manca il collegamento tra i negativi del 9V e del 250V... e non mi dite che è sottointeso
Ma poi in fondo la mia curiosità vera è un'altra, ma a che serve accendere e spegnere un motore 3 volte al secondo? L'inerzia meccanica è senz'altro molto più lunga....a parte la velocità media che dipende dal duty cycle avresti comunque delle "belle botte" ti coppia => rumore e stress meccanico.
Se ti serve il valore di beta: hai sbagliato il progetto!
23 messaggi
• Pagina 2 di 3 • 1, 2, 3
Chi c’è in linea
Visitano il forum: Nessuno e 136 ospiti

Elettrotecnica e non solo (admin)
Un gatto tra gli elettroni (IsidoroKZ)
Esperienza e simulazioni (g.schgor)
Moleskine di un idraulico (RenzoDF)
Il Blog di ElectroYou (webmaster)
Idee microcontrollate (TardoFreak)
PICcoli grandi PICMicro (Paolino)
Il blog elettrico di carloc (carloc)
DirtEYblooog (dirtydeeds)
Di tutto... un po' (jordan20)
AK47 (lillo)
Esperienze elettroniche (marco438)
Telecomunicazioni musicali (clavicordo)
Automazione ed Elettronica (gustavo)
Direttive per la sicurezza (ErnestoCappelletti)
EYnfo dall'Alaska (mir)
Apriamo il quadro! (attilio)
H7-25 (asdf)
Passione Elettrica (massimob)
Elettroni a spasso (guidob)
Bloguerra (guerra)






