ciao a tutti,
ho realizzato il circuito allegato.
le basi dei transistor sono collegate a 4 pin di arduino e anche l'alimentazione viene da arduino.
Alimentandolo e mandato alti i pin giusti riesco a far girare a mio piacimento il motore.
Ora volevo capire questa cosa: per far girare il motore in un senso alzo il pin 2 e 4, nel senso opposto alzo il 3 e il 5, per tenerlo fermo mando tutti a basso. Vorrei però, a questo punto, gestire il tutto con due soli pin, ponticellando le basi dei transistor del 2 e 4 e pilotandoli solo con pin 2. Poi unirei il 3 e il 5 e li piloterei solo col 3. Ho provato e non funziona e non riesco a capire il perché.
Potreste aiutarmi?
Grazie
A
pilotare ponte H con arduino
Moderatori:
carloc,
g.schgor,
BrunoValente,
IsidoroKZ
8 messaggi
• Pagina 1 di 1
0
voti
0
voti
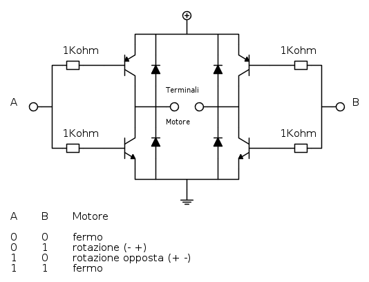
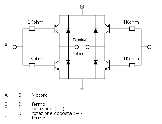
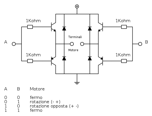
Per prima cosa, ti consiglio di rifare lo schema con fidocadj (leggi qua : http://www.electroyou.it/darwinne/wiki/fidocadj alla fine c'è scritto anche come integrare un circuito nel forum)
Seconda cosa, solitamente nei ponti H vanno inseriti anche dei diodi per proteggere i transitor e soprattutto arduino dai disturbi che un motore genera.
Terza cosa, i ponti H solitamente si costruiscono con 2 PNP e 2 NPN, ci sono delle controindicazioni a costruirli con soli NPN, per maggiori informazioni sui problemi però devi aspettare qualcuno di più competente.
I ti consiglierei uno schema del genere :
i transistor vanno scelti a seconda dell'assorbimento del motore, invece per i diodi puoi andare su dei 1N4148, che sono raddrizzatori rapidi.
P.S. con qualche porta logica riesci anche a comandarlo con due pin, ma uno per avvio/arresto e uno per la direzione.
Seconda cosa, solitamente nei ponti H vanno inseriti anche dei diodi per proteggere i transitor e soprattutto arduino dai disturbi che un motore genera.
Terza cosa, i ponti H solitamente si costruiscono con 2 PNP e 2 NPN, ci sono delle controindicazioni a costruirli con soli NPN, per maggiori informazioni sui problemi però devi aspettare qualcuno di più competente.
I ti consiglierei uno schema del genere :
i transistor vanno scelti a seconda dell'assorbimento del motore, invece per i diodi puoi andare su dei 1N4148, che sono raddrizzatori rapidi.
P.S. con qualche porta logica riesci anche a comandarlo con due pin, ma uno per avvio/arresto e uno per la direzione.
-

DADO91
3.552 3 12 13 - Expert EY

- Messaggi: 965
- Iscritto il: 27 feb 2009, 18:19
- Località: Prov. di Firenze
0
voti
Lo schema con i due transistor NPN e due PNP lo avevo visto anche io su google, volevo capire perché la mia soluzione non funzionava...
Se qualcuno lo capisce grazie in anticipo per la spiegazione, se no pazienza, proverò su altri forum!
ciao a tutti
Andrea
Se qualcuno lo capisce grazie in anticipo per la spiegazione, se no pazienza, proverò su altri forum!
ciao a tutti
Andrea
0
voti
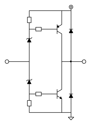
Allora, la differenza principale tra i due tipi di transistor è la direzione con la quale vengono attraversati dalla corrente.
Fermo restando che :
adesso dovresti avere le nozioni basilari per capire il motivo di usare i due tipi di transistor.
Per come avevi fatto il circuito, mezzi transistor (quelli sopra nel tuo schema), comandavano il carico con l'emettitore.
Ecco il Ponte H corretto:
Come ultima cosa di consiglierei di dare un'occhiata a questi integrati
L298 : http://www.sparkfun.com/datasheets/Robotics/L298_H_Bridge.pdf
L293 : http://www.ece.utexas.edu/~valvano/Datasheets/L293d.pdf
Sono Ponti H Integrati, se non hai bisogno di comandare grossi carichi, cioè con assorbimento superiore a 1-1,5A, sarebbero perfetti.
Fermo restando che :
- i carichi si comandano con il collettore (per una svista ho invertito i due transistor sopra).
- il pin con la "freccia" è l'emettitore.
- il verso della freccia è il verso della corrente.
adesso dovresti avere le nozioni basilari per capire il motivo di usare i due tipi di transistor.
Per come avevi fatto il circuito, mezzi transistor (quelli sopra nel tuo schema), comandavano il carico con l'emettitore.
Ecco il Ponte H corretto:
Come ultima cosa di consiglierei di dare un'occhiata a questi integrati
L298 : http://www.sparkfun.com/datasheets/Robotics/L298_H_Bridge.pdf
L293 : http://www.ece.utexas.edu/~valvano/Datasheets/L293d.pdf
Sono Ponti H Integrati, se non hai bisogno di comandare grossi carichi, cioè con assorbimento superiore a 1-1,5A, sarebbero perfetti.
-

DADO91
3.552 3 12 13 - Expert EY

- Messaggi: 965
- Iscritto il: 27 feb 2009, 18:19
- Località: Prov. di Firenze
0
voti
@gohan: il motore è da 5,9 volt (preso da un vecchio lettore cd guasto)
@DADO91: si, il punto di applicazione del carico mi aveva insospettito, non ho capito realmente il motivo: a quanto so io in un transistor in conduzione avremo sul collettore la corrente che arriva all'emettitore più quella in base, voglio verificare cosa succede invece in una configurazione "invertita" come quella che avevo fatto io. Proverò a realizzare il ponte H che tu mi suggerisci sia nella versione corretta che in quella che mi hai inviato per prima con i transistor "invertiti".
Per quanto riguarda quegli integrati lo so che esistono ma se usi sempre quelli non capisci mai la base delle cose: per me l'elettronica è un hobby (intrapreso anche da poco), non ho fretta di realizzare cose esagerate, preferisco farmi delle basi.
Per pilotare A e B nel ponte, per farti un esempio, in seguito non utilizzerò i segnali di due pin di arduino, mi basterebbero due segnali intermittenti (il motore deve fare avanti e indietro continuamente): mi servirà quindi un multivibratore astabile e, prima di farlo con un ne555 (bello pronto e "magico"), proverò con la soluzione antica con quattro resistenze e due condensatori.
Questo è il mio modo di vedere le cose, chissà quanti thread mi toccherà aprire in futuro!!!
@DADO91: si, il punto di applicazione del carico mi aveva insospettito, non ho capito realmente il motivo: a quanto so io in un transistor in conduzione avremo sul collettore la corrente che arriva all'emettitore più quella in base, voglio verificare cosa succede invece in una configurazione "invertita" come quella che avevo fatto io. Proverò a realizzare il ponte H che tu mi suggerisci sia nella versione corretta che in quella che mi hai inviato per prima con i transistor "invertiti".
Per quanto riguarda quegli integrati lo so che esistono ma se usi sempre quelli non capisci mai la base delle cose: per me l'elettronica è un hobby (intrapreso anche da poco), non ho fretta di realizzare cose esagerate, preferisco farmi delle basi.
Per pilotare A e B nel ponte, per farti un esempio, in seguito non utilizzerò i segnali di due pin di arduino, mi basterebbero due segnali intermittenti (il motore deve fare avanti e indietro continuamente): mi servirà quindi un multivibratore astabile e, prima di farlo con un ne555 (bello pronto e "magico"), proverò con la soluzione antica con quattro resistenze e due condensatori.
Questo è il mio modo di vedere le cose, chissà quanti thread mi toccherà aprire in futuro!!!
0
voti
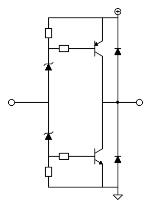
Il ponte H ogni tanto resuscita ed è argomento abbastanza discusso e martoriato. Anche io sono un sostenutore del ponte postato in [5], ma con le dovute precauzioni, ovvero una rete di polarizzazione diversa e migliore.
Io sono un elettrotecnico ed amo questo versione del ponte perché migliora sensibilmente i rendimenti. Un ponte simile comandato con Arduino significa che avrà una tensione di alimentazione non superiore a 5 V. Se si optasse per il ponte più convenzionale ed amato da persone come
IsidoroKZ, (col quale già dibattemmo in passato), al povero carico resterebbe ben poco in termini di tensione ed energia utile.
Tuttavia, come dicevo, se questo ponte lo preferisco, va anche pilotato in modo migliore. Il mio migliore significa sommariamente qualcosa di simile:
I due zener devono avere una tensione tale da lasciare non più di 1,5 V per la conduzione del transistor, rispetto alla tensione di alimentazione. Diversamente i pregi di questo ponte sarebbero alienati dai difetti della polarizzazione dei transistor.
Questa versione di ponte io l'ho sempre e solo teorizzata. Andrebbe fatto in minimo di verifiche.
Io sono un elettrotecnico ed amo questo versione del ponte perché migliora sensibilmente i rendimenti. Un ponte simile comandato con Arduino significa che avrà una tensione di alimentazione non superiore a 5 V. Se si optasse per il ponte più convenzionale ed amato da persone come
Tuttavia, come dicevo, se questo ponte lo preferisco, va anche pilotato in modo migliore. Il mio migliore significa sommariamente qualcosa di simile:
I due zener devono avere una tensione tale da lasciare non più di 1,5 V per la conduzione del transistor, rispetto alla tensione di alimentazione. Diversamente i pregi di questo ponte sarebbero alienati dai difetti della polarizzazione dei transistor.
Questa versione di ponte io l'ho sempre e solo teorizzata. Andrebbe fatto in minimo di verifiche.
-

Candy
32,5k 7 10 13 - CRU - Account cancellato su Richiesta utente
- Messaggi: 10123
- Iscritto il: 14 giu 2010, 22:54
8 messaggi
• Pagina 1 di 1
Chi c’è in linea
Visitano il forum: Nessuno e 41 ospiti

Elettrotecnica e non solo (admin)
Un gatto tra gli elettroni (IsidoroKZ)
Esperienza e simulazioni (g.schgor)
Moleskine di un idraulico (RenzoDF)
Il Blog di ElectroYou (webmaster)
Idee microcontrollate (TardoFreak)
PICcoli grandi PICMicro (Paolino)
Il blog elettrico di carloc (carloc)
DirtEYblooog (dirtydeeds)
Di tutto... un po' (jordan20)
AK47 (lillo)
Esperienze elettroniche (marco438)
Telecomunicazioni musicali (clavicordo)
Automazione ed Elettronica (gustavo)
Direttive per la sicurezza (ErnestoCappelletti)
EYnfo dall'Alaska (mir)
Apriamo il quadro! (attilio)
H7-25 (asdf)
Passione Elettrica (massimob)
Elettroni a spasso (guidob)
Bloguerra (guerra)




