Con lo schema che hai realizzato ottieni la regolazione della tensione ma non della corrente.
Quindi segui lo schema di g.schgor.
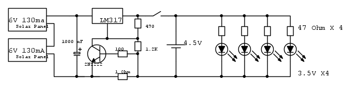
circuito led con pannello solare e pile ricaricabili.
Moderatori:
carloc,
g.schgor,
BrunoValente,
IsidoroKZ
0
voti
Ringrazio e chiedo scusa per i link esterni nel messaggio precedente, farò più attenzione alle regole del forum.
Mi sono informato sul transistor 2N2222 e ho visto che ha le seguenti caratteristiche:
-condurre se gli viene applicata una tensione positiva sulla base, e una negativa sul collettore;
-condurre se gli viene applicata una tensione positiva sulla base, e una negativa sull'emettitore;
-NON condurre se gli viene applicata una tensione negativa sulla base, e una positiva sul collettore;
-NON condurre se gli viene applicata una tensione negativa sulla base, e una positiva sull'emettitore;
-NON condurre se gli viene applicata una tensione positiva sul collettore e una negativa sull'emettitore;
-NON condurre se gli viene applicata una tensione positiva sull'emettitore e una negativa sul collettore.
che scopo ha e come si comporta esattamente nel mio circuito?
Poi volevo sapere come si è arrivati ad utilizzare quei valori per le resistenze.
Potrei usare per R1 un valore di 240 Ohm e per R2 un valore di 560 Ohm?
E' da un po' che applico formule al circuito senza venirne a capo... ignoranza mia.
Mi sono informato sul transistor 2N2222 e ho visto che ha le seguenti caratteristiche:
-condurre se gli viene applicata una tensione positiva sulla base, e una negativa sul collettore;
-condurre se gli viene applicata una tensione positiva sulla base, e una negativa sull'emettitore;
-NON condurre se gli viene applicata una tensione negativa sulla base, e una positiva sul collettore;
-NON condurre se gli viene applicata una tensione negativa sulla base, e una positiva sull'emettitore;
-NON condurre se gli viene applicata una tensione positiva sul collettore e una negativa sull'emettitore;
-NON condurre se gli viene applicata una tensione positiva sull'emettitore e una negativa sul collettore.
che scopo ha e come si comporta esattamente nel mio circuito?
Poi volevo sapere come si è arrivati ad utilizzare quei valori per le resistenze.
Potrei usare per R1 un valore di 240 Ohm e per R2 un valore di 560 Ohm?
E' da un po' che applico formule al circuito senza venirne a capo... ignoranza mia.
0
voti
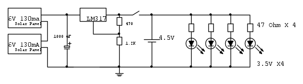
Come avrai visto, lo schema riproduce quello
segnalato nel datasheet dell' LM317.
Non ho fatto altro che simularlo (in MicroCap)
ed "aggiustarne" i valori per ottenere 4.5V.
A questo proposito volevo segnalarti che la
resistenza da 1 Ohm tra emettitore e GND
può essere portata, per maggior sicurezza
delle pile. fino a 3 Ohm (questo limita la corrente
massima di carica a 200mA).
Lo schema è infatti quello classico di un regolatore
di tensione (con valore prefissabile), ma con una
reazione in corrente onde limitarne il valore massimo.
segnalato nel datasheet dell' LM317.
Non ho fatto altro che simularlo (in MicroCap)
ed "aggiustarne" i valori per ottenere 4.5V.
A questo proposito volevo segnalarti che la
resistenza da 1 Ohm tra emettitore e GND
può essere portata, per maggior sicurezza
delle pile. fino a 3 Ohm (questo limita la corrente
massima di carica a 200mA).
Lo schema è infatti quello classico di un regolatore
di tensione (con valore prefissabile), ma con una
reazione in corrente onde limitarne il valore massimo.
0
voti
Ma i miei due pannelli solari in serie generano una corrente inferiore a 200mA, di specifica generano 130 mA.
0
voti
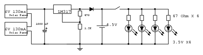
La limitazione di corrente di carica è un accorgimento utile
per la protezione delle batterie.
Se sei sicuro che in ogni caso non generi più di tanta corrente
puoi togliere il transistor e le relative resistenze (da 3 e 100 ohm),
lasciando solo il partitore.
per la protezione delle batterie.
Se sei sicuro che in ogni caso non generi più di tanta corrente
puoi togliere il transistor e le relative resistenze (da 3 e 100 ohm),
lasciando solo il partitore.
0
voti
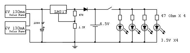
Quindi lo schema completo sarà il seguente:
- Senza regolazione sulla corrente:
- e con la regolazione sulla corrente:
Giusto?
- Senza regolazione sulla corrente:
- e con la regolazione sulla corrente:
Giusto?
0
voti
Si il circuito e' giusto; metterei anche un secondo interruttore tra batteria e led da aprire durante la ricarica.
Quello che non mi torna in tutta la faccenda, sono i tempi di ricarica che, in considerazione della corrente resa dai pannelli, richiedono una quindicina di ore di esposizione delle celle in pieno sole, cosa alquanto utopica se non nei mesi estivi.
In pratica, le batterie non si ricaricheranno mai completamente e, conseguentemente all'uso, si scaricheranno in breve tempo.
Quello che non mi torna in tutta la faccenda, sono i tempi di ricarica che, in considerazione della corrente resa dai pannelli, richiedono una quindicina di ore di esposizione delle celle in pieno sole, cosa alquanto utopica se non nei mesi estivi.
In pratica, le batterie non si ricaricheranno mai completamente e, conseguentemente all'uso, si scaricheranno in breve tempo.
marco
0
voti
Si mi sono accorto anche io dell'interruttore mancante.
Questo circuito sarà installato in una piccola teca autocostruita dove i led verranno accesi sporadicamente e per poco tempo quindi le batterie avranno tutto il tempo di ricaricarsi.
Comunque questo circuito vuole essere per me un inizio per poi crescere, imparare sempre di più, e realizzare qualcosa di più interessante e anche utile a livello pratico.
Conto soprattutto sull'aiuto di questo forum!!
Posterò qualche foto del lavoro ultimato.
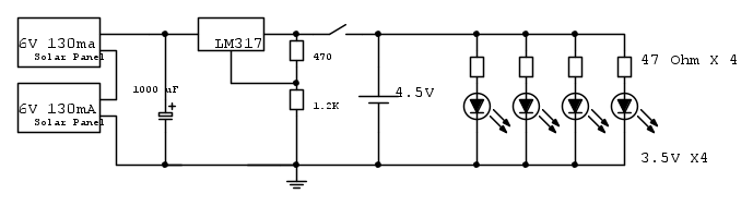
P.s. Al posto dell'interruttore tra il circuito dei pannelli e le pile non posso mettere un diodo? in modo che la corrente passi solo dai pannelli alle pile e non viceversa?
Questo circuito sarà installato in una piccola teca autocostruita dove i led verranno accesi sporadicamente e per poco tempo quindi le batterie avranno tutto il tempo di ricaricarsi.
Comunque questo circuito vuole essere per me un inizio per poi crescere, imparare sempre di più, e realizzare qualcosa di più interessante e anche utile a livello pratico.
Conto soprattutto sull'aiuto di questo forum!!
Posterò qualche foto del lavoro ultimato.
P.s. Al posto dell'interruttore tra il circuito dei pannelli e le pile non posso mettere un diodo? in modo che la corrente passi solo dai pannelli alle pile e non viceversa?
Ultima modifica di
hazon il 18 feb 2012, 21:58, modificato 2 volte in totale.
0
voti
Ecco lo schema con il diodo inserito tra batterie e pannello e interruttore tra batterie e led.
Il diodo che ho inserito deve avere particolari caratteristiche?
Il diodo che ho inserito deve avere particolari caratteristiche?
Chi c’è in linea
Visitano il forum: Nessuno e 256 ospiti

Elettrotecnica e non solo (admin)
Un gatto tra gli elettroni (IsidoroKZ)
Esperienza e simulazioni (g.schgor)
Moleskine di un idraulico (RenzoDF)
Il Blog di ElectroYou (webmaster)
Idee microcontrollate (TardoFreak)
PICcoli grandi PICMicro (Paolino)
Il blog elettrico di carloc (carloc)
DirtEYblooog (dirtydeeds)
Di tutto... un po' (jordan20)
AK47 (lillo)
Esperienze elettroniche (marco438)
Telecomunicazioni musicali (clavicordo)
Automazione ed Elettronica (gustavo)
Direttive per la sicurezza (ErnestoCappelletti)
EYnfo dall'Alaska (mir)
Apriamo il quadro! (attilio)
H7-25 (asdf)
Passione Elettrica (massimob)
Elettroni a spasso (guidob)
Bloguerra (guerra)





