Il diodo puo' essere un comune 1N4007.
Tieni pero' presente che il suo inserimento provoca una caduta di 0.7V circa sulla tensione di carica.
circuito led con pannello solare e pile ricaricabili.
Moderatori:
carloc,
g.schgor,
BrunoValente,
IsidoroKZ
0
voti
Volevo chiedere lumi su una cosa.
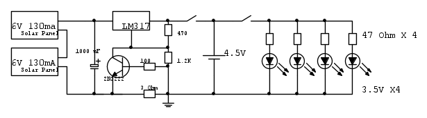
Nello schema con il transistor sono state applicate due resistenze, una sulla base e una sull'emettitore, per regolarne la corrente massima a 200 mA. Sto cercando di capire come si ottengono tali valori delle resistenze con la seguente formula per calcolare la corrente che scorre nel collettore:
Ic mA = (( Vcc :2 ) : ( R1 + R2 )) x 1000 dove R1 è la resistenza sul collettore e R2 sull'emettitore ma non mi tornano i conti:
((4.5/2)/(470+3))X1000= 4.7 mA.
Dove sbaglio?
Riporto lo schema:
Nello schema con il transistor sono state applicate due resistenze, una sulla base e una sull'emettitore, per regolarne la corrente massima a 200 mA. Sto cercando di capire come si ottengono tali valori delle resistenze con la seguente formula per calcolare la corrente che scorre nel collettore:
Ic mA = (( Vcc :2 ) : ( R1 + R2 )) x 1000 dove R1 è la resistenza sul collettore e R2 sull'emettitore ma non mi tornano i conti:
((4.5/2)/(470+3))X1000= 4.7 mA.
Dove sbaglio?
Riporto lo schema:
0
voti
Il diodo in serie al regolatore vanifica la regolazione di tensione sulla batteria
(questa dipende infatti dalla caduta sul diodo, variabile con la corrente).
Circa la "formula" per il calcolo, non capisco perché Vcc/2 e non è così semplice.
Se vuoi sapere come si distribuiscono tensioni e correnti in un circuito del genere,
consiglio una simulazione.
(questa dipende infatti dalla caduta sul diodo, variabile con la corrente).
Circa la "formula" per il calcolo, non capisco perché Vcc/2 e non è così semplice.
Se vuoi sapere come si distribuiscono tensioni e correnti in un circuito del genere,
consiglio una simulazione.
0
voti
Ho scaricato ma versione di prova di microcap e non è cosi semplice l'utilizzo per la simulazione. Occorre tempo per studiarne il funzionamento.
0
voti
Ti ho preparato un modello di simulazione in MicroCap
Che presuppone la pile scariche (1.4V) con resistenza interna
0.7Ohm.
Ovviamente la comodità della simulazione è la facilità
di cambiamento delle condizioni-
Dimmi se incontri difficoltà.
Che presuppone la pile scariche (1.4V) con resistenza interna
0.7Ohm.
Ovviamente la comodità della simulazione è la facilità
di cambiamento delle condizioni-
Dimmi se incontri difficoltà.
0
voti
Mi servirebbe il file del modello cosi da poterlo elaborare in MicroCap.
0
voti
Ho la necessità di inserire un diodo tra i pannelli e le batterie, non posso mettere un interruttore perché nella pratica dovrei continuamente chiudere o aprire il circuito in funzione dei pannelli solari se stanno generando corrente o no.
L'ho posizionato in questo punto, così non dovrebbe influire sul regolatore di tensione.
L'ho posizionato in questo punto, così non dovrebbe influire sul regolatore di tensione.
0
voti
Così il diodo non serve a niente.
Si può anche non mettere alcun diodo, né interruttore,
accettando però che la batteria eroghi pochi mA
sul partitore in uscita del 317, quando i pannelli
non generano energia.
Si può anche non mettere alcun diodo, né interruttore,
accettando però che la batteria eroghi pochi mA
sul partitore in uscita del 317, quando i pannelli
non generano energia.
0
voti
g.schgor ha scritto:Ti ho preparato un modello di simulazione in MicroCap
Che presuppone la pile scariche (1.4V) con resistenza interna
0.7Ohm.
Ovviamente la comodità della simulazione è la facilità
di cambiamento delle condizioni-
Dimmi se incontri difficoltà.
Tramite il suo file ho avviato la simulazione ma quando cambio i valori delle resistenze non mi varia nessuna tensione.
Chi c’è in linea
Visitano il forum: Nessuno e 208 ospiti

Elettrotecnica e non solo (admin)
Un gatto tra gli elettroni (IsidoroKZ)
Esperienza e simulazioni (g.schgor)
Moleskine di un idraulico (RenzoDF)
Il Blog di ElectroYou (webmaster)
Idee microcontrollate (TardoFreak)
PICcoli grandi PICMicro (Paolino)
Il blog elettrico di carloc (carloc)
DirtEYblooog (dirtydeeds)
Di tutto... un po' (jordan20)
AK47 (lillo)
Esperienze elettroniche (marco438)
Telecomunicazioni musicali (clavicordo)
Automazione ed Elettronica (gustavo)
Direttive per la sicurezza (ErnestoCappelletti)
EYnfo dall'Alaska (mir)
Apriamo il quadro! (attilio)
H7-25 (asdf)
Passione Elettrica (massimob)
Elettroni a spasso (guidob)
Bloguerra (guerra)




