Cos'è ElectroYou | Login Iscriviti

ElectroYou - la comunità dei professionisti del mondo elettrico

Esercizio con gen. di corrente periodica non sinusoidale

Circuiti, campi elettromagnetici e teoria delle linee di trasmissione e distribuzione dell’energia elettrica

Moderatori: Foto Utenteg.schgor, Foto UtenteIsidoroKZ

0
voti

[1] Esercizio con gen. di corrente periodica non sinusoidale

Messaggioda Foto Utentekowalski » 15 feb 2012, 3:47

Buongiorno a tutti,

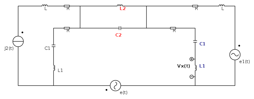
ho incontrato questo esercizio che mi sta dando non pochi problemi. Tra le varie richieste dell' esercizio, posto quelle un po' più complesse.
Dunque, il circuito è a regime per effetto dei generatori applicati. Si chiede di determinare:
a) l'energia elettromagnetica media immagazzinata separatamente nei due bipoli A e B (indicati rispettivamente in rosso e in blu)
b) l'andamento temporale della tensione Vx(t) ed il suo valore efficace
c) la potenza attiva erogata dal generatore j2(t)

I dati sono:
R=10 ohm
L=10 mH
L1=20 mH L2=4mH
C1=200 \mu F
C2=62,5 \mu F
e_{1}(t)=10\sqrt{2}sin(2000t-\frac{\pi }{6})   V
j_{2}(t)=2\sqrt{2}cos(500t)+5\sqrt{2}sin(2000t)   A
e(t)=30\sqrt{2}sin(500t+\frac{\pi }{3}) V



Grazie!
Avatar utente
Foto Utentekowalski
-2 4
New entry
New entry
 
Messaggi: 57
Iscritto il: 15 apr 2011, 18:41

0
voti

[2] Re: Esercizio con gen. di corrente periodica non sinusoidale

Messaggioda Foto UtenteRenzoDF » 15 feb 2012, 9:44

Premesso che dovresti prima dirci tu cosa sei riuscito a fare, la rete deve ovviamente essere risolta "via" sovrapposizione, viste le due pulsazioni; lo sdoppiamento, grazie alla risonanza fra diverse coppie di bipoli, portera' comunque a drastiche semplificazioni.
"Il circuito ha sempre ragione" (Luigi Malesani)
Avatar utente
Foto UtenteRenzoDF
55,9k 8 12 13
G.Master EY
G.Master EY
 
Messaggi: 13189
Iscritto il: 4 ott 2008, 9:55

0
voti

[3] Re: Esercizio con gen. di corrente periodica non sinusoidale

Messaggioda Foto Utentekowalski » 20 feb 2012, 0:17

@Foto UtenteRenzoDF
Penso che qui la cosa migliore da fare sia scrivere un sistema di equazioni per i Potenziali Nodali, trovare la tensione ai capi del generatore di corrente e ricavare la potenza complessa da esso erogata. Giusto?

Per quanto riguarda, invece, l'energia magnetica media immagazzinata nei due bipoli.. :?
per il bipolo L2,C2 può essere espressa come
\frac{1}{2}L_{2}I_{L2}^{2}+\frac{1}{2}C_{2}V_{C2}^{2}
e lo stesso per il bipolo L1,C1, chiaramente con notazioni diverse, o sbaglio?

P.S.: provvedo subito a rendere il circuito più leggibile
Avatar utente
Foto Utentekowalski
-2 4
New entry
New entry
 
Messaggi: 57
Iscritto il: 15 apr 2011, 18:41

0
voti

[4] Re: Esercizio con gen. di corrente periodica non sinusoidale

Messaggioda Foto UtenteRenzoDF » 20 feb 2012, 0:39

Come ti dicevo, per prima cosa, ridisegnerei le reti semplificate per le due pulsazioni.
"Il circuito ha sempre ragione" (Luigi Malesani)
Avatar utente
Foto UtenteRenzoDF
55,9k 8 12 13
G.Master EY
G.Master EY
 
Messaggi: 13189
Iscritto il: 4 ott 2008, 9:55

-1
voti

[5] Re: Esercizio con gen. di corrente periodica non sinusoidale

Messaggioda Foto Utentekowalski » 20 feb 2012, 0:42

RenzoDF ha scritto: lo sdoppiamento, grazie alla risonanza fra diverse coppie di bipoli, portera' comunque a drastiche semplificazioni.


Scusami per l'ignoranza.. non capisco il significato di questa frase #-o Cioè, perché si otterranno semplificazioni grazie alla risonanza tra bipoli? e che si intende per risonanza?
Avatar utente
Foto Utentekowalski
-2 4
New entry
New entry
 
Messaggi: 57
Iscritto il: 15 apr 2011, 18:41

0
voti

[6] Re: Esercizio con gen. di corrente periodica non sinusoidale

Messaggioda Foto UtenteRenzoDF » 20 feb 2012, 0:44

kowalski ha scritto:Scusami per l'ignoranza.. che cosa si intende con questa frase?

Spero tu conosca la risonanza serie e parallelo, ad ogni modo prova a calcolare le reattanze delle due coppie L2 C2 e L1 C1 alle due pulsazioni.
"Il circuito ha sempre ragione" (Luigi Malesani)
Avatar utente
Foto UtenteRenzoDF
55,9k 8 12 13
G.Master EY
G.Master EY
 
Messaggi: 13189
Iscritto il: 4 ott 2008, 9:55

0
voti

[7] Re: Esercizio con gen. di corrente periodica non sinusoidale

Messaggioda Foto Utentekowalski » 20 feb 2012, 1:37

E' questo il primo passo?
Avatar utente
Foto Utentekowalski
-2 4
New entry
New entry
 
Messaggi: 57
Iscritto il: 15 apr 2011, 18:41

0
voti

[8] Re: Esercizio con gen. di corrente periodica non sinusoidale

Messaggioda Foto Utentekowalski » 20 feb 2012, 2:21

Ho quindi queste due relazioni per la reattanza dei due bipoli. Spero che siano giuste:

X_{1tot}=\omega L_{1}+\frac{1}{\omega C_{1}}

X_{2tot}=-\frac{L_{2}}{C_{2}(X_{L2}-X_{c2})}

E ora? ||O
Ultima modifica di Foto Utentekowalski il 20 feb 2012, 2:23, modificato 1 volta in totale.
Avatar utente
Foto Utentekowalski
-2 4
New entry
New entry
 
Messaggi: 57
Iscritto il: 15 apr 2011, 18:41

-1
voti

[9] Re: Esercizio con gen. di corrente periodica non sinusoidale

Messaggioda Foto Utenteangelsanct » 20 feb 2012, 2:23

e che si intende per risonanza?

In generale si intende con risonanza una condizione fisica che si verifica nel caso in cui un sistema oscillante forzato venga sottoposto a sollecitazione periodica di frequenza pari all'oscillazione propria del sistema stesso.

La risonanza elettrica è quindi un fenomeno stazionario che si manifesta ad una certa frequenza in cui la reattanza capacitiva e quella induttiva hanno modulo uguale, costringendo l'energia ad oscillare tra il campo magnetico di una induttanza ed il campo elettrico di un condensatore. ;-)

Edit: Ho sbagliato a quotare :-P
Avatar utente
Foto Utenteangelsanct
196 1 5
Frequentatore
Frequentatore
 
Messaggi: 112
Iscritto il: 30 lug 2011, 21:46

0
voti

[10] Re: Esercizio con gen. di corrente periodica non sinusoidale

Messaggioda Foto UtenteRenzoDF » 20 feb 2012, 8:57

kowalski ha scritto:Spero che siano giuste:

Manco una!

Ad ogni modo se rimani in forma simbolica, che ci sia risonanza non te ne accorgi, se le calcoli per via numerica ti accorgerai dell'uguaglianza in modulo delle due, e quindi con la serie avrai un cortocircuito, con il parallelo un circuito aperto, in questo modo la rete in corrispondenza a una o all'altra pulsazione si aprira' su qualche ramo o si cortocircuitera' su qualche altro, semplificando la soluzione.

BTW te l'avro' gia' chiesto ma dov'e' che studi e cosa?
"Il circuito ha sempre ragione" (Luigi Malesani)
Avatar utente
Foto UtenteRenzoDF
55,9k 8 12 13
G.Master EY
G.Master EY
 
Messaggi: 13189
Iscritto il: 4 ott 2008, 9:55

Prossimo

Torna a Elettrotecnica generale

Chi c’è in linea

Visitano il forum: Nessuno e 89 ospiti